• Добро пожаловать на компьютерный форум Tehnari.ru. Здесь разбираемся с проблемами ПК и ноутбуков: Windows, драйверы, «железо», сборка и апгрейд, софт и безопасность. Форум работает много лет, сейчас он переехал на новый движок, но старые темы и аккаунты мы постарались сохранить максимально аккуратно.

    Форум не связан с магазинами и сервисами – мы ничего не продаём и не даём «рекламу под видом совета». Отвечают обычные участники и модераторы, которые следят за порядком и качеством подсказок.

    Если вы у нас впервые, загляните на страницу о проекте, чтобы узнать больше. Чтобы создавать темы и писать сообщения, сначала зарегистрируйтесь, а затем войдите под своим логином.

    Не знаете, с чего начать? Создайте тему с описанием проблемы – подскажем и при необходимости перенесём её в подходящий раздел.
    Задать вопрос Новые сообщения Как правильно спросить
    Если пришли по ссылке со старого Tehnari.ru – вы на нужном месте, просто продолжайте обсуждение.

Кумир 35у-102С1

Ну, что было, то и ставили. Подумаешь, вместо 47 ком поставили 68 ком! Если замерить этот на 47 ком, то разница по секциям будет , как правило, космос! Причем в любую сторону. Хочешь хорошее качество? Бери ALPS. У Аликов есть очень приличные дискретные, с выводом для тонкомпенсации.
 
Вот такой дискретный резистор. Отличное качество. И есть вывод для тонкомпенсации.
 

Вложения

  • IMG_0866.webp
    IMG_0866.webp
    39 KB · Просмотры: 24
Вот такой дискретный резистор. Отличное качество. И есть вывод для тонкомпенсации.

Спасибо, поизучаю. а по конденцаторам, можете просветить, какого производителя лучше выбрать, если конечно у меня будет выбор :)
 
Могу. SAMWHA отличные конденсаторы. Ну, и далее по списку : Elna, Rubicon, Nichicon, Hitano, Epcos, и т. д.
 
Проверяю выходные транзисторы, все исправные. Хочу подобрать по характеристикам парные по каналам, я правильно понимаю, что надо подбираь транзисторы 1 и2, 3и4, 5и6, 7и8?
 

Вложения

  • Скриншот 13-04-2024 141949.webp
    Скриншот 13-04-2024 141949.webp
    64.3 KB · Просмотры: 38
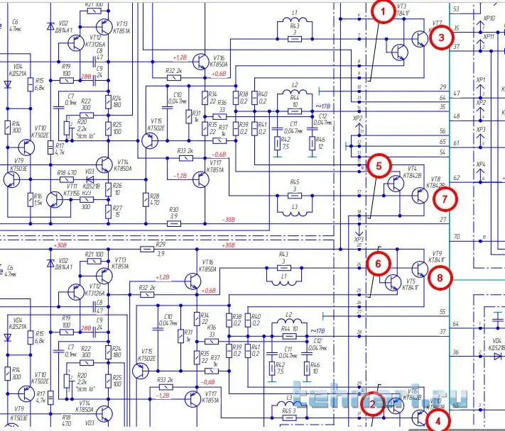
Еще вопрос по схеме выше, резистор R46 в одном плече 12 Ом, в другом 10 Ом, это ошибка в схеме или так должно быть, у меня они подгоревшие, номиналов не видно,
 
Наверное,имелось ввиду что могли стоять либо одного номинала, либо другого. Исходя из того, что было на складе. можно и 12 , и 10 ом поставить. Это сопротивление входит в т.н. цепочку Цобеля, для повышения устойчивости усилителя . То , что подгоревшие, означает что либо возбуд, либо недостаточная мощность резисторов, либо источник сигнала с высоким содержанием вч сигнала. Замените на более мощные , если есть возможность на осциллографе погоняйте, дабы убедиться в отсутствии артефактов.
 
Хочу подобрать по характеристикам парные по каналам
Стесняюсь спросить, а на кой это нужнО в сием аппарате ?
И по каким таким характеристикам предполагается проводить подбор ?
R46 в одном плече 12 Ом, в другом 10 Ом
Походу в канале, а не плече ...
 
Если подбирать по H21 выходные транзисторы, то это будут 1,3,5,7 хотя бы с разбросом 20 процентов, в идеале 5 процентов. Аналогично в другом канале 6,8,2,4. Только для подбора нужно использовать испытатель мощных транзисторов. На Али посмотрите, только отзывы купивших читайте.
и второе. Более актуально подобрать транзисторы входного каскада. Дифкаскад, в частности.
После чего подкорректировать ноль на выходе и ток покоя согласно паспортных данных.
В заключении подать на вход синусоиду 20гц, 1000 гц и 20000 кц с напряжением равным номинальному, указанному в паспорте на нагрузку ,например 8 ом и 4 ом. Еще бы прямоугольный сигнал 20 кгц посмотреть. И напоследок глянуть синусоиду 20 кгц в режиме ограничения.
 
Если подбирать по H21 выходные транзисторы, то это будут 1,3,5,7 хотя бы с разбросом 20 процентов, в идеале 5 процентов. Аналогично в другом канале 6,8,2,4. Только для подбора нужно использовать испытатель мощных транзисторов. На Али посмотрите, только отзывы купивших читайте.
и второе. Более актуально подобрать транзисторы входного каскада. Дифкаскад, в частности.
После чего подкорректировать ноль на выходе и ток покоя согласно паспортных данных.
В заключении подать на вход синусоиду 20гц, 1000 гц и 20000 кц с напряжением равным номинальному, указанному в паспорте на нагрузку ,например 8 ом и 4 ом. Еще бы прямоугольный сигнал 20 кгц посмотреть. И напоследок глянуть синусоиду 20 кгц в режиме ограничения.

Спасибо, есть такой прибор, думал по измеряемым параметрам подобрать более близкие по значению.
 

Вложения

  • IMG-20240415-WA0015.webp
    IMG-20240415-WA0015.webp
    44.2 KB · Просмотры: 24
Этим замечательным прибором, который у тебя есть, мощники не подберешь ! Для подбора мощников, нужно стенд городить. У мощников токи то какие ? Вот и я о том же.
 
Спасибо, есть такой прибор, думал по измеряемым параметрам подобрать более близкие по значению.
Вот! Самое то, что доктор прописал! Только ценой в половину этого усилителя встанет... :)
 

Вложения

  • a1b09dcde91218e545be2f09e36d14ac5e791975.webp
    a1b09dcde91218e545be2f09e36d14ac5e791975.webp
    29.3 KB · Просмотры: 23
в половину этого усилителя встанет...
За шесть "косарей" можно купить два таких усилителя (если оно кому-то крайне может понадобиться в принципе). :lol:
 
Подошли с Чип Дип конденсаторы, буду потихоньку менять
 

Вложения

  • IMG-20240416-WA0002.webp
    IMG-20240416-WA0002.webp
    64.6 KB · Просмотры: 24
Этот усилитель, мне в одну тысячу обошёлся :)
Можно и без прибора подобрать, с помощью ЛБП и мультиметра, но транзисторов кучу надо иметь под рукой в любом случае. В магазине подобным образом никто проверять не позволит. Придется довольствоваться заменой конденсаторов
 
Этот усилитель, мне в одну тысячу обошёлся :)

Ну, Паша, это только начало твоих финансовых трат. Впереди ожидает тебя путь не легкий и тернистый! Танцы с бубном под гармошку — тоже тебя ждут. tehnobaian . Ты готов к этим нелегким испытанием? Как далеко ты зашел , в своем стремлении и желании оживить этот труп? Если ты тверд в своем решении, если не свернешь со скользкой тропинки , то мы с тобой! :))
 
Назад
Сверху