• Добро пожаловать на компьютерный форум Tehnari.ru. Здесь разбираемся с проблемами ПК и ноутбуков: Windows, драйверы, «железо», сборка и апгрейд, софт и безопасность. Форум работает много лет, сейчас он переехал на новый движок, но старые темы и аккаунты мы постарались сохранить максимально аккуратно.

    Форум не связан с магазинами и сервисами – мы ничего не продаём и не даём «рекламу под видом совета». Отвечают обычные участники и модераторы, которые следят за порядком и качеством подсказок.

    Если вы у нас впервые, загляните на страницу о проекте, чтобы узнать больше. Чтобы создавать темы и писать сообщения, сначала зарегистрируйтесь, а затем войдите под своим логином.

    Не знаете, с чего начать? Создайте тему с описанием проблемы – подскажем и при необходимости перенесём её в подходящий раздел.
    Задать вопрос Новые сообщения Как правильно спросить
    Если пришли по ссылке со старого Tehnari.ru – вы на нужном месте, просто продолжайте обсуждение.

Музыкальный центр Daewoo_AMI-960

  • Автор темы Автор темы Crampf
  • Дата начала Дата начала
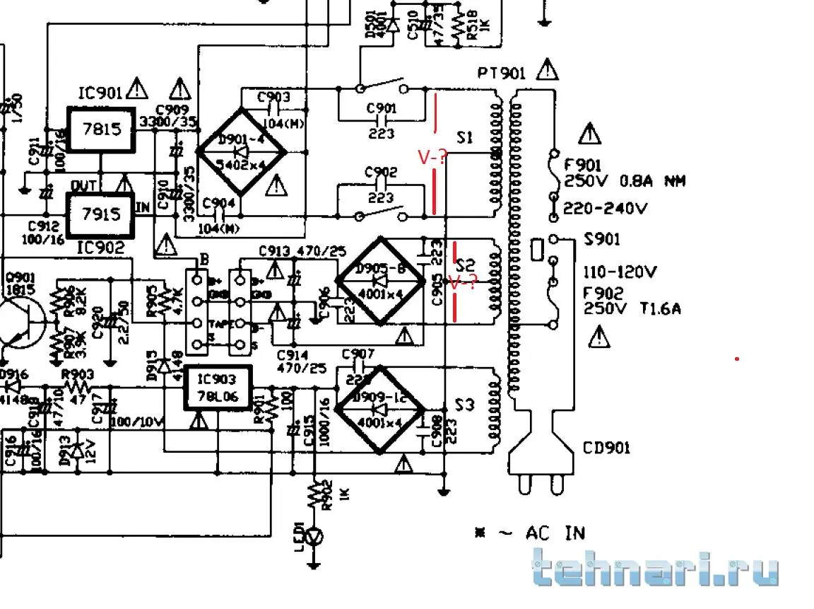
S1 -21,5 S2 -12.2 S3-11.05
 
накоротко тестер пищит сопротивления нет
 
как и вы говорили отцепил мост замерил между выводами 21.5 вольт перемерил да 21.5 в тестер аппа 62
 
STK413 от 18 до 29 в
 
Посмотреть вложение STK4132II.pdf
как и вы говорили отцепил мост замерил между выводами 21.5 вольт перемерил да 21.5 в тестер аппа 62

Мерили так? или в половинках обмоток: Безымянный.png.webp, если в половинках обмоток то напруги явно маловато. Для STKшки, она питается с S1, по даташиту нужно "+,-" 23V. Выше в этом посту.
 
там 3 провода. черный и 2 красных. между черным и красным 23.5 .,между красным и красным 43.2
 
S2 12 12 и 24 так же 3 провода
 
s3 11.2 2 провода
 
там 3 провода. черный и 2 красных. между черным и красным 23.5 .,между красным и красным 43.2

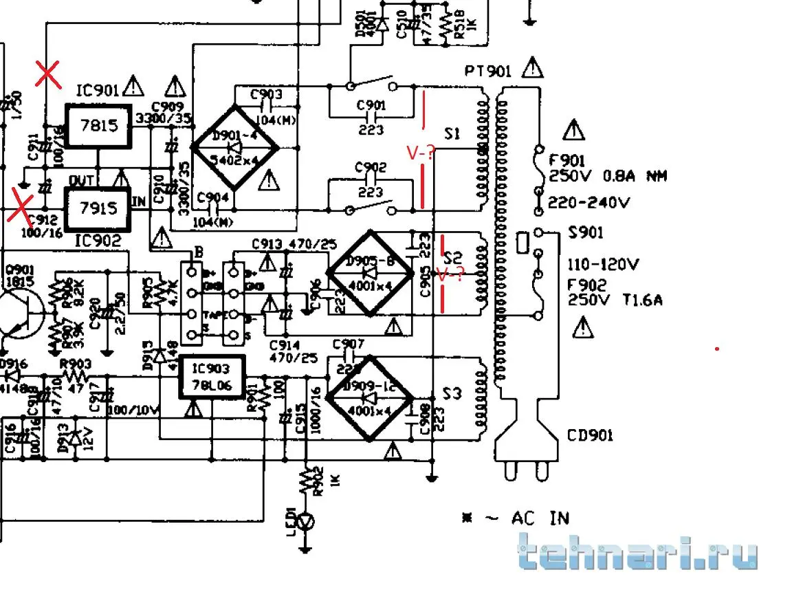
Ну напруга в норме, смотрите дальше по схеме. Можно подпоять диодный мост, проверив ЕГО перед этим, но с неподключенными IC901, IC902. Вы, ещё говорили у ,Вас, что-то греется? что? И замена KA7815 на KA7810 не корректна, как говорилось раньше. После подключить стабилизаторы KA , но отключив нагрузку с них. Надеюсь понятно объяснил: Безымянный.png.webp Проверить напругу после стабилизаторов.
 
Отлучусь на пару часиков,....
 
нагрузку выпаял моста впаял проверил диоды исправны на D913 12 v D915 7.11
 
нагрузку выпаял моста впаял проверил диоды исправны на D913 12 v D915 7.11

Запятые закончились? Еще прислать? Ну не понятнож нихрена! (Прошу прощения за мой французский)
 
нагрузку в виде 7815 7915 выпаял.диодный мост впаял . проверил диоды и стабилитроны .на D913 12 в. D915 7.11 в .
 
всем привет! принесли данный центр как понял 90х . при любом источнике сигнала что AUX CD Тюнеер слабый звук в динамиках на максимальной громкосте провери обвязку микросхему уилителя заменены электролитический конденсаторы далее .... при вкл питании грееется Линейные регуляторы напряжения КА7815

1 и 2 нога 7815 звонится на корпус
Посмотреть вложение fairchild semiconductor_ka7805ae-1191496.pdf
1 - вход V, 2 - общий
дальше по схеме может быть "коротышь".

Ну напруга в норме, смотрите дальше по схеме. Можно подпоять диодный мост, проверив ЕГО перед этим, но с неподключенными IC901, IC902. .... После подключить стабилизаторы IC901, IC902 - KA7915, KA7815, но отключив нагрузку с них. Надеюсь понятно объяснил: Посмотреть вложение 399667 Проверить напругу после стабилизаторов.
Безымянный.png.webp.
Греются при отключенной нагрузке? или ...
нагрузку выпаял моста впаял проверил диоды исправны на D913 12 v D915 7.11
?????
 
Назад
Сверху