Набираю команду для проекта ИБП

  • Автор темы Автор темы MITRON
  • Дата начала Дата начала
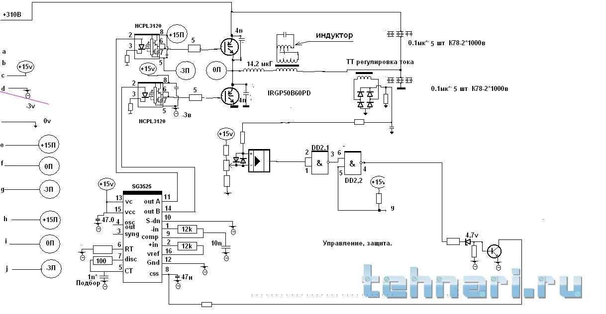
Вот, практическая схема защита от КЗ, она же регулировка мощности. Выбрал 8 ножку, она оказалась эффективнее 10 ножки. Тут нет регулировки напряжения. Но, это сделать так же не проблема. Тут мощность 4,5 кватта (инвертор для индукционной плавки, работал оч. долго, КЗ не боится, проверено в работе и не один раз). Тут отдельный блок питания. Трудно сделать автопитание, т.к. надо напитывать еще оптодрайвера. Но. я привел схему , что бы показать, как можно сделать защиту.

PS Схема - параллельный резонанс, только для плавки, поэтому в схеме и нет регулировки частоты.
 

Вложения

  • 1.webp
    1.webp
    50.8 KB · Просмотры: 54
  • 2.webp
    2.webp
    57.6 KB · Просмотры: 41
  • DSC_0960.webp
    DSC_0960.webp
    93.3 KB · Просмотры: 51
  • Индкуктор_силов.блок.PNG.webp
    Индкуктор_силов.блок.PNG.webp
    38.5 KB · Просмотры: 57
  • a.webp
    a.webp
    24.2 KB · Просмотры: 48
Последнее редактирование:
Схему можно упростить, выкинуть элементы D2.1 D2.2, у меня они служили для защиты от перегрева и другие блокировки, для реле времени и прочее, при лог 0 на входе g схема останавливается. Для маломощного БП это лишнее будет. Просто выкинуть элементы и соединить вход с выходом.
 
И этот надо! Плиииз!
Вот что нашел. Печать сохранилась оказывается. Номиналы элементов переписал с платы. Намоточные данные трансформаторов и дросселя не помню, но считал в программах Старичка 51. Вспомогательный БП на биполяре не самый удачный вариант, на полевом гораздо лучше. Разводка платы крайне неудачная, длинные силовые проводники, и управа внутри силового контура. Работает конечно, но лучше переделать. Но если всё же кому пригодится, буду рад! Пользуйтесь на здоровье! Два архива, один с моими вариантами, другой форумчанина Сергея, ака Sergej. Спасибо ему большое за эту конструкцию!
 

Вложения

Если поищете, можете увидеть доказательства тому
Да ну я же не ДОЗНАВАТЕЛЬ, никого нив чём обвинять и уличать не собираюсь. Мне просто нужна помощь . думаю и другим на форуме интересно, Я не пойму. почему везде пишут. что ИИП для УМЗЧ не пригоден? Несколько лет назад починил найденный на помойке Бум-LG SB74, звук там конечно так себе, но каких либо ВЧ помех от ИБП-, атам именно такой я не услышал, захотел попробовать ИИП в УМЗЧ.
Тему про ИИП продвинутых новичков читал давно. там Сумбур какой-то все переделывают на свой лад и никакой конкретной схемы в окончательном варианте я не нашёл, нет схемы там есть . но потом кто -нибудь пишет а вот там 10 ошибок надо переделывать а то взорвётся. а другой пишет . что у этого ещё больше ошибок. короче я не разобрался по какой из схем делать и ещё не владею работой в проге Старичка- по рассчёту моточных изделий, если бы кто обьяснил с чего начинать?
 
ИИП для питания УМЗЧ вполне пригоден. Я сделал кучу импульсных преобразователей 24в в 12в и все работало в нормальном режиме (у автобусов аккумуляторы -24в, а в основном питание для автомобильной радиотехники -12в, если делать аналоговый БП, то такие БП сильно греются, соотв не надежны, много мощности не получишь, а водители автобусов любят всякие усилители, видео устройства довольно большой мощности. Так делал преобразователи на 200-300 ватт. И ни каких претензий по качеству, частота преобразователя 40-50 кгц, больше и не надо, но и меньше будет уже плохо. Если преобразователь сделать на звуковой частоте, то действительно будет неприятный фон на частоте преобразователя.
 
Тему про ИИП продвинутых новичков читал давно. там Сумбур какой-то все переделывают на свой лад и никакой конкретной схемы в окончательном варианте я не нашёл, нет схемы там есть . но потом кто -нибудь пишет а вот там 10 ошибок надо переделывать а то взорвётся. а другой пишет . что у этого ещё больше ошибок. короче я не разобрался по какой из схем делать
В архиве Sergej оригинальные и полностью рабочие схемы и платы Сергея, особенно мне нравится плата блока питания на 900 ватт, отлично разведена
 
Интересно почему?
Обратноходы не любят динамическую нагрузку. В классе А, с постоянной нагрузкой по идее должны вести себя неплохо. Хотя у меня работает нормально и в АБ-шнике
 
Обратноходы не любят динамическую нагрузку. В классе А, с постоянной нагрузкой по идее должны вести себя неплохо. Хотя у меня работает нормально и в АБ-шнике
Это просто не умеете делать обратноходы, все они любят.


Расчет катушки. Полумост, двухтакт.
Надо надо рассчитать число витков, я провожу такой расчет по эмпирической формуле: (у меня прописан по этой формуле калькулятор, ни единого сбоя)
W=dT*U/(100*S*В)
Где:
W- витки штук.
dT- время импульса мкСек .
U- напряжение действующее вольт
S- площадь поперечного сечения магнитопровода, см квадратных , обычно оно одинаково во всех частях, но если оно разное,то в самой тонкой части.
В- рабочая индукция, Тесла, которая на 10-20% ниже индукции насыщения. при мах возможном напряжении.
Пример, у нас ферритовое кольцо, К40*25*11(внешний диаметр 40 мм , внутренний- 25мм, высота -11 мм. Тогда площадь поперечного сечения: 0,825 кв см.
Рабочая индукция: индукция насыщения (4 стока) 0,39. Иногда пишут, что это индукция насыщения, иногда пишут так.
Или В1= 0,39*0.9=0,35 В2=0,39*0,85=0.31 (берется 2 цифры, сокращается в меньшую сторону, т.е 0,319 будет после сокращения 0,31). Т.е рабочая индкуция равна: от 0.35 до 0.31. Можно брать для расчета меньше, больше нельзя, иначе есть опасность насыщения. И это до 50-70 кгц, при большей частоте уже берется меньше не на 10-20%, а больше. Посему я и больше частоту преобразователя 50 кгц не делаю. Выберем рабочую индукцию 0.3.
Напряжение у нас 220в, т.е.после выпрямителя , на конденсаторах будет 310в. Для полумоста берется в 2 раза меньше напряжение, или 155в. Преобразователь - двухтактный (у нас микросхема SG3525), тогда рабочая индукция изменяется от -В до +В, или 0.6 Тесла (у однотактных - от 0 до В, или 0,3 Тесла). Частота 50 кгц.
Расчет витков:
W=dT*U/(100*S*В)
dT=(1/50000)*1000000=20 мкСек. Импульс работает половину времени, или 10 мкСек.
Тогда: W=10*155/(100*0.825*0,6)=31,3 витка. или 32 витка.
Первичка -32 витка, соотв, имеем 4,84 вольт на виток. Надо нам 12в? 12/4,84=2,48 витка, или 3 витка(лишнее напряжение уберется регулировкой), или возьмем 4 вольт на виток (уменьшать В можно, увеличивать - нельзя, или это увеличивать витки можно). Тогда первичка будет: 38 витков. Выберем
Или первичка= 38 витков. вторичка- 3 витка.
Прооверка: 38=155
3=х
х=3*155/38=12,23в. Мало, ведь 0.6в упадет на диоде. Тогда подберем вторичку,
возьмем 37 витка. 3*155/37=12,57в. Вполне нормально для нестабилизированногот питания около 12 в с учетом падения на диоде.
Какую мах мощность можно вытянуть на этом кольце? У нас 37 витка, внутренний диаметр кольца - 25 мм. Итого: 25*Pi=25*3,14=78.2 мм
У нас 37 витков, берется на 5 % больше (есть зазор, прокладки они уменьшают), итого 40 витков. Или провод первички мах 1мм, ограничен Скин слоем, он равен 0,5-0,6мм для меди. ( такие преобразователи мотаются в один ряд, если больше, то резко падает КПД, за счет роста индукции рассеяния). И всегда мотаются те витки, которых больше.
Вторичка не критична. 3 витка можно намотать толстым проводом.
Итого, провод 1 мм, это площадь сечения 0,785 кв мм. Ток допустимый макисальный для ИИП -7а, или 7*0,785=5,5а. или 5,5А*155в=852ватта. если надо больше, то придется мотать в 2 провода по 0.9мм, но мах мощность будет 1,5 кватт, на таком одном кольце это максимум, что можно получить. (это мы рассчитали габаритную мощность).
Итого: преобразователь, двухтактный, полумост, кольцо К49*25*11. первичка -37 витков, вторичка - 3 витка, выходное напряжение - 12в. Мощность , зависит от провода, но мах возможная (или габаритная) на данном кольце - 1,5 кватта.
 

Вложения

  • 1.webp
    1.webp
    47.7 KB · Просмотры: 46
Вот мои калькуляторы, делает то же, что и в прошлом посту, только не надо считать. Сравнивал с калькулятором старичка, 100% сходимость в расчетах.
Создает файл, там хранит прошлые данные, что бы потом не набирать, то не бойтесь, это не вирус, это простой текстовый файл.
 

Вложения

  • TT.ZIP
    TT.ZIP
    520.4 KB · Просмотры: 31
Вот расчет с помощью калькуляторов. то же самое получается. Второй рассчитывает рабочий ток (т.е. габаритную мощность) и нужную длину провода. Это удобно, однако.
 

Вложения

  • 2.webp
    2.webp
    98.7 KB · Просмотры: 45
Ребят всем спасибо . особенно Дерба и Глюскон Буду пробовать . если возникнут вопросы буду спрашивать!
 
Всё хорошо, но кольца надо покупать и искать, а денег в связи с тем. что страну опустили в связи с короной НЕТ! Зато без дела лежит много ш-е образных трансформаторов в том числе и из комьпьютерных ИБП, нельзя ли использовать ИХ?
 
Всё хорошо, но кольца надо покупать и искать, а денег в связи с тем. что страну опустили в связи с короной НЕТ! Зато без дела лежит много ш-е образных трансформаторов в том числе и из комьпьютерных ИБП, нельзя ли использовать ИХ?
Запросто. Сам, к примеру, никогда не мотал на кольце, только на E, EI сердечниках
 
Всё хорошо, но кольца надо покупать и искать, а денег в связи с тем. что страну опустили в связи с короной НЕТ! Зато без дела лежит много ш-е образных трансформаторов в том числе и из комьпьютерных ИБП, нельзя ли использовать ИХ?
__________________
Конечно можно. Только тут надо брать Ш образный сердечник без зазора. Вот, как тот, что слева. (справа видно, что средний керн ниже крайних. это магнитопровод только для обратноходов, для прямохода полумоста или моста на SG3525 не годится). Кстати, у меня можно в калькуляторе рассчитывать такие магнитопроводы.
 

Вложения

  • 1_3.webp
    1_3.webp
    8.3 KB · Просмотры: 20
Последнее редактирование:
Кстати, у меня можно в калькуляторе рассчитывать такие магнитопроводы.
Теперь остаётся только понять как разобрать такие трансформаторы, те расклеить сердечник. Да везде говорят что их типа можно кипятить и они разваливаются сами. но Павел И. который учил меня ремонту сварочников говорил -только не перегревай и не переохлаждай ферриты,как то ещё вроде в ацетоне клей размачиваются!
 
Перегревать феррит можно, только что бы нагрев был равномерным. Иначе появляются разные трещины, типа микротрещин. и феррит плохо работает. Проверено на практике.

Я разъединяю феррит просто: у меня алюминиевая кастрюлька, на дно насыпаю немного песка (для более равномерного и медленного разогрева), ставлю на подставки трансформатор (кусочки красного кирпича, почему красный? он пористый, соотв не вызывает неравномерного разогрева), что бы все было в воздухе и не касалось песка, только касалось кирпича. И у меня лабораторная плитка, 350 ватт, включаю. Через время, ок 30 мин, может и больше трансформатор равномерно прогревается, клей размягчается, и легко разбирается. Это я проделывал оч много раз, даже и не сосчитаю сколько. И все время разбор удачен, и все работало без проблем. Тут главное равномерный разогрев, иначе будут температурные напряжения и портится феррит. Разбираю потом в строительных рукавицах, горячим.

Переохлаждение не пробовал, но мне интересно, что будет с ферритом, если разогрев равномерный? Думаю, что ни чего страшного. Да, сейчас посмотрю даташит, на рабочую температуру.
 
Последнее редактирование:
Вот, рекомендации по нагреву:
Если температура изменяется быстрее 5-10°C/мин, на феррите образуются трещины. Кроме того, необходимо обеспечить согласование коэффициента теплового расширения (CTE) адгезивов с CTE феррита. В противном случае скорость расширения или сжатия адгезива может оказаться выше аналогичной скорости феррита; в результате могут появиться трещины, ухудшающие свойства сердечника.
Вот нашел, рабочая температура феррита от минус 60оС до плюс 155оС. Если не будете охлаждать меньше минус 60 оС, то ни чего с ферритом не будет. Меньше не известно, но, по видимому просто не исследовали, что будет с ферритом при более низких температурах. Хотя рекорд, а Антарктиде зафиксировали минус 91,2 градусов Цельсия.
 

Вложения

  • 1.PNG.webp
    1.PNG.webp
    23.9 KB · Просмотры: 31
Последнее редактирование:
Ну понял придётся экспериментировать , способ критичен к условиям!
 
в целом остановился пока на такой схеме: Пока задача с колец RC40 переийти на Е сердечники, и вместо 14 в сделать 12 буду изучать как сделать.
 

Вложения

  • Blok-pitaniya-DA-power-300W-zaryadnik-14v (1).gif
    Blok-pitaniya-DA-power-300W-zaryadnik-14v (1).gif
    58.6 KB · Просмотры: 71
Назад
Сверху