• Добро пожаловать на компьютерный форум Tehnari.ru. Здесь разбираемся с проблемами ПК и ноутбуков: Windows, драйверы, «железо», сборка и апгрейд, софт и безопасность. Форум работает много лет, сейчас он переехал на новый движок, но старые темы и аккаунты мы постарались сохранить максимально аккуратно.

    Форум не связан с магазинами и сервисами – мы ничего не продаём и не даём «рекламу под видом совета». Отвечают обычные участники и модераторы, которые следят за порядком и качеством подсказок.

    Если вы у нас впервые, загляните на страницу о форуме и правила – там коротко описано, как задать вопрос так, чтобы быстро получить ответ. Чтобы создавать темы и писать сообщения, сначала зарегистрируйтесь, а затем войдите под своим логином.

    Не знаете, с чего начать? Создайте тему с описанием проблемы – подскажем и при необходимости перенесём её в подходящий раздел.
    Задать вопрос Новые сообщения Как правильно спросить
    Если пришли по старой ссылке со старого Tehnari.ru – вы на нужном месте, просто продолжайте обсуждение.

Нужен хороший предусилитель

550 и 560 нет у меня
Наши поставь 3102 и 3107
еще под питание + -32 в.адаптировать его
Ну это совсем просто. Собери обычный стаб на транзисторе, как по +, так и по -. На кт 814 - 815. Это если нет 78l18, 79l18. Хотя последние греться будут, как утюг. Лучше на транзисторах.
операционник с К.У. порядка 10 даёт больше шумов , чем собрать такое-же на транзисторах
Здесь что то не так. Шуметь ОУ может по многим причинам : питание, возбуд, ООС, чувствительность, и т.д. Если всё сделать правильно, то никаких шумов не будет.
 
Превзойдите по шуму НЕ5532 или ОРА1642
 
Не заостряемся ребята.хочется ближе к теме.ОУ в любом случае отпадает.усилитель винтаж 78-79 года,не нужен там операционник.посмотрел по даташиту,есть у меня пара 7815,7915.,до 40 вольт подавать можно.только почти на пределе работать будет.но в ворота попадает
 
Собери обычный стаб на транзисторе, как по +, так и по -. На кт 814 - 815. Это если нет 78l18, 79l18. Хотя последние греться будут, как утюг. Лучше на транзисторах.
Поставить последовательно с 78... резисторы Ватта на 2 пусть греются все вместе и утюга не будет . А чему там греться ? ток потребления не большой .
 
Типа что лучше строить,церковь или тюрьму? конечно церковь..и две тюрьмы:cebur:
 
Очень неплохие показатели выходят.из 20ти 5551-11ть-показывает прибор 207,6-217.и только три меньше 200.смотрю 5401.
 
Почему.транзисторы как 5551,только прямой проводимости.с ними несколько хуже дела.только 4-161,пара 205,остальные вразнобой.
 
Вот и вопрос-обратные транзисторы подобраны на 207.прямые в схеме Фокуса должны быть не ниже сколько?
 
+-50 Роли не сыграют .
Да? Ну, теперь буду знать! А то я подбирал с +- 1%. И с нулём на выходе проблем не было, и ваще....
обратные транзисторы подобраны на 207.прямые в схеме должны быть
Тоже 207, или очень близко к этому!
 
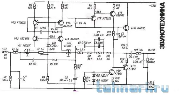
в Ж Радио 12 1988г стр 38 вот такой усилитель - корректор, заменить обратную связи, то получим прекрасный малошумящий предварительный усилитель. Т.е С6, С7, С8 убрать, и убрать С3 R5, R14,R16,R18,R2, С6. И поставить стандартные цепи для предвартельгного усилителя.
Т.е. убрать старую ООС и заменить все на стандартную ООС. Очень низко шумящий усилиель. Очень линейный, КНИ в диапозоне напряжений оказался ниже шумов.
Я в свое время его делал. Нужен отбор полевиков по параметрам для диф каскада. Но качество работы действительно, отличное.
Отбор по начальному току и напряжению отсечки.
 

Вложения

  • 2.webp
    2.webp
    23.2 KB · Просмотры: 92
Да? Ну, теперь буду знать! А то я подбирал с +- 1%. И с нулём на выходе проблем не было, и ваще.... Тоже 207, или очень близко к этому!
Похоже что 5401 надо пару сотен купить,чтобы десяток отобрать.сейчас в своих запасниках буду смотреть что еще есть.
 
Я в свое время его делал.
Я тоже делал эту Ямаху, но только как корректор. Как корректор работал хорошо, но шумновато , потому что
Нужен отбор полевиков по параметрам для диф каскада.
У Ямы на входе стоит полевая сборка. Ну, а в принципе, сделать из этого корректора предварительный усилитель, это как два пальца об асфальт.
 
Похоже что 5401 надо пару сотен купить
В хозяйстве пригодятся! Мало ли что? А если серьёзно, то эта схема будет работать в любом случае, и при любом раскладе. Ну, с нулём на выходе немного поковыряешься, и всё...
 
Я тоже делал эту Ямаху, но только как корректор. Как корректор работал хорошо, но шумновато , потому что У Ямы на входе стоит полевая сборка. Ну, а в принципе, сделать из этого корректора предварительный усилитель, это как два пальца об асфальт.
Из сотни транзисторов я отобрал 2 пары.(для стерео, хотя пар отобрал больше, но использовал 2) . Шума практически не было,на полной громкости без фонограммы слегка прослушивался. И делал именно предварительный.
А почему Ямаха? Эта схема разработана в ФРГ. Видел схему первоисточника. Ямаха возможно передрала, или купила патент на схему, как у них полагается. Но , разработана и впервые сделана немцами.
 
Назад
Сверху