• Добро пожаловать на компьютерный форум Tehnari.ru. Здесь разбираемся с проблемами ПК и ноутбуков: Windows, драйверы, «железо», сборка и апгрейд, софт и безопасность. Форум работает много лет, сейчас он переехал на новый движок, но старые темы и аккаунты мы постарались сохранить максимально аккуратно.

    Форум не связан с магазинами и сервисами – мы ничего не продаём и не даём «рекламу под видом совета». Отвечают обычные участники и модераторы, которые следят за порядком и качеством подсказок.

    Если вы у нас впервые, загляните на страницу о проекте, чтобы узнать больше. Чтобы создавать темы и писать сообщения, сначала зарегистрируйтесь, а затем войдите под своим логином.

    Не знаете, с чего начать? Создайте тему с описанием проблемы – подскажем и при необходимости перенесём её в подходящий раздел.
    Задать вопрос Новые сообщения Как правильно спросить
    Если пришли по ссылке со старого Tehnari.ru – вы на нужном месте, просто продолжайте обсуждение.

Обратный звонок 220V и реле

Статус
В этой теме нельзя размещать новые ответы.
Вначале свет был включен я пошел позвонил в дверь, затем пришел и выключил свет и проделал туже операцию
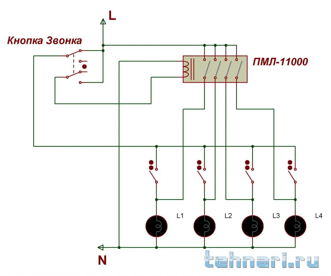
А вы заметили, что во время первого эксперимента лампа моргнула? Вот и получается так что НЗ контакт сначала подрывает питание светильника, а при дальнейшем нажатии замыкается НО контакт и срабатывает пускатель. Силовые контакты пускателя стоят параллельно цепи кнопка НЗ-комнатный выключатель. И больше здесь "умножать" нечего. Схема элементарная, с минимумом вмешательства в разводку! В место ПМЛ можно поставить любое малогабаритное реле.
 
Повторюсь она рассчитана на ток 6,0 А
Но откуда такие знания, я и сам не знаю какая там кнопка установлена, но думаю она рассчитана на токи свыше 10 Ампер.
 
Вот ваша схема! Остаётся решить вопрос с "самоподхватом" пускателя. Есть ли он и чем "самоподхват" снять? Должна быть ещё одна кнопка для "сброса".
 

Вложения

  • Звонок.webp
    Звонок.webp
    13.1 KB · Просмотры: 59
все запустил, спасибо всем за помощь, вы очень помогли и наталкивали меня на разные мысли. ОГРОМНОЕ СПАСИБО.

Действительно кнопка установлена двухуровневая, и вначале происходит размыкание цепи потом уже подается напряжение на пускатель. Вот схема сего чуда, как оказалось все очень просто. Но я почему то думал что свет выключается. А оказалось что он выключается на пол секунды. Вот финальная схема. Всем спасибо еще раз.
Схема звонка.png.webp
 
Но откуда такие знания, я и сам не знаю какая там кнопка установлена, но думаю она рассчитана на токи свыше 10 Ампер.
А вы не думайте, а просто найдите паспорт (технические данные КЕ или ПКЕ). Я 20 лет в "релейке работаю". У меня таких кнопок в каждой ячейке по 3 штуки!
 
Действительно кнопка установлена двухуровневая,
Мне интересна сама кнопка, её конструкция, конечно она наверное у вас вмурована в стену. Но может у кого есть фото такой кнопки. О Lastik наверное в курсе?
 
Охренеть не встать! Питание на освещение всей квартиры подавать через кнопку звонка! Надо же было до такого додуматься!
 
А оказалось что он выключается на пол секунды. Вот финальная схема.
Никакие там не пол секунды!tehno014 Время между замыканием НО и размыканием НЗ зависит от скорости (усилия) нажатия на кнопку. У меня защиты настроены на отключение масляных вакуумных (высоковольтных) выключателей на 0,3-0,5 сек (для вводных ячеек) для максимально токовой защиты (МТЗ) и 0,1-0,15 сек для токовой отсечки (ТО) отходящих ячеек. Так вот... Время кнопки ближе к ТО чем к МТЗ. А 0,3-0,5 сек это длительное время. Поверьте.
Схема один в один как и у меня...
 
Охренеть не встать! Питание на освещение всей квартиры подавать через кнопку звонка! Надо же было до такого додуматься!
Для "хитрого электрика" это всё само собой. Я таких елехтрихов "баранами" называю. Я против такой схемы однозначно!tehno014
 
Ну вот все стало на свои места, а то сразу мозги пудрит, Чукча очень рад ... :D
 
Мне интересна сама кнопка, её конструкция, конечно она наверное у вас вмурована в стену. Но может у кого есть фото такой кнопки.
Ничего там сложного... Два подпружиненных контакта "мостикового типа" и толкатель. За счёт пружинок и есть некоторый "свободный ход" толкателя после того как контакт замкнулся или пока не разомкнулся. Объяснить сложно (да и лень). Нужно просто взять её в руки и один раз разобрать и собрать...
 
Даа.... Кстати... Забыл упомянуть, что дополнительные провода, требующие прокладки, я выделил сиреневым цветом.
И это ещё хорошо если в доме цепи освещения изначально были отделены от силовых! Обычно всё совмещали, для экономии материалов. Так что тут видимо осветительную сеть делали дополнительно. (но я могу и ошибаться). Но если не переделывали и вместе со светом ещё и розетки фазу теряют, то это ВАААЩЕ КОШМАР!
Ещё раз озвучу. МАКСИМАЛЬНЫЙ ТОК КОНТАКТОВ для КЕ -6,0 А! Он же предельный!
Кнопок на ток свыше 10 А я лично не видел.
Р.С. Галетные переключатели бывают на 6, 10, 16, 25 и 40 А. Габариты и контакты там соответствующие.
 
Последнее редактирование:
Мне бы фото такой кнопки,
Заводские они! Говорю же у меня на оборудовании они сплошь и рядом! Кстати очень надёжные по сравнению с нынешними ИЭК...
Забиваешь в поисковике "ВЫКЛЮЧАТЕЛИ КНОПОЧНЫЕ серии КЕ". Там всё есть Файл ПДФ.
Кстати сам посмотрел НОМИНАЛЬНЫЙ ТОК 10 А. Но всё дело в том что контакты окисляются и пружинки ослабевают. 10 А для них это уже предельный ток!
 
О! В другом источнике говорится что 10 А максимальный ток для КЕ... Да в принципе там на самой кнопке есть штамп (гравировка) о номинальном токе... Хрен сотрёшь...
 
Заводские они!
НОМИНАЛЬНЫЙ ТОК 10 А.
А.. нашел спасибо. Ну так а для освещения 10А с лихвой хватит. У топикстартера через кнопку только освещение задействовано.
 
для освещения 10А с лихвой хватит.
C таким же успехом моя схема из поста #63 c лёгкостью реализуется на реле РП21М с тремя парами переключающихся контактов. Габариты реле в 4-ре раза меньше чем у пускателя ПМЛ. Каждая пара будет работать на отдельную комнату и их можно защитить однополюсными автоматами. Нагрузка распределяется по 3-м контактам! Всяко лучше чем через 1-н контакт "суперкнопки" (КЕ). И допускает использование обыкновенной слаботочной. Сопротивление катушки РП21М более 10 кОм. У пускателя она раз в 10 ниже, так как в магнитопроводе имеется зазор и что-бы притянуть якорь нужна хорошая мощность (и естественно ток).
Для Конечной схемы, временное срабатывание реле, для замыкания контактов на короткое время, выигрышнее чем у пускателя. К тому же у пускателя мало НЗ контактов. Их можно добыть только дополнительной приставкой. А в РП21М они уже имеются!
 
Охренеть не встать! Питание на освещение всей квартиры подавать через кнопку звонка! Надо же было до такого додуматься!
Я таких елехтрихов "баранами" называю. Я против такой схемы однозначно!
У нас счетчики на двор выносили, дак "профессионалы" сделали так: от счетчика до пробок пустили медь 6.0 квадрата, но видимо не хватило, они скруткой наточили алюминий2.5 квадрата. При том что в хате к всем потребителям идет медь 2.5. Работало все годов шесть, до первого включения сварочного инвертора:))
 
от счетчика до пробок пустили медь 6.0 квадрата, но видимо не хватило, они скруткой наточили алюминий2.5 квадрата.
Если до счётчика отсутствует защитный автомат или предохранитель, а до счётчика стоит медь 6 мм2, то после счётчика логично ставить провод такого-же сечения. Это нужно что-бы под пломбы счётчика не лазать если при КЗ на участке до автомата произойдёт! Защита должна по питающей линии отработать! Вот если до счётчика 2,5 мм2 стоит, и в квартиру 4 мм2 идёт, то 6 мм2 (от счётчика до автомата) уже не логично получается (хотя и надёжно)... Ту нужно токи КЗ петли Фаза-Нуль считать.
Не совсем понял при чём тут алюминий 2,5 мм2 появился. Это явное нарушение... Требуется делать полностью из меди (на сегодняшний день). Ранее допускалось полностью алюминиевым...
Работало все годов шесть, до первого включения сварочного инвертора
Вот тут связи не вижу... Что произошло-то?
 
Статус
В этой теме нельзя размещать новые ответы.
Назад
Сверху