выдрать-бы из этой схемы стабилизатор тока .....
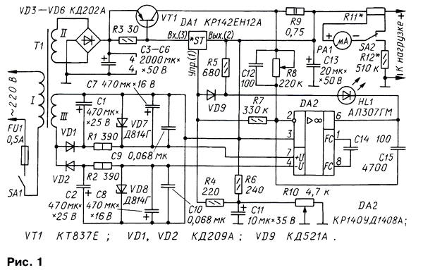
Источник удобен для питания налаживаемых электронных устройств и зарядки аккумуляторных батарей. Стабилизатор построен по компенсационной схеме, которой характерен малый уровень пульсаций выходного напряжения и, несмотря на невысокий по сравнению с импульсными стабилизаторами КПД, вполне соответствует требованиям, предъявляемым к лабораторному источнику питания. Принципиальная электрическая схема источника питания показана на рис. 1. Источник состоит из сетевого трансформатора Т1, диодного выпрямителя VD3-VD6, сглаживающего фильтра СЗ-С6, стабилизатора напряжения DA1 с внешним мощным регулирующим транзистором VT1, стабилизатора тока, собранного на ОУ DA2 и вспомогательном двуполярном источнике его питания, измерителя выходного напряжения/тока нагрузки РА1 с переключателем SA2 "Напряжение/'Ток".

В режиме стабилизации напряжения на выходе ОУ DA2 высокий уровень, светодиод HL1 и диод VD9 закрыты. Стабилизатор DA1 и транзистор VT1 работают в стандартном режиме. При сравнительно небольшом токе нагрузки транзистор VT1 закрыт, и весь ток протекает через стабилизатор DA1. При увеличении тока нагрузки увеличивается падение напряжения на резисторе R3, транзистор VT1 открывается и входит в линейный режим, включаясь в работу и разгружая стабилизатор DA1. Выходное напряжение задает резистивный делитель R6R10. Вращением ручки переменного резистора R10 устанавливают требуемое выходное напряжение источника. Сигнал обратной связи по току снимается с резистора R9 и поступает через резистор R8 на инвертирующий вход ОУ DA2. При увеличении тока сверх значения, устанавливаемого переменным резистором R8, напряжение на выходе ОУ уменьшается, открывается диод VD9, включается светодиод HL1 и стабилизатор переходит в режим стабилизации тока нагрузки, индицируемый светодиодом HL1. Вспомогательный маломощный двуполярный источник питания ОУ DA2 собран на двух однополупериодных выпрямителях на VD1, VD2 с параметрическими стабилизаторами VD7R1, VD8R2. Их общая точка соединена с выходом регулируемого стабилизатора DA1. Такая схема выбрана из соображений минимизации числа витков вспомогательной обмотки III, которую нужно дополнительно намотать на сетевой трансформатор Т1. Большинство деталей блока размещено на печатной плате из фольгированного с одной стороны стеклотекстолита толщиной 1 мм. Чертеж печатной платы представлен на рис. 2. Резистор R9 составлен из двух сопротивлением по 1,5 0м мощностью 1 Вт. Транзистор VT1 закреплен на штыревом теплоотводе с внешними размерами 130x80x20 мм, представляющем собой заднюю стенку кожуха источника. Трансформатор Т1 должен иметь габаритную мощность 40...50 Вт. Напряжение (под нагрузкой) обмотки II должно быть около 25 В, а обмотки III - 12 В.

При указанных на схеме номиналах элементов блок обеспечивает выходное напряжение 1,25...25 В, ток нагрузки - 15...1200мА. Верхний предел напряжения при необходимости можно расширить до 30 В подборкой резисторов делителя R6R10. Верхний предел тока также можно поднять, уменьшив сопротивление шунта R9, но при этом придется установить диоды выпрямителя на теплоотвод, применить более мощный транзистор VT1 (например, КТ825А—КТ825Г), а возможно, и более мощный трансформатор. Сначала монтируют и проверяют выпрямитель с фильтром и двуполярный источник питания для ОУ DA2, затем все остальное, кроме DA2. Убедившись в работоспособности регулируемого стабилизатора напряжения, впаивают ОУ DA2 и проверяют под нагрузкой регулируемый стабилизатор тока. Шунт R11 изготавливают самостоятельно (его сопротивление - сотые или тысячные доли Ома), а добавочный резистор R12 подбирают под конкретный имеющийся микроамперметр. В моем источнике применен микроамперметр М42305 с током полного отклонения стрелки 50 мкА. Конденсатор С13 в соответствии с рекомендациями производителя стабилизатора К142ЕН12А желательно использовать танталовый, например, К52-2 (ЭТО-1). Транзистор КТ837Е может быть заменен на КТ818А-КТ818Г или КТ825А-КТ825Г. Вместо КР140УД1408А подойдут КР140УД6Б, К140УД14А, LF411, LM301A или другой ОУ с малым входным током и подходящим напряжением питания (может потребоваться коррекция рисунка проводников печатной платы). Стабилизатор К142ЕН12А можно заменить импортным LM317T. Если необходимо, чтобы выходное напряжение можно было регулировать от нуля, нужно в источник добавить гальванически развязанный дополнительный стабилизатор напряжения на 1,25 В (его можно собрать также на К142ЕН12А) и подключить его плюсом на общий провод, а минусом - к соединенным вместе правым выводом и движком переменного резистора R10, предварительно отключенным от общего провода.
и запихать в корпус от батарейки А было-бы идеально
а плавное нарастание я смог-бы реализовать с помощью реле

)