Смотрите видео ниже, чтобы узнать, как установить наш сайт в качестве веб-приложения на домашнем экране.
Примечание: Эта возможность может быть недоступна в некоторых браузерах.
Добро пожаловать на компьютерный форум Tehnari.ru. Здесь разбираемся с проблемами ПК и ноутбуков: Windows, драйверы, «железо», сборка и апгрейд, софт и безопасность. Форум работает много лет, сейчас он переехал на новый движок, но старые темы и аккаунты мы постарались сохранить максимально аккуратно.
Форум не связан с магазинами и сервисами – мы ничего не продаём и не даём «рекламу под видом совета». Отвечают обычные участники и модераторы, которые следят за порядком и качеством подсказок.
Если вы у нас впервые, загляните на страницу о проекте, чтобы узнать больше. Чтобы создавать темы и писать сообщения, сначала зарегистрируйтесь, а затем войдите под своим логином.
Ну без схемы сложно определить причину. Возможно транзистор пробит. Он у тебя сигнал сильно просаживает, и изменяеться ли громкость сигнала при подключенном и отключенном питании?я уже разобрался, подключил, но работает нормально один канал, а второй - еле-еле слышно в чём может быть причина и звук есть, даже если на ТБ питание не подключено
Кондёрчики электролитические замени. Подсохли уж поди, в сарае то валямши!а второй - еле-еле слышно
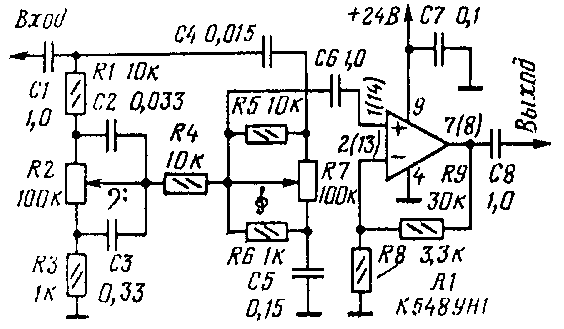
а что вы скажете по поводу этой схемы? пассивный тембр, а микра - компенсирует потерю сигнала, печатку заодно проверьте, делал сам печатку. схему выбрал из-за малошумности микры (читал в характеристиках) и наличия самой микросхемы
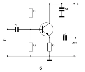
Он нужен для того, что бы согласовать темброблок, с предыдущим каскадом .а зачем он нужен эмиттерный повторитель?
Красивая такая. Красненькая. Я так рисовать не умею. Всё больше по старинке, карандашиком....что по поводу печатки скажите?
По этому можно поставить эмиттерный повторитель ( а лучше ещё и с генератором тока ) на выходе. Получится, что ЭП на входе увеличит входное сопротивление узла, а ЭП на выходе снизит, тем самым позволив работать на низкоомную нагрузку.выходное сопротивление темброблока довольно велико.
я тоже не умел, пока не попробовал. оказалось легче чем думалосьЯ так рисовать не умею.