Помогите определить где первичка

  • Автор темы Автор темы WRX
  • Дата начала Дата начала
всмысле полностью т.е. с первичкой?
 
А обмотки на стендбай и управление сильно нужны?...ну, можно ее не трогать. А какая нужна вторичка?
 
ну для тда7294
 
Тогда проверяйте левую верхнюю обмотку (см. схему, которая со средней точкой) под нагрузкой. Правда, одна tda7294 в пике может потреблять до 10А, поэтому запаса по мощности ожидать с этим трансом не приходится.
 
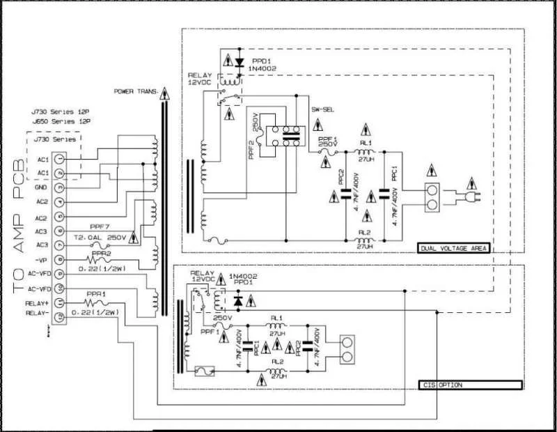
я тока одно не могу понять с какой стороны нумерация штырьков первички
 
Смотрите по схеме, все же показано. Проверяем омметром (наибольшее сопротивление, на штырьки должен приходить тонкий провод).
 
можно же схему вот так собрать?
 

Вложения

  • 47925d1314292136-ah26-00297a.webp
    47925d1314292136-ah26-00297a.webp
    73.2 KB · Просмотры: 736
Не просто можно - даже нужно )
 
проблемка, у меня 10 штырьков на вторичке
 
Конечно, проблемка, если на схему не смотреть :)

*пины 1-2 (ас1,ас2 - отмечены пунктиром) в данной версии трансформатора отсутствуют.
 
Прощу прощения. Новичок. Нужно определить первичку транса. Модель не известна. Имеется переключатель напряжения входного 220, 127, 110.
При 220: сопротивления между выводами 1362, 16, 102, 98, 200 Ом.
При 127: 1392, 5(вместо 16), 102, ... .
При 110: 1362, 4(вместо 5),... .
То есть первичка 220 это между выводами которого 16 Ом?
 
Прощу прощения. Новичок. Нужно определить первичку транса. Модель не известна. Имеется переключатель напряжения входного 220, 127, 110.
При 220: сопротивления между выводами 1362, 16, 102, 98, 200 Ом.
При 127: 1392, 5(вместо 16), 102, ... .
При 110: 1362, 4(вместо 5),... .
То есть первичка 220 это между выводами которого 16 Ом?
скорее где 1362 Ом,а 16 Ом это вторичка,фотку бы посмотреть.
 
Назад
Сверху