• Добро пожаловать на компьютерный форум Tehnari.ru. Здесь разбираемся с проблемами ПК и ноутбуков: Windows, драйверы, «железо», сборка и апгрейд, софт и безопасность. Форум работает много лет, сейчас он переехал на новый движок, но старые темы и аккаунты мы постарались сохранить максимально аккуратно.

    Форум не связан с магазинами и сервисами – мы ничего не продаём и не даём «рекламу под видом совета». Отвечают обычные участники и модераторы, которые следят за порядком и качеством подсказок.

    Если вы у нас впервые, загляните на страницу о проекте, чтобы узнать больше. Чтобы создавать темы и писать сообщения, сначала зарегистрируйтесь, а затем войдите под своим логином.

    Не знаете, с чего начать? Создайте тему с описанием проблемы – подскажем и при необходимости перенесём её в подходящий раздел.
    Задать вопрос Новые сообщения Как правильно спросить
    Если пришли по ссылке со старого Tehnari.ru – вы на нужном месте, просто продолжайте обсуждение.

Помогите, пожалуйста, описать схему

Точки соединения расставил правильно.
Ну это понятно, была закоротка и втом числе первички ТС. Может скажешь что такое Блок БИТ или сразу описание силовой схемы дашь? В описании *.pdf нет БИТ ?... :)
 
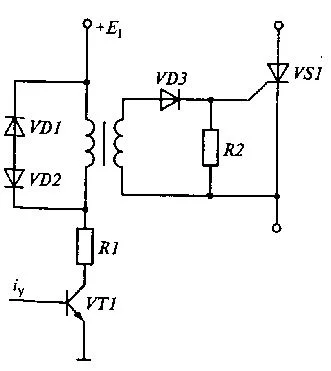
Блоки импульсных тр-ров для управления тиристорами примерно одинаковую схемотехнику имеют. Там фиг чего нового изобретёшь. Принцип привожу на картинке. А у потерпевшего нашего, на импульснике скорее всего две обмотки вторичных, так как открывать приходится два тиристора соединённых в параллель в плече (ибо ток протекающий один не осиливает).
 

Вложения

  • ит.webp
    ит.webp
    7.4 KB · Просмотры: 146
По поводу силовой схемы: питание с обмотки силового трансформатора (нифига на схеме не подписан, ну в общем та, где 1050 Вольт) посредством силовых контакторов QS1 QS2, подаётся на тиристорный полностью управляемый мост, образованный тиристорами VS1.....VS8. Для разгрузки по току, тиристоры в плечах моста соединены параллельно. Управление тиристорами моста осуществляется с помощью сигналов управления вырабатываемых блоком ПОМ. С блока управления ПОМ, сигналы поступают на блоки усилителей импульсов БУ1...БУ2, питание которых осуществляется от блока питания БП-ВП, который, в свою очередь питается от отдельной обмотки силового трансформатора посредством контактора К. С блоков усилителей импульсов сигналы поступают на блоки импульсных трансформаторов, которые обеспечивают гальваническую развязку между силовой схемой и схемой управления тиристорами. Трансформатор ТС служит для синхронизации системы импульсного управления с переменным напряжением питающим тиристорный мост. ДТ и ТГ - соответственно датчик тока двигателей нагрузки и тахогенератор, т.е. система регулирования является двухконтурной, в ней имеется обратная связь по току и по скорости вращения. Сигналы обратных связей с датчика тока и тахогенератора заводятся в ПОМ.
Выпрямленное напряжение с тиристорного моста посредством контактора QF1 через реактор L1 подаётся на параллельно соединённые двигатели М1 и М2 с последовательным возбуждением (L2 и L3 их обмотки возбуждения).
Ну вот как бы всё, что я увидел на схеме.
 
Да, ещё забыл, Реле РТ служит для защиты от максимального тока (короткое замыкание в нагрузке, или в тиристорном мосту). Но куда с него заводится сигнал, схема вежливо умалчивает. По железной логике, должен заводиться в ПОМ, но возможны варианты.
 
Блоки импульсных тр-ров для управления тиристорами примерно одинаковую схемотехнику имеют.
Ну это понятно, речь идет об описание схемы, типа для контрольной работы ... :)
питание с обмотки силового трансформатора (нифига на схеме не подписан, ну в общем та, где 1050 Вольт) посредством силовых контакторов QS1 QS2
QS1 и QS2 никак не контакторы, а отсечные выключатели ... :)
подаётся на тиристорный полностью управляемый мост, образованный тиристорами VS1.....VS8.
Вот это правильно, тиристор это управляемый диод ... :)
С блоков усилителей импульсов сигналы поступают на блоки импульсных трансформаторов, которые обеспечивают гальваническую развязку между силовой схемой и схемой управления тиристорами.
Вот, теперь понятно, что такое БИТ ... :)
Выпрямленное напряжение с тиристорного моста посредством контактора QF1 через реактор L1
Опять контактор, это не контактор а отсечьной выключатель, только в другой функции, как в первом случае. Кстати для чего служит реактор ?... :)

Молодец, вот теперь можно составить и описать полную картину работы схемы ... :)
 
Пусть будут выключатели. А реактор служит для того же для чего и дроссель - сглаживание бросков тока.
 
А реактор служит для того же для чего и дроссель - сглаживание бросков тока.
Ну немного не так, тогда бы назвали дросселем. Есть активные и реактивные составляющие, реактор (реактивные) ни чё не говорит? Ну да ладно, все ровно молодец !!! Думаю после выше сказанного для ТС составить описание самому не проблема, ну если только маленькие не понятки (заморочки) ... :)
 
Уважаемый Helix привёл в 22 посту схему, которая навела меня на одну мысль.
Управляющие электроды тиристоров заведены в блоки БИТ. А относительно чего они управляются? Ни от анодов, ни от катодов отводов в эти модули нет, цепь тиристоры - моторы - вторичка 1кВ изолированная, "во вне" уходят только управляющие электроды...
Ещё: не вижу смысла в таком количестве тиристоров. ИМХО в одном (минусовом, например) плече выпрямителя вполне можно поставить диоды.
 
Видишь ли Ultras, схема приведённая ТС не является принципиальной. Она скорее функциональная, отражающая взаимодействие узлов и блоков. Поэтому ты на ней не видишь отводов от катодов и анодов, как и мумерацию или наименование входов-выходов на квадратиках обозначающих блоки.
А в своём ИМХО относительно количества тиристоров ты сильно заблуждаешься, если в одно плечо поставить диоды, получится полууправляемый мост, на выходе которого напряжение будет регулироваться то 0,5U до U а не от 0.
 
схема приведённая ТС не является принципиальной. Она скорее функциональная, отражающая взаимодействие узлов и блоков
То есть дроссели L1 - L3 на блок-схеме указать надо было обязательно, а цепь включения тиристоров - это так, мелочь?
Ну, может, Вы и правы.
ты сильно заблуждаешься, если в одно плечо поставить диоды, получится полууправляемый мост, на выходе которого напряжение будет регулироваться то 0,5U до U а не от 0.
Да ну?!
m.GIF
Вот мост. Тиристоры открыты, весь ток проходит. Тиристоры закрыты - тока нет. Или "нет" - это уже не 0?
 
А у тиристора по твоему всего два состояния? Угол открытия тиристора о чём нибудь говорит? Напряжение на выходе моста регулируется Углом открытия тиристора. Да и схему ТС не сам рожал, она типовая для данной отрасли, её автор проектный имститут. Чего ты до количества тиристоров докопался. Троллиш чоль?
По поводу схемы и "недостающих соединений". Ты реальную документацию на оборудование установленное в цехах видел? А я уже 20 лет с ней работаю. Там и не такая "схематичность и условность" допускается. Не забуду если, на неделе отсканю, и тебе покажу - офигеешь!
 
Последнее редактирование:
А у тиристора по твоему всего два состояния?
Вообще тиристор - ключевой элемент.
Угол открытия тиристора о чём нибудь говорит?
А Вам? Объясню, не в лом. Угол открытия - это угол сдвига сигнала на управляющем электроде относительно фазы, поданной на катод/анод. При угле 0 градусов тиристор открывается практически вместе с началом полуволны (и закрывается, соответственно, по её окончании). А при сдвиге в 90 градусов - открытие происходит на самом пике полуволны и тиристор остаётся открытым только половину полуволны. Короче, он всегда открывается полностью, а эффективное напряжение на выходе моста регулируется длительностью открытого состояния.
А чего Вы докопались до "двух состояний"? Потому, что я упомянул в предыдущем посте только открытое и закрытое состояния? Так потому, что ранее Вы ошибочно пытались доказать, что в моём варианте (а, кстати, вариант не мой. Такие управляемые мосты с парой диодов и парой тиристоров мне попадались во вполне реальных устройствах) половина тока будет протекать.
Ты реальную документацию на оборудование установленное в цехах видел?
Не просто видел, но и чинил это оборудование, при помощи упомянутой документации. И ни разу не возникала проблема типа: "откуда взялся этот провод?" или, наоборот: "куда он делся"... за одним исключением: когда кто-то до меня основательно перепахал блок управления маслянным насосом кузнечного пресса, не оставив после себя никаких схем и пояснений.
 
Ну тогда вот, реальная документация. И тоже не нарисованы связи блоков с катодами, хотя они есть. Просто это лист с функциональной схемой, принципиальная есть в томе документации отдельно, на ней мост разрисован подробно. У ТС была как раз функциональная.
Будем о чём-то спорить дальше, или хватит уже меряться органами?
 

Вложения

  • фрагмент1_.webp
    фрагмент1_.webp
    10.4 KB · Просмотры: 58
  • фрагмент2_.webp
    фрагмент2_.webp
    8.6 KB · Просмотры: 59
Ладно не кипешитесь, это уже мелочи, что надо конкретно и для чего - для описания работы схемы, в учебном заведении или ? ...
 
тоже не нарисованы связи блоков с катодами, хотя они есть.
На этих кусках сканов не видно, куда (вправо) уходят аннодные и катодные цепи тиристоров, и откуда (слева) приходят по четыре провода на блок.
Будем о чём-то спорить дальше, или хватит уже меряться органами?
Эта... без комментариев, пожалуй, оставлю...tehno012
 
Назад
Сверху