• Добро пожаловать на компьютерный форум Tehnari.ru. Здесь разбираемся с проблемами ПК и ноутбуков: Windows, драйверы, «железо», сборка и апгрейд, софт и безопасность. Форум работает много лет, сейчас он переехал на новый движок, но старые темы и аккаунты мы постарались сохранить максимально аккуратно.

    Форум не связан с магазинами и сервисами – мы ничего не продаём и не даём «рекламу под видом совета». Отвечают обычные участники и модераторы, которые следят за порядком и качеством подсказок.

    Если вы у нас впервые, загляните на страницу о форуме и правила – там коротко описано, как задать вопрос так, чтобы быстро получить ответ. Чтобы создавать темы и писать сообщения, сначала зарегистрируйтесь, а затем войдите под своим логином.

    Не знаете, с чего начать? Создайте тему с описанием проблемы – подскажем и при необходимости перенесём её в подходящий раздел.
    Задать вопрос Новые сообщения Как правильно спросить
    Если пришли по старой ссылке со старого Tehnari.ru – вы на нужном месте, просто продолжайте обсуждение.

Помогите с ремонтом Flex-БП

  • Автор темы Автор темы Дим
  • Дата начала Дата начала
в настоящее время БП, нагруженный кулером, чётко запускается перемычкой, кулер чётко набирает обороты, но через несколько секунд всё гаснет...
Дак может опять дежурка проседает?tehno015
Что на ней в момент отключения?
Да и о чём говорить если даже не известен состав блока tehno036
На чём хоть дежурка? шим какой? супервизор?
Давай состав, Че там на сером проводе?tehno015
 
Друзья мои, давайте я сначала поменяю конденсаторы на соответствующие (3300), а потом продолжим.
В настоящее время БП ведёт себя случайно-то есть дежурка, то опять падает до ~2 в., затем появляется 5,04.
Иногда выдаёт хаотично скачущие напряжения-это видно по частоте вращения и звуку кулера. При этом, если "поднести" ухо к плате БП, то слышны тихие чёткие щелчки...
Короче, загадка..))
Данные элементов на радиаторах:
1. STPS4045CW
2. E13009, E13009, 1H0165R
Есть ОУ LM358N
 
ШИМ-это широтно-импульсный модулятор, я почитал)
Но никакой микросхемы, кроме указанных, не нашёл больше.
 
На одном радиаторе: STPS4045CW
На втором радиаторе: E13009, E13009, 1H0165R
 
Я выпаял те кондёры (1000), которые поставил вместо 3300.
Буду искать и менять-нефиг самопалом заниматься))
 
1H0165R на нём дежурка собрана.
E13009, E13009 силовые транзисторы.должен быть шим, например TL494 который качает эти транзисторы.
STPS4045CW выходной диод.
 
ШИМ-это именно микросхема?
 
Есть ещё ОУ LM358N
 
Нашёл я этот ШИМ проклятый)))
м/с КА3511
 
замена конденсаторов картины абсолютно не изменила:
1. то есть дежурка и запускается и через несколько секунд гаснет
2. то запускается, но напряжения хаотично скачут и с платы слышны тихие чёткие пощёлкивания (что это такое? дроссель?)
3. то кулер дёргается и всё гаснет
 
вот фото нахождения ШИМ-а.
Как до него добраться-ума не приложу...
Это надо всю эту платку выпаивать...
Так что у меня за симптомы-то хоть: дёрганья, щелчки, скачки напряжения..?
 

Вложения

  • ФЛЕКС.webp
    ФЛЕКС.webp
    99.5 KB · Просмотры: 76
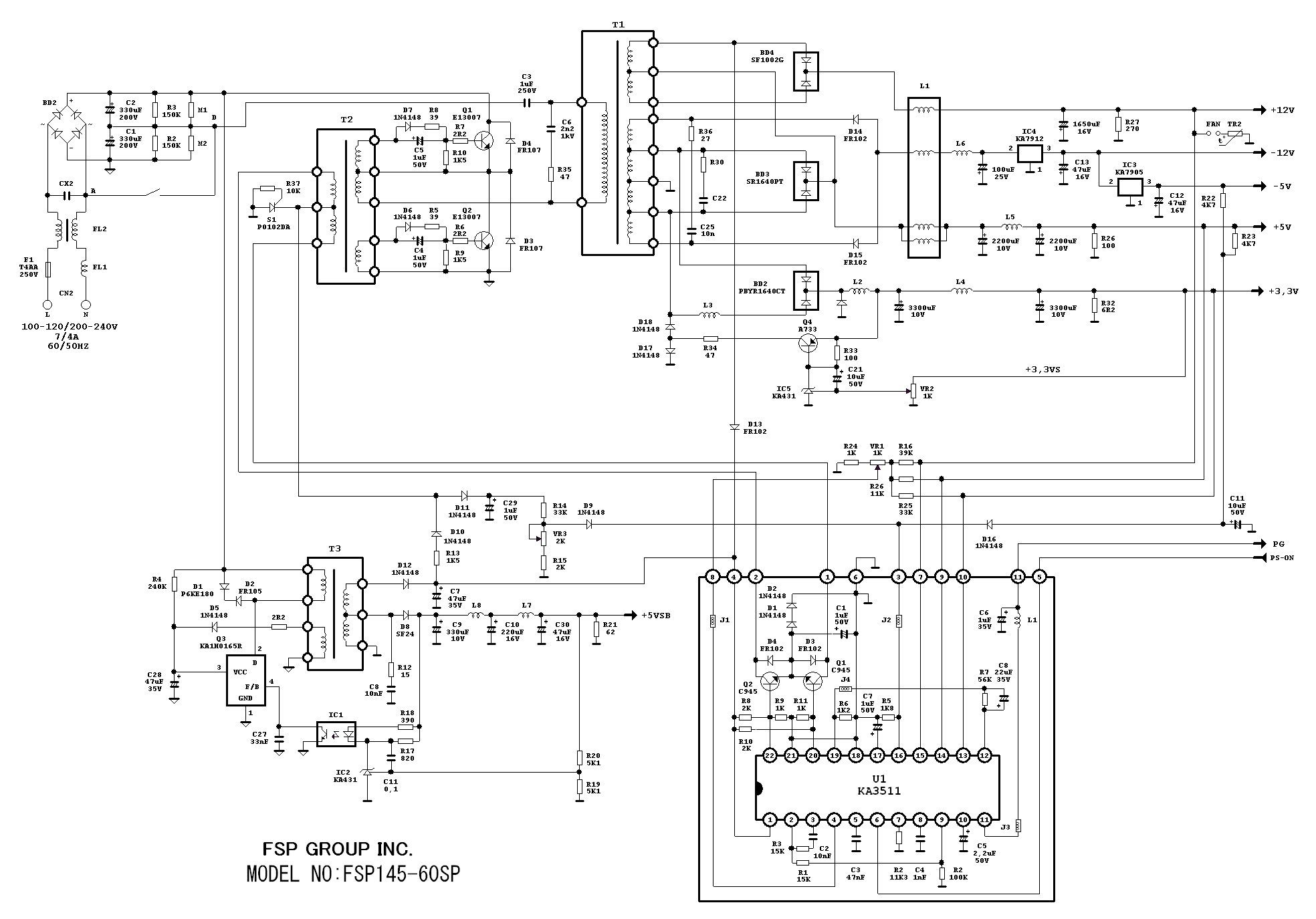
Не похожая схема?
 

Вложения

  • FSP145-60SP.gif
    FSP145-60SP.gif
    61.1 KB · Просмотры: 621
В моём БП на этой вертикальной платке ещё ОУ LM358N стоит, а в этой схеме его нету.
 
На этом помощь закончилась?))
 
Мужики, в самом деле - всё, что-ли? Помогли чем могли?
 
С дежуркой разберись, кондёр по питанию шима дежурки поменял?
 
Ребята, я не электронщик, поэтому поясните:что значит-"разберись" и где этот кондёр по питанию ШИМ-а?
 
Назад
Сверху