• Добро пожаловать на компьютерный форум Tehnari.ru. Здесь разбираемся с проблемами ПК и ноутбуков: Windows, драйверы, «железо», сборка и апгрейд, софт и безопасность. Форум работает много лет, сейчас он переехал на новый движок, но старые темы и аккаунты мы постарались сохранить максимально аккуратно.

    Форум не связан с магазинами и сервисами – мы ничего не продаём и не даём «рекламу под видом совета». Отвечают обычные участники и модераторы, которые следят за порядком и качеством подсказок.

    Если вы у нас впервые, загляните на страницу о проекте, чтобы узнать больше. Чтобы создавать темы и писать сообщения, сначала зарегистрируйтесь, а затем войдите под своим логином.

    Не знаете, с чего начать? Создайте тему с описанием проблемы – подскажем и при необходимости перенесём её в подходящий раздел.
    Задать вопрос Новые сообщения Как правильно спросить
    Если пришли по ссылке со старого Tehnari.ru – вы на нужном месте, просто продолжайте обсуждение.

Помогите с усилителем из автомагнитолы

или пленка или керамика
 
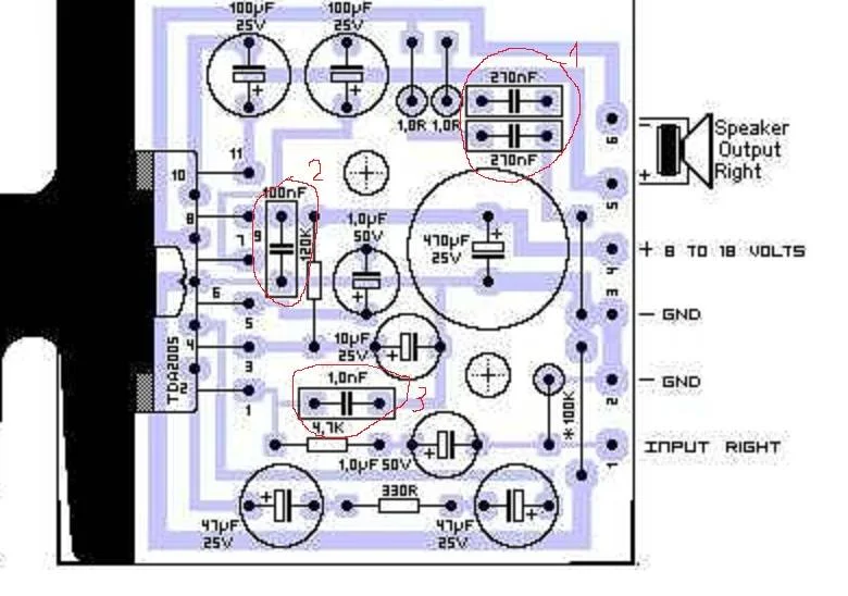
tda2005_1апврварвар.webp Вот это фото!
 
А вот еще вопрос - мне хватит трансформатора с выходной мощностью 12В и 5А + диодный мост на 10А для этой схемы?
 
более чем достаточно
 
Спасибо, а вот в чем разница между резисторами(разные названия) на фото:
tda2005_1!!!.webp
или это по сути одно и то же?
 
Там у одного оканчивается на K а у другого на R
 
это не названия а номиналы, 330ом и 120 кило Ом
 
Теперь все понял, спасибо!
 
А между диодным мостом и схемой(+ и -) мне надо ставить какие либо конденсаторы???
 
Назад
Сверху