• Добро пожаловать на компьютерный форум Tehnari.ru. Здесь разбираемся с проблемами ПК и ноутбуков: Windows, драйверы, «железо», сборка и апгрейд, софт и безопасность. Форум работает много лет, сейчас он переехал на новый движок, но старые темы и аккаунты мы постарались сохранить максимально аккуратно.

    Форум не связан с магазинами и сервисами – мы ничего не продаём и не даём «рекламу под видом совета». Отвечают обычные участники и модераторы, которые следят за порядком и качеством подсказок.

    Если вы у нас впервые, загляните на страницу о проекте, чтобы узнать больше. Чтобы создавать темы и писать сообщения, сначала зарегистрируйтесь, а затем войдите под своим логином.

    Не знаете, с чего начать? Создайте тему с описанием проблемы – подскажем и при необходимости перенесём её в подходящий раздел.
    Задать вопрос Новые сообщения Как правильно спросить
    Если пришли по ссылке со старого Tehnari.ru – вы на нужном месте, просто продолжайте обсуждение.

Предварительный усилитель на ECC82

  • Автор темы Автор темы svinx
  • Дата начала Дата начала
что-то дельное сами можете посоветовать?
Советовать ???
Во втором же сообщении было сказано
лампа ecc82 на аноде - 100-200в, на сетке, относительно катода, (2 строка) от 0в до минус 8,5в, тут такие режимы и близко не выполняются, особенно напряжение на аноде. Схема, как мне кажется, не работоспособна.
Лампа, она и в Африке лампа, а вы упёрлись в желание построить
схему предварительного усилителя на есс82 без высокого напряжения!
И совет был уже дан правильный
Если охота на лампах сделать усилитель, то лучше попробовать другую схему. Эта - неудачная.
 
Sergeisam вы так всегда себя ведёте или иногда? Интересно просто. Вы сами нечего конкретно не предложили не посоветовали, а лишь только комментируете отрезки из контекста,зачем? Я так понимаю вы в этом деле ноль как и я, так зачем быть придатком?вам что это даёт прирост какой-то? Вы во всех темах и вопросах как придаток к чл...ну себя ведёте! Зачем это вся ваша чепуха??? Вам же лично этот вопрос не задавал я! Я уже понял, что схема Хэ и нет смысла её повторять!
 
Зачем форум?! Я не знающий, задал вопрос, попросил помощи и ТД. Мне подсказали по делу, посоветовали, знающие люди в том или ином вопросе, зачем сквознякам вмешиваться? Для значимости своей?
 
Он время-средства-нервы бережет,а не сквознячит. Не надо делать эту схему. Совсем не надо
 
Вопрос тогда другого характера, входной конденсатор в ум можно устанавливать прямо на входной разъем или обязательно конденсатор входной должен быть на самой плате ум?
 
Есть вот такие Мундорфы оригиналы, на плату ум их не поставить вот собственно и вопрос.
 

Вложения

  • IMG_20211209_021238.webp
    IMG_20211209_021238.webp
    35.9 KB · Просмотры: 31
Конкретно в этой схеме
 

Вложения

  • IMG_20211209_022022.webp
    IMG_20211209_022022.webp
    8 KB · Просмотры: 25
Да как конструктив позволяет. У тебя мундорфики не влазят? Это знакомо,у меня подобные. На входные разъемы вкорячил и забыл
 
Да как конструктив позволяет. У тебя мундорфики не влазят? Это знакомо,у меня подобные. На входные разъемы вкорячил и забыл

Они большие и соответственно не влазят на плату.
 
Посоветуйте схему предварительного усилителя на есс82 без высокого напряжения!
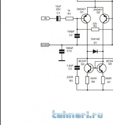
Вам зачем? Услышать ламповый звук? Тогда полевики Вам в помощь, они по характеристикам полностью соответствуют лампам, все искажения, хвук, все одинаково, подчиняется одним математическим законам, только рабочие напряжения пониже. Вот, проверенная схема, с к усиления 42. Регулируется к усиления резистором R6. Если R6 увеличивать, то R3 надо уменьшать, что бы сумма R3+R6 оставалась постоянная (в данном случае 2к). К нелинейных искажений 0.01% при выходном сигнале 1в. Есть аналогичная схема и для ламп, только при напряжении 300в, называется схема каскодная.

Работает с любыми полевиками, одного типа и примерно равные по параметрам, возможно надо будет подобрать резисторы R3+ R6, только вряд ли, схема оч устойчивая. Остальное подбирать не нужно.
Как любая каскодная схема, имеет широкую частоту пропускания, работает даже и на радиочастоте. Только желательно ставить или пленочный или керамические конденсаторы, электролиты можно, но не желательно, тут большие затворные резисторы, а токи утечки электролитов такого же порядка, как токи затворных резисторов, посему могут быть сбои в работе.
Схема делалось в железе.
 

Вложения

  • 1.PNG.webp
    1.PNG.webp
    60.9 KB · Просмотры: 53
Вместо электролита входного 10мкф подойдут эти Мундорфы?
 
Вам зачем? Услышать ламповый звук? Тогда полевики Вам в помощь, они по характеристикам полностью соответствуют лампам, все искажения, хвук, все одинаково, подчиняется одним математическим законам, только рабочие напряжения пониже. Вот, проверенная схема, с к усиления 42. Регулируется к усиления резистором R6. Если R6 увеличивать, то R3 надо уменьшать, что бы сумма R3+R6 оставалась постоянная (в данном случае 2к). К нелинейных искажений 0.01% при выходном сигнале 1в. Есть аналогичная схема и для ламп, только при напряжении 300в, называется схема каскодная.

Работает с любыми полевиками, одного типа и примерно равные по параметрам, возможно надо будет подобрать резисторы R3+ R6, только вряд ли, схема оч устойчивая. Остальное подбирать не нужно.
Как любая каскодная схема, имеет широкую частоту пропускания, работает даже и на радиочастоте.
Схема делалось в железе.

Нет, есть просто лампы есс82 вот и захотелось на них собрать, но теперь понимаю что пускай они дальше лежат.
 
Нет, есть просто лампы есс82 вот и захотелось на них собрать, но теперь понимаю что пускай они дальше лежат.

Сделайте каскодную схему, на лампе, как у меня. Только надо напряжение питания не менее 200в подавать.
 
Есть таких мундорфов энное количество, есть смысл паралелить их или достаточно одного конденсатора такой ёмкости?
 
Да,конечно подойдут. Усилитель то стоит этого?
 
Да,конечно подойдут. Усилитель то стоит этого?

Так их есть количество, и их не жалко, в apex ax14 на вход вместо электролита они подойдут? Нормально будет по частотке?
 
Назад
Сверху