• Добро пожаловать на компьютерный форум Tehnari.ru. Здесь разбираемся с проблемами ПК и ноутбуков: Windows, драйверы, «железо», сборка и апгрейд, софт и безопасность. Форум работает много лет, сейчас он переехал на новый движок, но старые темы и аккаунты мы постарались сохранить максимально аккуратно.

    Форум не связан с магазинами и сервисами – мы ничего не продаём и не даём «рекламу под видом совета». Отвечают обычные участники и модераторы, которые следят за порядком и качеством подсказок.

    Если вы у нас впервые, загляните на страницу о форуме и правила – там коротко описано, как задать вопрос так, чтобы быстро получить ответ. Чтобы создавать темы и писать сообщения, сначала зарегистрируйтесь, а затем войдите под своим логином.

    Не знаете, с чего начать? Создайте тему с описанием проблемы – подскажем и при необходимости перенесём её в подходящий раздел.
    Задать вопрос Новые сообщения Как правильно спросить
    Если пришли по старой ссылке со старого Tehnari.ru – вы на нужном месте, просто продолжайте обсуждение.

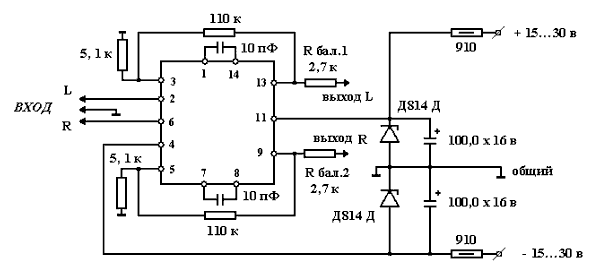
Проблема с подключением предусилителя на К157УД2

  • Автор темы Автор темы $ER}I{
  • Дата начала Дата начала
Регулятор громкости после тумброблока.
 

Вложения

  • tembr24.gif
    tembr24.gif
    5.2 KB · Просмотры: 2,927
Не сложно. На выход каждой МС ставится эмиттерный повторитель на кт 3102б. Лучше, конечно , с генератором тока. ОС микросхемы заводится к эмиттеру.
спс за помощь, думаю покамись небуду ставить буферный каскад. да я и не понял какая ОС заводится к эмитеру.(в электронике ещё не АС)
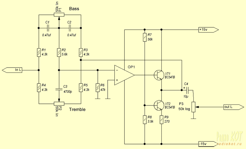
Вопрос к АВТОРУ. Если у тебя есть предусилитель на сдв опере.зачем городить регулировку тембра еще на доп М.С.? После ПУ поставь простой БРТ. Усиления и диапазона рег тембра тебе хватит с головой.
хоть у меня и есть пред я его не буду ставить просто сигнал будет идти сразу на тембр(см. схему выше) а потом на оконечный усилитель.
 
Тогда рекомендую собрать схему на 157уд2, без каких либо изменений. Схема вполне приличная.
 

Вложения

  • 05.gif
    05.gif
    19.6 KB · Просмотры: 18,048
привет всем!!! есть у кого нибудь рабочая печатка на пред к157уд2 по вот такой схеме yooree.narod.ru›pred1.html
 
А в одной теме не вмещается????
 
вытравил платку, собрал темброблок, первый запуск был неудачным перепутал полярность питания, заменил МС. включаю звук идет но слышно только басы с хрипом и скрежетом.
вытравил вторую плату с более толстыми дорожками и устранеными косяками.
собрал, включил, также слышно только басы с хрипом и скрежетом. и ещё почему-то греется вторая МС(несильно). Что может быть? подскажите!!!!!
Завтра может заменю вторую МС.
 
Плохой монтаж(непропай соединений). Ошибки . Неисправные детали. КЗ дорожек. Да и просто грязная плата.
 
А какую именно вы собирали схему? Хорошо бы, конечно, взглянуть на фото вашего творения ( в фас и в профиль ).
 
собирал по этой схеме. ФОТО выложу попозже, фотика нет покамись. МС - К157УД2
на схеме инвертирующий вход -2 и 6???
 

Вложения

  • 68851d1330167012-64207d1327668588-62775d1326823709-1299771178_predvaritelniy_uzch_s_regulyato...webp
    68851d1330167012-64207d1327668588-62775d1326823709-1299771178_predvaritelniy_uzch_s_regulyato...webp
    60.2 KB · Просмотры: 10,750
Последнее редактирование:
Схема то простая. Что там может не работать? Где то накосячил! Смотри внимательней монтаж, ставь исправные МС, и подавай правильно питание! Для к157уд2, кондёры коррекции - 10 пф. Поставил?
 
Ты его собираеш без платы? Тогда понятно.почему он не работает. Лень матушка.как и скупость увеличивает стоимость и ГРОБИТ ВРЕМЯ. Тебе предлагали и схему и плату-уже все давно запустил бы.
 
Ну.если плата под 072- тадыы ясненько ! Вешаеш МС на соплях.и городиш свое. место того.чтобы послушать и сделать так как тебе говорят.
 
нашел ошибку, когда разводил перепутал инвертирующий с неинвертирующим входами, щас вот перепаял, звук стал прорезаться но с хрипом, Микросхем уже нет менять.:( (чет в последнее время ничего не получается:tehnari_ru_121::tehnari_ru_121:)
Ну.если плата под 072- тадыы ясненько
неее, плату делал под к157уд2
место того.чтобы послушать и сделать так как тебе говорят.
а какой тогда делать????
 
Попробуй сначала на макетке сделать, а потом уже трави рабочую схему...
 
Попробуй сначала на макетке сделать, а потом уже трави рабочую схему...
у меня уже микросхем нету, было то всего 4 штуки, 2 спалил, а две вот стоят не хотят играть.
может ещё какие схемы есть тембра с предварительным усилителем. вот нашел транзисторы 2n5772(сверхвысокочастотный npn транзистор) может на них можно сделать?
 
СВЧ-транзистор ставить нежелательно, может пробиться.
 
Вот плата стандартн ПУ + рег тембра. И начни включать мозги.
 

Вложения

  • Preamp_K157ud2.webp
    Preamp_K157ud2.webp
    70.6 KB · Просмотры: 3,516
  • tembr24.gif
    tembr24.gif
    5.2 KB · Просмотры: 1,027
  • 85517768.gif
    85517768.gif
    6.7 KB · Просмотры: 948
Назад
Сверху