• Добро пожаловать на компьютерный форум Tehnari.ru. Здесь разбираемся с проблемами ПК и ноутбуков: Windows, драйверы, «железо», сборка и апгрейд, софт и безопасность. Форум работает много лет, сейчас он переехал на новый движок, но старые темы и аккаунты мы постарались сохранить максимально аккуратно.

    Форум не связан с магазинами и сервисами – мы ничего не продаём и не даём «рекламу под видом совета». Отвечают обычные участники и модераторы, которые следят за порядком и качеством подсказок.

    Если вы у нас впервые, загляните на страницу о проекте, чтобы узнать больше. Чтобы создавать темы и писать сообщения, сначала зарегистрируйтесь, а затем войдите под своим логином.

    Не знаете, с чего начать? Создайте тему с описанием проблемы – подскажем и при необходимости перенесём её в подходящий раздел.
    Задать вопрос Новые сообщения Как правильно спросить
    Если пришли по ссылке со старого Tehnari.ru – вы на нужном месте, просто продолжайте обсуждение.

Qlocktwo или реализованная мечта

Супер!!! Поздравляю!
 
тоже решил сделать эти часы, привлекли необычным дизайном.
с контроллерами почти не знаком и решил сделать свою схему на обычной логике.
Вышло всего 7 корпусов-счетчик-дешифратор
внешний вид видно на фото
немного переработал написания чисел -не нравилось множество переносов
В итоге почти от них избавился и читабельность улучшелась
осталось немного поиграть с яркостью...
 

Вложения

  • 1.webp
    1.webp
    21.5 KB · Просмотры: 227
  • 2.webp
    2.webp
    18.7 KB · Просмотры: 185
  • 3.webp
    3.webp
    20.2 KB · Просмотры: 175
  • 4.webp
    4.webp
    17 KB · Просмотры: 181
  • 6.webp
    6.webp
    27.4 KB · Просмотры: 211
решил сделать свою схему на обычной логике.
Выкладывай схему и печатку, очень интересно будет глянуть, да и остальным форумчанам пригодится. Работа отличная а что это за стекло такое? Как реализовал перенос букв от светодиода на стекло? под стеклом как сделано с обратной стороны часики покажи:)

Насчет читаемости я пытался максимально приблизится к оригиналу :) думаю это вопрос времени я уже как гляну на часы так даже не читаю уже знаю сколько времени привык уже :)
 
Последнее редактирование:
схему и плату выложу немного погодя- надо в божеский вид привести...))) паяльник не держал в руках 20 лет -забыл всё....))

на лице полупрозрачное оргстекло -"молоко на воде" а, вот сзади сэндвич из разных самоклеек

платы под светодиоды как таковой нет-приклеивал светодиоды smd-шные на пвх лист толшиной 5мм и из него же делал перегородки между ними
 
а буквы как? распечатал на прозрачной пленке?
 
Dimcheg, хочу тоже поздравить с достойной реализацией. И своим решением задачи. Le_Fleurs, Dimcheg молодцы!!!
 
а буквы как? распечатал на прозрачной пленке?

нет, там сендвич.
на лице оргстекло, потом белая самоклейка- она скрывает буквы которые не горят в данный момент . Потом трафарет из чёрной плёнки с вырубкой букв , а потом уже решётка со светодидами

не нравится мне оригинал- когда видно остальные буквы...
 
Ну что там со схемкой? Хотел в ЛС написать но у вас закрыто.

осваиваю проги для рисования- для себя рисовал на бумаге)))

плата есть в *lay но походу вносилось много изменений

можно на " ты " мне не 100500 лет )))
 
Ну хорошо жду конечный вариант схемы :)
 
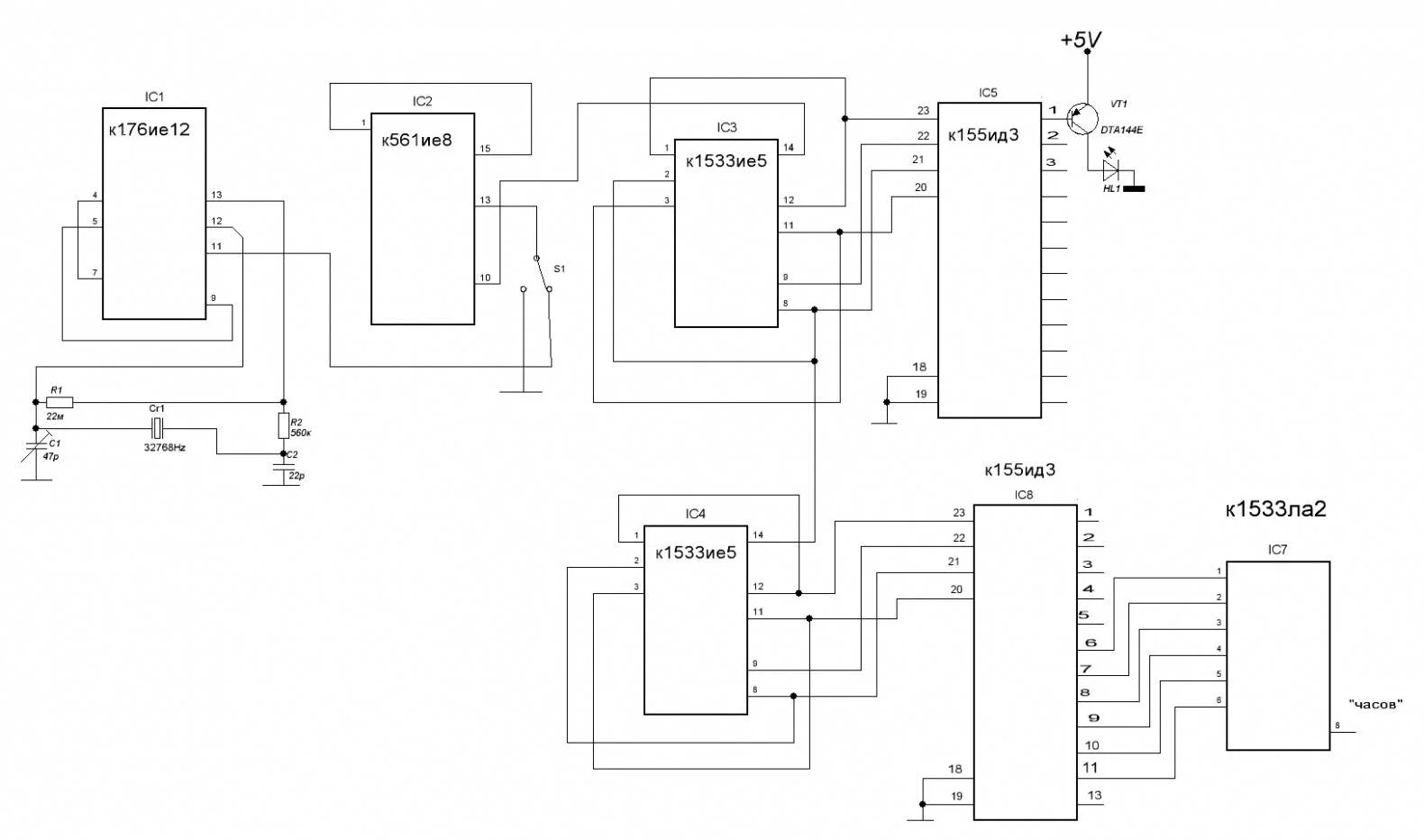
индикация статичная, счётчики считают до 12.
К каждому выводу дешифратора подключено конкретное слово , развязка в двойных значениях диодами Шотки
 

Вложения

  • схема.webp
    схема.webp
    32.5 KB · Просмотры: 1,067
индикация статичная, счётчики считают до 12.
К каждому выводу дешифратора подключено конкретное слово , развязка в двойных значениях диодами Шотки
Можно еще фотографию платы.
 
можно ,но попозже
 
И подробную схему желательно. :)
 
Подумываю снова начать делать часы. Впринципе все есть (оргстекло, светодиоды), наклейку сделать не проблема. Может стоит добавить термометр? Думаю отлично получится. Индикатор сделать как 7-ми сегментный, только на светодиодах. Дом+улица, возможно на отдельном мк.
 
Еще можно сделать датчик света, чтобы днем часы ярко горели, а ночью слабо.
 
Походу ни подробную схему, ни фото платы мы так и не увидим :tehnari_ru_121:
 
Походу ни подробную схему, ни фото платы мы так и не увидим :tehnari_ru_121:
Почему есть и схема и печатка и прошивки все подробно и расписано, если есть вопросы я готов на них отвечать.


Еще можно сделать датчик света, чтобы днем часы ярко горели, а ночью слабо.

Есть такие мысли хочу след версию на AVR переделать и все это включить пока что времени нету.
 
Назад
Сверху