- Регистрация
- 6 Май 2011
- Сообщения
- 4,414
- Реакции
- 90
- Баллы
- 0
так ты выбери из предложенных ФНЧк примеру вот http://www.tehnari.ru/attachments/f114/77200d1335801607-image003.jpg
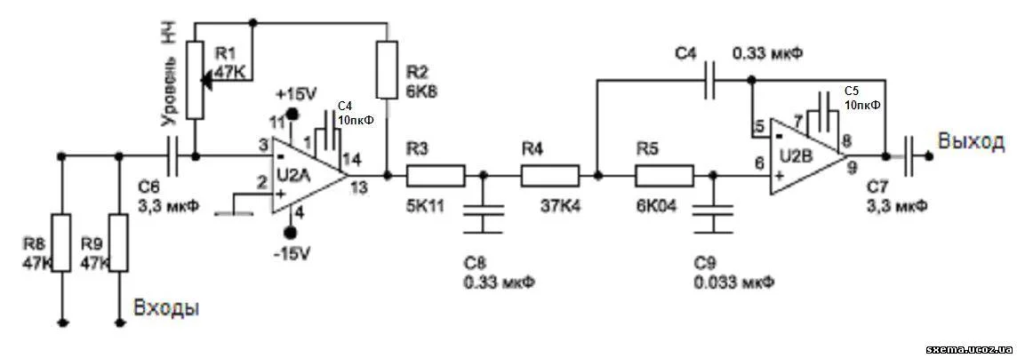
ты чего??-это вашето СУММАТОР!!!
Смотрите видео ниже, чтобы узнать, как установить наш сайт в качестве веб-приложения на домашнем экране.
Примечание: Эта возможность может быть недоступна в некоторых браузерах.
Добро пожаловать на компьютерный форум Tehnari.ru. Здесь разбираемся с проблемами ПК и ноутбуков: Windows, драйверы, «железо», сборка и апгрейд, софт и безопасность. Форум работает много лет, сейчас он переехал на новый движок, но старые темы и аккаунты мы постарались сохранить максимально аккуратно.
Форум не связан с магазинами и сервисами – мы ничего не продаём и не даём «рекламу под видом совета». Отвечают обычные участники и модераторы, которые следят за порядком и качеством подсказок.
Если вы у нас впервые, загляните на страницу о проекте, чтобы узнать больше. Чтобы создавать темы и писать сообщения, сначала зарегистрируйтесь, а затем войдите под своим логином.
так ты выбери из предложенных ФНЧк примеру вот http://www.tehnari.ru/attachments/f114/77200d1335801607-image003.jpg
ай блин.. пардон, я не ту картинку кинул...ты чего??-это вашето СУММАТОР!!!
понятно тогда на 072будем делать! Какраз у меня три таких без дела заволялись!
А печаточки рабочей случаем не у кого не найдется на 100% рабочай?
эммм так Димка тебе и дал однополярник схему...:tehnari_ru_325:а фильтра на tl072,с однополярном питанием не найдется?