- Регистрация
- 10 Дек 2012
- Сообщения
- 2,654
- Реакции
- 127
- Баллы
- 0
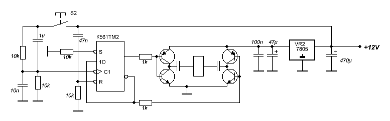
В этом реле нет дребезга контактов. Подавая короткий импульс или задерживая подачу питание на несколько секунд , контактная группа переключается одним щелчком и остается замкнутой до следующей смены полярности.
Собственно буду искать подходящий переключать без фиксации с 2 контактными группами. А хотелось все таки 1 кнопку без фиксации:tehnari_ru_509:
Может все таки будет у кого идея как это сделать. В конце концов я могу вторым этажом над селектором изготовить и поставить плату управления и сменой полярности релюшки.
Собственно буду искать подходящий переключать без фиксации с 2 контактными группами. А хотелось все таки 1 кнопку без фиксации:tehnari_ru_509:
Может все таки будет у кого идея как это сделать. В конце концов я могу вторым этажом над селектором изготовить и поставить плату управления и сменой полярности релюшки.
