• Добро пожаловать на компьютерный форум Tehnari.ru. Здесь разбираемся с проблемами ПК и ноутбуков: Windows, драйверы, «железо», сборка и апгрейд, софт и безопасность. Форум работает много лет, сейчас он переехал на новый движок, но старые темы и аккаунты мы постарались сохранить максимально аккуратно.

    Форум не связан с магазинами и сервисами – мы ничего не продаём и не даём «рекламу под видом совета». Отвечают обычные участники и модераторы, которые следят за порядком и качеством подсказок.

    Если вы у нас впервые, загляните на страницу о проекте, чтобы узнать больше. Чтобы создавать темы и писать сообщения, сначала зарегистрируйтесь, а затем войдите под своим логином.

    Не знаете, с чего начать? Создайте тему с описанием проблемы – подскажем и при необходимости перенесём её в подходящий раздел.
    Задать вопрос Новые сообщения Как правильно спросить
    Если пришли по ссылке со старого Tehnari.ru – вы на нужном месте, просто продолжайте обсуждение.

Селектор входных сигналов

можно таймер 555 воткнуть, будет проще, ещё и сигнализацию на него повесить.
Приветствую. Как это сделать ?
Искал на форуме не нашел как сделать селектор на два входа, с реле, чтоб можно было переключать одной кнопкой, и чтоб индикацию повесить(для усилителя). У Валерия есть на три входа тоже на счётчике, но я не уверен что можно использовать только два по его схеме. Буду примного благодарен если подскажите как.
 
Внесу и я свой пятачок) Вот слепил когда-то в припадке энтузиазма-до сих пор валяется. Рабочий, на 8 входов.
 

Вложения

  • Селектор входов.webp
    Селектор входов.webp
    176.2 KB · Просмотры: 170
Загнул я))) На 4 стереоустройства.
 
У Валерия есть на три входа тоже на счётчике, но я не уверен что можно использовать только два по его схеме.
Можно на счётчике. Можно на триггере. Рисовать лень. Google, думаю, даст достаточно информации по запросу "переключатель на триггере" или "счётчике". Остановитесь на каком-нибудь варианте - обсудим :)
 
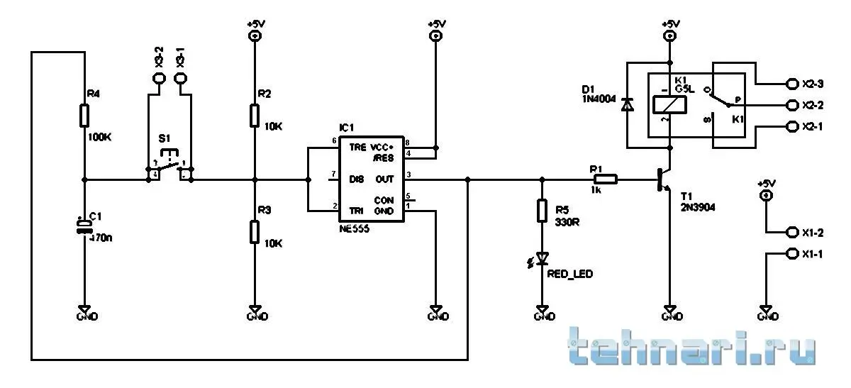
Вот схему нашел.
Какое реле поставить чтоб можно было переключать сразу два источника сигнала? С двумя группами контактов? Как подключать? Схему планирую питать от 12в.
П.С сорри за мою не внимательность, эта схема так же работает для управления нагрузкой кнопкой без фиксации, этот вопрос я уже задавал. К тому она есть на форуме.
 

Вложения

  • shema.webp
    shema.webp
    22.7 KB · Просмотры: 132
Какое реле поставить чтоб можно было переключать сразу два источника сигнала? С двумя группами контактов?
Или с двумя группами контактов, или 2 реле.
планирую питать от 12в.
МС работать будет. А вот обвес надо будет пересчитывать.
 
А я вот такой сварганил. 5 входов - 1 выход. Простенько, но качественно....
 

Вложения

  • P1060793.webp
    P1060793.webp
    66.7 KB · Просмотры: 177
  • P1060796.webp
    P1060796.webp
    65.6 KB · Просмотры: 183
Я тут немного знакомился с Sprint-Layout накалякал вроде по схеме :), Если кому не трудно глянте плиз.
У меня вопрос относительно коммутации, как подключать входы, ведь там + и - на два канала, а если два источника то на 4 канала, как это правильно подключить с реле с двумя группами контактов?
 

Вложения

Блиииин править сообщение нельзя......
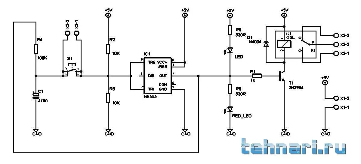
Можно к этой схеме прикрутить два светодиода чтоб было видно какой вход работает?
 
Калхоз какой-то выходит. Буду делать на три входа на на схеме от Валерия.
Спасибо.
 
В некоторых музыкальных центрах это реализовано на ИС
Для тех, кто переделывает селекторы некоторых старых советских усилителей стоит присмотреться к микросхеме TDA1029 (4 стереовхода - 1 стереовыход, управление переключателем).
 
Назад
Сверху