• Добро пожаловать на компьютерный форум Tehnari.ru. Здесь разбираемся с проблемами ПК и ноутбуков: Windows, драйверы, «железо», сборка и апгрейд, софт и безопасность. Форум работает много лет, сейчас он переехал на новый движок, но старые темы и аккаунты мы постарались сохранить максимально аккуратно.

    Форум не связан с магазинами и сервисами – мы ничего не продаём и не даём «рекламу под видом совета». Отвечают обычные участники и модераторы, которые следят за порядком и качеством подсказок.

    Если вы у нас впервые, загляните на страницу о проекте, чтобы узнать больше. Чтобы создавать темы и писать сообщения, сначала зарегистрируйтесь, а затем войдите под своим логином.

    Не знаете, с чего начать? Создайте тему с описанием проблемы – подскажем и при необходимости перенесём её в подходящий раздел.
    Задать вопрос Новые сообщения Как правильно спросить
    Если пришли по ссылке со старого Tehnari.ru – вы на нужном месте, просто продолжайте обсуждение.

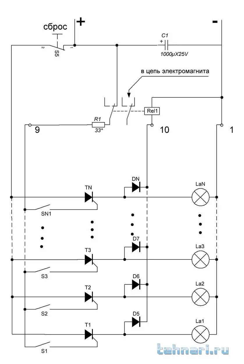
Схема на МТХ-90

отделяете общий провод крючков от анода тиристоров, и подключаете этот провод через нормально замкнутые контакты ещё одного реле, которое включаете параллельно первому,
это как на схеме будет выглядеть?
При открытии одного тиристора это реле сработает, и снимет напряжение с общего провода крючков, тем самым исключая срабатывание других тиристоров
но лампа индикации должна продолжать гореть на той планке, где обрыв нити, т.е. срабатывание крючка.
 
1. При замыкании S1 включиться индикатор LA1, но если ещё будет замкнут и S4, то значит будет гореть 2 индикатора одновременно?
2. для чего диоды D1 - D4?
3. И ещё, перед реле не надо ставить тирристор на управление релюхой?
4. И не плохо бы было полностью схему
5. с номиналами.
6. В наличии есть куча тиристоров Т122-10-6, хотя есть и куча тиристоров ТО125-12.5, есть ещё кучка новых с завода КУ 201 и Ку 202.
1. да
2. D1 - D4 действительно не нужны
3. для какой цели?
4. схему полностью в каком смысле? нарисовать трансформатор и мост? все остальное есть.
реле Rel1 своим контактом управляет электромагнитом
Вверху схемы из вложения есть электромагнит, позиционное обозначение Э7, вот он должен срабатывать на останов.
5. с номиналами чего? резисторы будут зависеть от напряжения питания и примененного тиристора
6. пойдут любые, ку201 на мой взгляд хватит за глаза
 
а вот не нужно так, точнее не желательно.
2. D1 - D4 действительно не нужны
это прикол? Нужны или нет? Может я не правильно понял схему? Индикаторы скорее всего будут сделаны из поворотников от автомобиля ,,классика,,.
3. для какой цели?
мощность релюхи не малая, выдержат ли тиристоры Т122 или 201 по току это реле?
4. схему полностью в каком смысле? нарисовать трансформатор и мост? все остальное есть.
нет. Транс и мост сам понимаю что надо, я имел ввиду номиналы деталюшек (резисторы, диоды, хотя диоды любые, тирристоры, я писал что есть в наличии, но есть вариант купить и серию BT тиристоров.).
реле Rel1 своим контактом управляет электромагнитом
это я понял.
5. с номиналами чего? резисторы будут зависеть от напряжения питания и примененного тиристора
ну желательно 12 волтт питание всей схемы, тирристоры выше отписал какие есть, Т122, ТО125, Ку201 и КУ 202, есть возможность купить/заказать серию BT тиристоров.
6. пойдут любые, ку201 на мой взгляд хватит за глаза
ввиду малого обьёма пространства в планках, желательно использовать в схеме Т122 или ТО125.
 
это как на схеме будет выглядеть?
но лампа индикации должна продолжать гореть на той планке, где обрыв нити, т.е. срабатывание крючка.
На схеме изобразить не могу, потому что с телефона, но думаю что Виктор меня понял, и сможет изобразить. Да, включившийся тиристор останется в открытом состоянии пока вся схема не будет обесточена
 
gluxon, очень отлично. Буду ждать Виктора. Благодарю за помощь. Всё правильно Вы понимаете и так оно должно работать. Но эл. магнит должен кратковременно сработать, буквально 1 - 2 сек. Ну это уже не проблема.
 
это прикол? Нужны или нет?
никакого прикола, не нужны, нарисовал не подумав хорошо.
мощность релюхи не малая, выдержат ли тиристоры Т122 или 201 по току это реле?
это как понимать? конкретнее можно? что за реле такое?
не верю, что обмотка реле напряжения потребляет 2 или более ампер
желательно 12 волтт питание
при 12 вольтах, скорее всего можно обойтись без резисторов.
Если не хотите чтобы два тиристора могли одновременно сработать, отделяете общий провод крючков от анода тиристоров, и подключаете этот провод через нормально замкнутые контакты ещё одного реле, которое включаете параллельно первому, или же через другую контактную группу первого реле, при условии наличия нормально замкнутых контактов.
думаю что Виктор меня понял, и сможет изобразить.
понять то я понял и изобразить могу, но тогда нужно будет 4 провода в линии, а не 3, если 4 не проблема то нарисую
 
Может быть там не реле а соленоид?
 
это как понимать? конкретнее можно? что за реле такое?
реле на 12 вольт и с током потребления 700 ма. Хотя есть ещё мысль поставить твердотельное реле. Ну это уже мелочь.
при 12 вольтах, скорее всего можно обойтись без резисторов.
ну какие то всё равно надо поставить. По всем схемам обычно стоят на УЭ резисторы.
понять то я понял и изобразить могу, но тогда нужно будет 4 провода в линии, а не 3, если 4 не проблема то нарисую
не проблема, хоть 5 проводов. И да, желательно что бы на планках (крючках) было низкое напряжение, т.е. 2 - 5 вольт, что бы работниц не ,,щипало,, напряжением.
Может быть там не реле а соленоид?
реле, для управления эл. магнитом.
v1ct0r, жду схему с номиналами. Желательно с тиристорами Т122 или ТО 125. Благодарю за помощь.
 
тиристоры по этой схеме любые (кроме оптронных, у них схема немного другая будет) с рабочим током от 2 ампер
 

Вложения

  • сновальная.webp
    сновальная.webp
    24.8 KB · Просмотры: 277
v1ct0r, понял, ТО тиристоры сюда не пойдут, значит применим Т112. R1 номинал 33 ома или он подбираеться? Питание я так понимаю 12 вольт на схеме. При срабатывании S1, остальные индикаторы не будут гореть, даже если замкнуть S 2 - S 4? Индикаторы - поворотники от автомобиля ,,жигули,, будут. Диоды любые я так понимаю.
 
применим Т112. R1 номинал 33 ома или он подбираеться? Питание я так понимаю 12 вольт на схеме. При срабатывании S1, остальные индикаторы не будут гореть, даже если замкнуть S 2 - S 4? Индикаторы - поворотники от автомобиля ,,жигули,, будут. Диоды любые я так понимаю.
1. питание любое, зависит от напряжения катушки реле и рабочего напряжения ламп
2. При срабатывании S1, остальные индикаторы не будут гореть, даже если замкнуть S 2 - S N
3. диоды с рабочим током большим в 1.5-2 раза, чем рабочий ток катушки реле
4. резистор, т.к. лампы как я понял на 21 ватт будут, лучше взять на 100 ом(при 12 вольт питания), а если потребуется то тогда уменьшить его сопротивление
 
1. питание любое, зависит от напряжения катушки реле и рабочего напряжения ламп
2. При срабатывании S1, остальные индикаторы не будут гореть, даже если замкнуть S 2 - S N
3. диоды с рабочим током большим в 1.5-2 раза, чем рабочий ток катушки реле
всё понял.
4. резистор, т.к. лампы как я понял на 21 ватт будут, лучше взять на 100 ом(при 12 вольт питания), а если потребуется то тогда уменьшить его сопротивление
понял. Резистор на 2 ватта хватит или можно и на 1 ватт?
 
на 2 ватта хватит вполне
так как ток через резистор будет идти кратковременно, то и 1 ватт пойдет тоже
 
v1ct0r, ОК. Благодярю за помощь. На днях соберу схему и опробую на столе на работе. Отпишу о результате.
 
желаю успеха! :)
 
v1ct0r, tehno006tehno006tehno006
 
кстати, можно обойтись и 3 проводами при необходимости, если "+"который идет на аноды тиристоров посадить на массу, анод у тиристора тоже на корпусе сидит
 
тиристоры по этой схеме любые (кроме оптронных, у них схема немного другая будет) с рабочим током от 2 ампер
Кстати, сброс можно делать кнопкой на замыкание, перекорачивая точку соединения катодов диодов и анодов тиристоров. Но это уже по необходимости, при отсутствии размыкающей кнопки, или по желанию
 
Назад
Сверху