• Добро пожаловать на компьютерный форум Tehnari.ru. Здесь разбираемся с проблемами ПК и ноутбуков: Windows, драйверы, «железо», сборка и апгрейд, софт и безопасность. Форум работает много лет, сейчас он переехал на новый движок, но старые темы и аккаунты мы постарались сохранить максимально аккуратно.

    Форум не связан с магазинами и сервисами – мы ничего не продаём и не даём «рекламу под видом совета». Отвечают обычные участники и модераторы, которые следят за порядком и качеством подсказок.

    Если вы у нас впервые, загляните на страницу о проекте, чтобы узнать больше. Чтобы создавать темы и писать сообщения, сначала зарегистрируйтесь, а затем войдите под своим логином.

    Не знаете, с чего начать? Создайте тему с описанием проблемы – подскажем и при необходимости перенесём её в подходящий раздел.
    Задать вопрос Новые сообщения Как правильно спросить
    Если пришли по ссылке со старого Tehnari.ru – вы на нужном месте, просто продолжайте обсуждение.

Срочно нужна портативная колонка

  • Автор темы Автор темы vetaal
  • Дата начала Дата начала
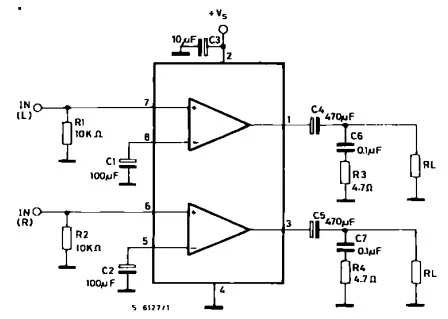
Значит остановимся на этих динамиках, название 0.5 гд-31 16ом(сделано в ссср :) ).
Полное название, а вот какой усилитель для них собрать тда 2822м говорите? А как он на 16ом работать будет, при том что они (динамики) наверное по 1 вату мах. И как с питанием быть? 12вольт 2.2а\ч как оно будет уживаться вместе?
 
Видел фото! Тут даже можно Момент-1 и тонкую, Ситец или Вязь тряпочку ... :)
 
А если хочешь выносную АС, то гелевый аккумулятор от скутера ... :)
 
да ЭТО Я УВИДЕЛ, ДУМАЮ 0.5 ВАТТ на канал будет достаточно, а вот с питанием как? 15 рекомендуемо же так? а будет 12 подойдет. Не будет ли искажений на мах громкости?
 
От скутера великоват :D хотя нужно подумать, там же 12 вольт 7 а\ч. 640 рублей у нас стоит такое чудо.
 

Вложения

  • TDA2822m.webp
    TDA2822m.webp
    10.9 KB · Просмотры: 422
Как я понял советуете на эти динамики тда2822м и аккумулятор 12 вольт 7 а\ч. Я правильно вас понял?
 
У нас про 4а\ч даже не слышали(когда я спросил про него). Но можно и 4 а\ч так? Я слышал что эти аккумуляторы не очень любят полную разрядку, а с колонкой я его буду сажать только так и полностью в том числе.
 
Так сейчас тогда такой вопрос. На сколько хватит 4а\ч 12 вольт аккумулятора на тда2822м при условии что работать будут оба канала и на средней громкости.
И на сколько если на мах громкости.
 
А заче брать от скутера, возьми пальчиковые аккумуляторы и последовательно,
за глаза хватит ... :)
 
А время работы сколько будет :D мне важно время и громкость.
 
Так как спешу и сейчас спать собираюсь, что бы завтра пораньше начать, сейчас пойду клеить динамик с помощью бинта или марли что найду и момент кристалл.
А вопросы у меня по питанию. Сколько пальчиковых аккумуляторов нужно будет, что бы я с этим "сабжом" мог в течении 8ми -10-ти часов слушать музыку со средней громкостью? А также на сколько хватит аккумуляторов если на мах громкости слушать(время работы интересует). Это 1-е
2-е это то что динамики не новые + использоваться буду и на улице(сырость и т.д.) может чем пропитать диффузоры, что бы защитить хоть как то от влаги и т.п.
3-е это то что на пальчиковых аккумуляторах напряжение 1.2 вольт это же сколько мне их нужно будет что бы обеспечить мои 12 вольт или тут есть хитрость какая то?
 
Громкость будет одинаковая, а время ну где то 5-6 часов, но если возьмешь
аккумуляторы можно заражать. Другой плюс вместо аккумулятора всегда
можно поставить батареи. Пластмассовые боксы на 4 штуки продаются, два
таких бокса и все ... :)
 
8 штук?? Для комплектования ого многовато...
 
8 штук это 1 комплект ? Или 4 и 4 в запас? 8 штук это 9.6 вольт, а если даже по 1000мач то 8амч. А что громкость будет одинаковая это я понял, я имел в виду что мне важна громкость и время работы(компромисс так сказать). А 5-6 часов это на средней громкости или на мах?
 
Зато будет играть 2 дня, точно. Можно взять боксы под мезинчики 1 день
гарантированно ... :)
 
Назад
Сверху