• Добро пожаловать на компьютерный форум Tehnari.ru. Здесь разбираемся с проблемами ПК и ноутбуков: Windows, драйверы, «железо», сборка и апгрейд, софт и безопасность. Форум работает много лет, сейчас он переехал на новый движок, но старые темы и аккаунты мы постарались сохранить максимально аккуратно.

    Форум не связан с магазинами и сервисами – мы ничего не продаём и не даём «рекламу под видом совета». Отвечают обычные участники и модераторы, которые следят за порядком и качеством подсказок.

    Если вы у нас впервые, загляните на страницу о форуме и правила – там коротко описано, как задать вопрос так, чтобы быстро получить ответ. Чтобы создавать темы и писать сообщения, сначала зарегистрируйтесь, а затем войдите под своим логином.

    Не знаете, с чего начать? Создайте тему с описанием проблемы – подскажем и при необходимости перенесём её в подходящий раздел.
    Задать вопрос Новые сообщения Как правильно спросить
    Если пришли по старой ссылке со старого Tehnari.ru – вы на нужном месте, просто продолжайте обсуждение.

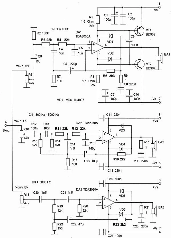
Стереоусилитель на микросхеме TDA2030A

Нет, будет больше.

4 обмотки позволяют запитать каждый канал от своего блока питания, уменьшить взаимопроникновение каналов по питанию, устранить земляную петлю.
 
Нет, будет больше.

4 обмотки позволяют запитать каждый канал от своего блока питания, уменьшить взаимопроникновение каналов по питанию, устранить земляную петлю.
спасибо я не знал.. а может тогда два тора поставить , как говорят гулять так гулять...и еще если на три частоты..Просто у меня их 6 получаеся ....

Моя задумка такова,, я ставлю 2030 на низкие , средние , высокие ,, на каждую свой динамик и в колонку их будет 3 на правую и левую соответственно... всего 6 получается ,,,,сигнал идет через предусилитель на ла 386 типа,,, такого и фильтр частот для каждого свой вот примерно так...

тоесть высокие ставим писклю ,, среднее трех полосник ,, а низкие саб чтоб бабахал... Да это только задумка моя . надо подумать с мощью транса ну я брал на 7,5 А думаю хватит.. да и конденсаторов навесим 30 000 мкФ ..

вот по этой схемке
 

Вложения

  • amp136-5пропрпопопрпопоппопопоппопоп.webp
    amp136-5пропрпопопрпопоппопопоппопоп.webp
    49.1 KB · Просмотры: 464
Назад
Сверху