Трассоискатель

  • Автор темы Автор темы Taper
  • Дата начала Дата начала
Но можно создать свой, на 12000 Герц, лиш бы слышать сигнал в наушниках от зонда или генератора!
Вот это уже ближе, а принципы работы известны или может есть какие нибудь схематические наброски, с генератором понятно он и в Африке генератор. Я думал есть готовый приемник ?... :)
 
Так свой приёмник в дополнение к локатору Digitrak SE. не везде будешь таскать
хотел для полной катины ссылочку кинуть, но оказывается я ещё салага, и у меня нет никаких прав.
 
хотел для полной катины ссылочку кинуть, но оказывается я ещё салага, и у меня нет никаких прав.
И не только, для начала я бы прочитал ... http://www.tehnari.ru/f8/t15561/ ..., потом у нас еще один напряг ... http://www.tehnari.ru/f39/t88875/#post916148 ... :)
А схему и описание лучше вытащить сюда на Форум, это можно сделать даже в раннем возрасте ... :)
 
Я за полтора часа так и не выяснил намоточные данные трансформатора, вышеуказанной схемы генератора. Вспомню молодость - буду брать за основу "Расчёт трансформаторов импульсных блоков питания" это будет пожалуй быстрее и надёжней.
Имею опыт сборки радиоаппаратуры.
Это своя заброшенная радиостанция.
Имею ферритный сердечник Ш 19х27 (сечение внутреннего керна) от ультразвуковой сварки МТУ 1.5.
Думаю мощности по "железу" будет более чем предостаточно!
Расчёт сделаю сам, по выше указанной литературе.
Спасибо за общение - всем всего хорошего!
Тема закрыта.
 
Вспомню молодость - буду брать за основу "Расчёт трансформаторов импульсных блоков питания" это будет пожалуй быстрее и надёжней.
Это не есть правильно! На 12 кГц надо обыкновенную железку, как на выходной трансформатор, типа ШЛ. Расчет пойдет как обыкновенного силового трансформатора ... :)
А почему не хочешь продолжать тему, это может пригодится не только тебе ?... :)

P.S. Хором выведем схему или не в косяк ?... :)
 
Генератор трассоискателя

Короче проблему генератора решил гораздо проще.
Взял старенький ИПБ IPON "выдрал" всё лишнее, настроил частоту преобразования на 12кГц, модернизировал трансформатор (сделал отводы на вторичке), убрал выпрямители, и локатор ГНБ Vermer стал видеть коммуникации(трубы, кабели), к которым подаю сигнал. Испытания продолжаются.
Вопрос решился спонтанно. Мощности 500 ватного IPON хватает за глаза.
Всем, кто пользуется локаторами Vermeer можно взять на заметку.

Этой разработкой я заработал себе премию к отпуску, и теперь на 2 недельки еду в Грецию развеяться перед новыми решениями.

В проекте разработка трассировки коммуникаций в пластиковых трубах, надо подумать...
Всем пока...
 
Извиняюсь, опечатка - ИБП IPPON
 
Введение (для Андрея Taper не обязательно).

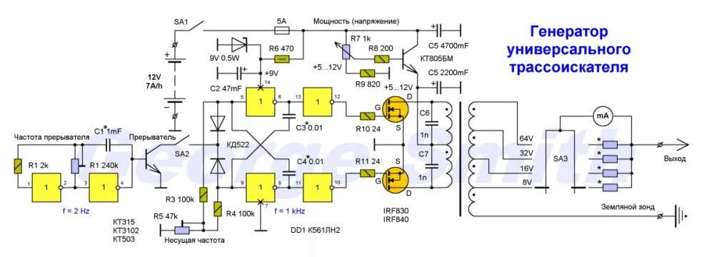
Вот схема универсального генератора для Трассоискателя >>>

Посмотреть вложение 51827

В архиве схема для качественной печати >>> Посмотреть вложение 51828

Уважаемый George Smith а можно данную схему изобразить с микросхемой CD4049UBE не могу разобраться с её даташитом. Не силён я в англиском
 
а можно данную схему изобразить с микросхемой CD4049UBE не могу разобраться с её даташитом
Инверторы 561ЛН2 заменяешь инверторами CD4049UBE, для удобства пользуешься картинками. Обрати внимание на различия в подключении питания.
 

Вложения

  • fe5aaee50071.webp
    fe5aaee50071.webp
    8.9 KB · Просмотры: 303
  • 2012123019331477.webp
    2012123019331477.webp
    10.4 KB · Просмотры: 482
Инверторы 561ЛН2 заменяешь инверторами CD4049UBE, для удобства пользуешься картинками. Обрати внимание на различия в подключении питания.
Спасибо за ответ заменил на CD4069L сказали полный аналог К561ЛН2 и по ножкам попадает.
 
Уважаемые подскажите в чём проблема при включении ключа SA2 генератор тухнет полностью. При отключенном ключе сигнал Пик Пик Пик а не Zzzz как написано в описание. Выпаиваю КТ315 сигнал Zzzz впаиваю Пик Пик Пик при этом ключ откинут.Помогите пожалуйста.
 
Уважаемый George Smith нужен ваш совет встал вопрос с трансформатором если не сложно имеется в наличии железо. Диаметр железа: Наружный 64мм Внутренней 40мм. Высота железа 20мм, ширина 12мм. Если не сложно диаметр проволоки,количество витков первичной и вторичной обмоток ка правильно мотать первичку и вторичку. Извините за наглость просто это первое моё детище которое собираю своими руками и при помощи Вас. а трансы совсем ни когда не мотал. Да ваш генератор планирую использовать в электросетях с сечением жилы кабеля до 120 мм2 и длинной кабеля до 5 км. Пожалуйста Помогите!!!!!
 
Уважаемый Кумир1, как показала практика, использование микросхем и новшеств в данных устройствах нежелательно. Гораздо лучше делать схемы на двух мультивибраторах и усилителе мощности, схема не больше. Вы расскажите условия работы, для чего именно и мы выведем новую схему ?... :)
 
Трассоискатель нужен для работы в электросетях 6кВ 0,4кВ кабельные линии. Трасеровка КЛ. Хорошо будет если будет возможность отыскание неисправностей КЛ но как показывает практика для этого нужен опыт оператора. Вот такие условия его работы. Сам работаю в электросетях очень сложно с лабораторией да и КЛ старенькие а после лаборатории как обычно ещё пять дыр на кабеле. Вот и нужен позарез генератор импульсный. Сам приёмник есть заводской с разными частотами 512Гц 1024Гц и ещё какие то не помню. А схеме меня привлекла простотой сделал её осталось только трансик смостырить и в коробочку подошла как надо подключал к ней автотрансформатор работала и импульс слышно было не понравилось грелась одна IRF это напрягало вот по этому и решил перемотать транс. Один мастер мне сделал транс я его подключил на кабель и через 70м от ТП я потерял импульс. Старый Мастер говорит что раньше был генератор на лампах так тот работал и не просаживался но был минус что ему надо было 220в а это не всегда удобно в полевых условиях. Вот такие дела.
 
Уважаемый George Smith не молчите разочаруйте или обрадуйте хоть чем ни будь.
 
АААА-УУУУУ George Smith что там со схемой или с трансформатором. Есть железо Диаметр железа: Наружный 64мм Внутренней 40мм. Высота железа 20мм, ширина 12мм. Ну помогите пожалуйста.
 
Кумир1,если железо тороидальное - то подойдет , здесь после Табл.1 /homemade-product.ru/blok-pitaniya-iz-starogo-televizora-svoimi-rukami/ на "пальцах" расписано как применить ТВК - 110 Л/ЛМ . . .и подобные, для вашей схемы ,достаточно двух ступеней регулировки выходного напряжения (дополнительно к плавной) , чувствуется что вы трансы не мотали и найти их расчет не можете в инете, Удачи
 
Назад
Сверху