Смотрите видео ниже, чтобы узнать, как установить наш сайт в качестве веб-приложения на домашнем экране.
Примечание: Эта возможность может быть недоступна в некоторых браузерах.
ПКН на импорт поменяйте,кнопка подойдет,проверено. Будете паять,если перегреете,штырьки провернутся и кирдык тогда. Проверено горьким опытомПока работа продвигается медленно, занят самым сложным - корпусами.
Набросал эскиз. Примерно такой внешний вид.
Посмотреть вложение 74170
Слева направо - регулятор громкости, гнездо для наушников, индикатор включения и сетевой выключатель. Оставил только самое необходимое.
На пути сигнала (после регулятора громкости) думаю поставить небольшое реле. При выключении усилителя для наушников реле будет обесточиваться, и сигнал будет направляться на усилитель для АС.
Для индикаторов приобрел "золотые" светодиоды, L-3214UWT-Gold
Цвет свечения между желтым и теплым белым, имитирует лампу накаливания. Сетевой выключатель ПКН41, еще ни разу меня не подводил.
Посмотреть вложение 74171Посмотреть вложение 74172
Пока все. Внезапно работы прекращаются на некоторое время. Потом продолжу.
http://www.tehnari.ru/f49/t24658/index20.html#post713401
Ну я думаю, ТС знает об этой каверзе, как собственно говоря и я...ПКН на импорт поменяйте,
Синий светодиод - баян и радиотехнический мем. Поэтому я от него отказалсятолько подсветку зафигачить синенькую у громкости)))
Как в воду глядел.такое расположение удобно для ЛЕВШИ
Ничего, не в первой ПКН паяем.Будете паять,если перегреете,штырьки провернутся и кирдык тогда.





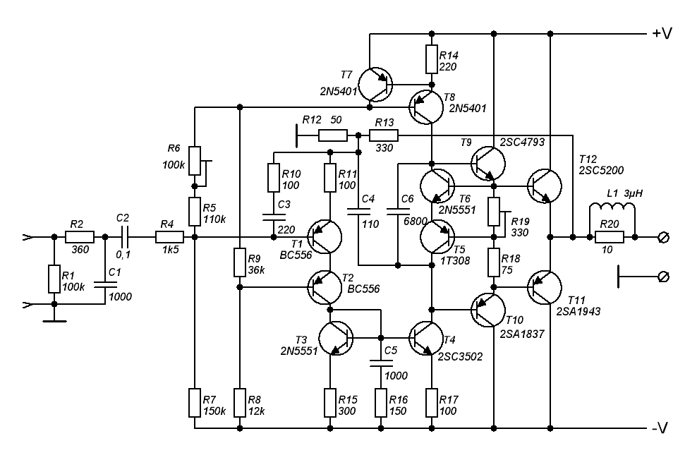
противоперегрузочная коррекция Джона Эллиса
отсутствие TID/транзисторного звучания
первый полюс АЧХ с разомкнутой ООС задан на входе
отсутствие конденсатора в базовой цепи выходного каскада УН
высокая скорость нарастания
транзисторный шунт в выходном каскаде
подавление переключательных искажений
местные ООС во всех каскадах
глубокая, широкополосная общая ООС
отсутствие электролитических конденсаторов в сигнальной цепи и цепи ООС, повышенная устойчивость от самовозбуждения (обусловлена схемотехнически).









Дима, да в таком деле это же нормально, как говорится - полёт фантазии....В общем начинал одно, закончил другим, прошу не пинать.
Вместе с грунтовкой отваливается? А при какой температуре сушил?
Большинство красок на голый металл не ложатся, только на грунтовку. Не удивительно, что она у Вас отвалилась![]()
Wow4an прав, в отличие от дерева металл обладает ничтожной пористостью, и поэтому краске просто не за что цепляться, а грунтовка наоборот, обладает "клеящей" способностью как к металлу, так и к краске. Обработанная грунтовкой металлическая поверхность обладает лучшей адгезией, чем просто голая, хоть и обезжиренная...