S.T.A.L.K.E.R.
Banned
- Регистрация
- 28 Апр 2012
- Сообщения
- 42
- Реакции
- 1
- Баллы
- 0
Я алюминий сначала зашкурил наждачной бумагой, чтобы грунтовка крепче держалась. Время покажет.
Посмотреть вложение 77158Посмотреть вложение 77159
Посмотреть вложение 77160Посмотреть вложение 77161
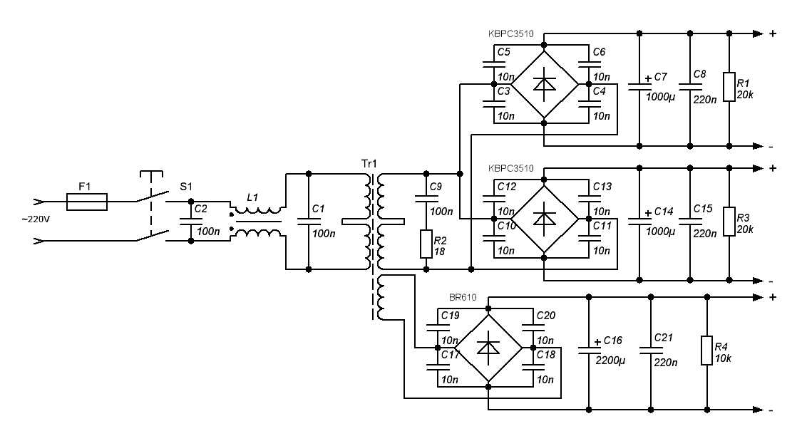
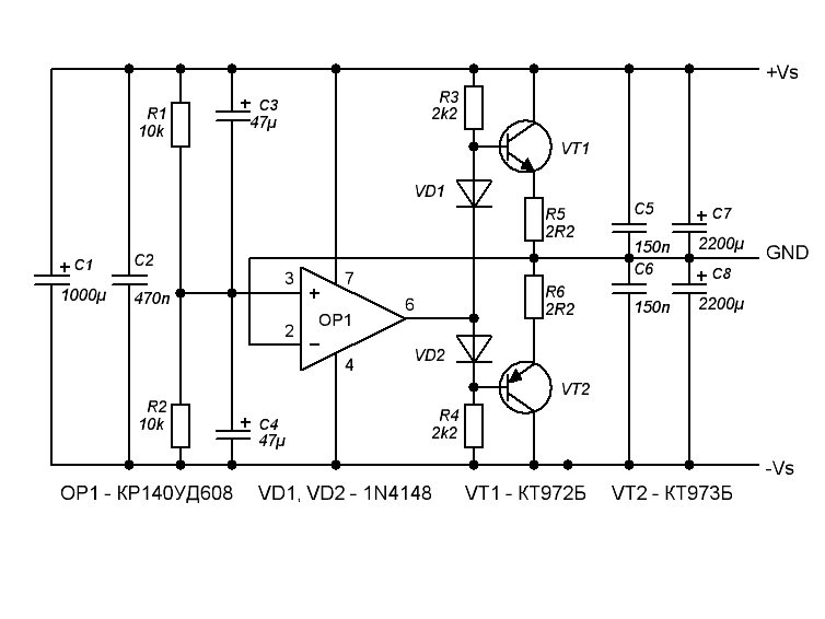
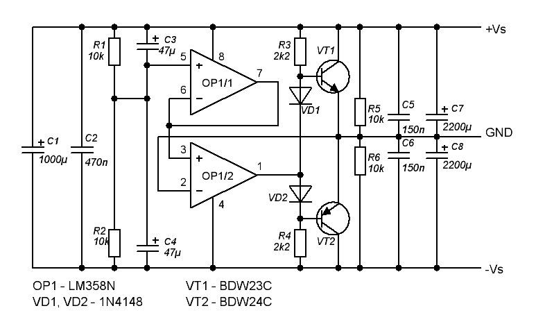
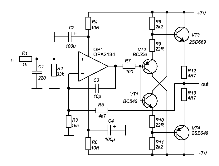
Предварительная примерка. Вот такой "черный ящик".
Теперь можно начинять деталями.
Ящик GOOD!






















