- Регистрация
- 17 Окт 2017
- Сообщения
- 1,628
- Реакции
- 42
- Баллы
- 0
Не, не, не. Задать метальцу!
:guitar:
Хорошо между прочим мозги прочищает
:guitar:
Хорошо между прочим мозги прочищает
Смотрите видео ниже, чтобы узнать, как установить наш сайт в качестве веб-приложения на домашнем экране.
Примечание: Эта возможность может быть недоступна в некоторых браузерах.
Добро пожаловать на компьютерный форум Tehnari.ru. Здесь разбираемся с проблемами ПК и ноутбуков: Windows, драйверы, «железо», сборка и апгрейд, софт и безопасность. Форум работает много лет, сейчас он переехал на новый движок, но старые темы и аккаунты мы постарались сохранить максимально аккуратно.
Форум не связан с магазинами и сервисами – мы ничего не продаём и не даём «рекламу под видом совета». Отвечают обычные участники и модераторы, которые следят за порядком и качеством подсказок.
Если вы у нас впервые, загляните на страницу о форуме и правила – там коротко описано, как задать вопрос так, чтобы быстро получить ответ. Чтобы создавать темы и писать сообщения, сначала зарегистрируйтесь, а затем войдите под своим логином.
Да ладно, крутизну из себя строить. :tehnari_ru_203:их выкинул с глаз долой.
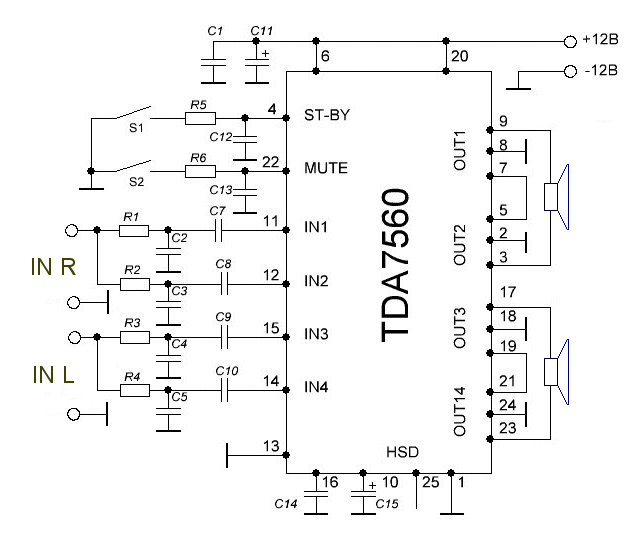
Стесняюсь спросить, а что, она по другому бывает ???7560 мостом
Опять же стесняюсь спросить, от чего именно их прочищать надо ? tehno015мозги прочищает
Четыре раздельных канала, мостом 2х2 ...Стесняюсь спросить, а что, она по другому бывает ???
А если даташит посмотреть, да схему глянуть ??? Не все 4 (четыре) канала мостом включены ?мостом 2х2
Ещё раз повторю, что надотут все каналы просто включены стандартно без моста
В этой микросхеме (TDA7560) Четыре канала, каждый из которых уже включен в мост.даташит посмотреть, да схему глянуть
Причем здесь крутизна? Микробы маломощные, с большими искажениями, со специфическим креплением радиатора. Сплошные минусы. Ну куда они годятся на фоне более современных аналогов?Да ладно, крутизну из себя строить.
Да, я невнимательно даташит смотрелСтесняюсь спросить, а что, она по другому бывает ???
Прочищать мозги надо или не надо, каждый сам решитОпять же стесняюсь спросить, от чего именно их прочищать надо ?
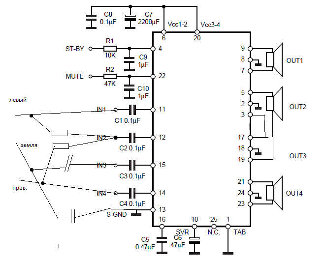
И как её мостом втюхать ?по два усилителя
включаешь в мост и получится 2Х2 ...
Система то 2.1 под сабвуфер ...Смысла нет от такой схемы. Мост аут2 и аут3 такой же по мощности как аут1 или аут4. Проще было один канал не использовать.
Я же показал выше, два средних канала включены мостом, под сабвуфер ...И как её мостом втюхать ?
Конечно можно, кто спорит.Любые два одинаковых усилителя можно включить мост
О питании речь, вообще, не идёт.даже с двухполярным питанием.
А вот это чушь интернетовская.просто нашел
как раз вот это абсолютно не правильно.и там все правильно
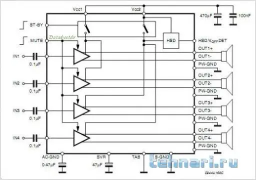
:fase: Действительно, сдуру ляпнул, не посмотрев даташит... tehno001 Почему-то подумалось мне, что она наподобие TDA1558 или TDA7377 :fase: Но зато можно би-ампинг соорудить на ней!А если даташит посмотреть, да схему глянуть ??? Не все 4 (четыре) канала мостом включены ?
Наверное ты прав, я сомневаюсь с входами, выхода то 100% правильно ...как раз вот это абсолютно не правильно. Ещё раз повторю, что нельзя соединять выходы усилителей между собой, которые уже включены в мост.
В чём смысл предложенного Вами включения? Занятие неиспользуемых выводов микросхемы?Наверно вот так надо включать, жаль что у меня нет микрухи, я бы попробовал один канал навесняком ...
Посмотреть вложение 457169
в чипе 290 рублей.жаль что у меня нет микрухи
Шо-то я не пойму, George Smith (погоняло "чукча"tehno001) , это такой прикол ??? tehno015выхода то 100% правильно