• Добро пожаловать на компьютерный форум Tehnari.ru. Здесь разбираемся с проблемами ПК и ноутбуков: Windows, драйверы, «железо», сборка и апгрейд, софт и безопасность. Форум работает много лет, сейчас он переехал на новый движок, но старые темы и аккаунты мы постарались сохранить максимально аккуратно.

    Форум не связан с магазинами и сервисами – мы ничего не продаём и не даём «рекламу под видом совета». Отвечают обычные участники и модераторы, которые следят за порядком и качеством подсказок.

    Если вы у нас впервые, загляните на страницу о проекте и правила – там коротко описано, как задать вопрос так, чтобы быстро получить ответ. Чтобы создавать темы и писать сообщения, сначала зарегистрируйтесь, а затем войдите под своим логином.

    Не знаете, с чего начать? Создайте тему с описанием проблемы – подскажем и при необходимости перенесём её в подходящий раздел.
    Задать вопрос Новые сообщения Как правильно спросить
    Если пришли по старой ссылке со старого Tehnari.ru – вы на нужном месте, просто продолжайте обсуждение.

Усилитель для сабвуфера

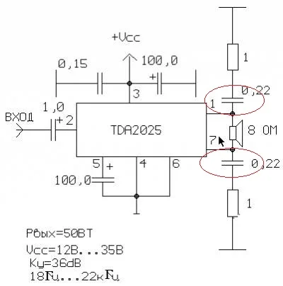
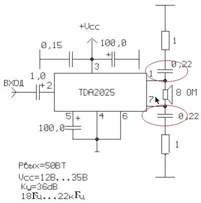
ну вот эти
 

Вложения

  • s57926.webp
    s57926.webp
    12.1 KB · Просмотры: 2,280
слюда есть только один но низнаю на сколько,а можна ли обойтись без них?сразу ставить резисторы?
 
спсаибо,поищу керамику или чтото в это роде
 
хорошо,посталю плёнку,всё равно не нашёл такую керамику сестре буду заказывать 4 таких кондёра и микросхему
 
тему не забросил,жду приезда микросхемы)))
 
Ну вот закончил с трансформатором перемотал его под 20вольт переменки после диодного моста и укондёров примерно будет 26вольт,на провод идущий к разетки не обращайте внимание проста под ругу больше ничего не попалось
 

Вложения

  • IMG_0008.webp
    IMG_0008.webp
    68.2 KB · Просмотры: 335
а если точна то 26,8 вольт постоянки ка раз то что нужно для tda2025,мою тему хоть ктонибудь смотрит?
 
Наверное фторопластовая пленка.или просто изолента.что не есть хорошо. 1-я при 30 гр Ц выделяет достаточно токсичный газ. 2-я просто плавится.
 
белая это фумка
 
А зачем? Без этого всего теплоотдача будет лучше. Обмотка же не проитывалась?
 
как понять не проитывалась?
 
выпал такой удачный случай что отец привез рабочий телевизор но на запчасти он увсё работает но нету пульта а на самом нету кнопок переключать и ещё на экране проста зелёная полоса я его сразу же разобрал на запчасти вытащий усилок на tda2003 сразу нашёл почти все детали осталось немнога и буду собирать усилитель на tda2025)))
 
как понять не проитывалась?
Ну не могу же я совсем без ошибок писать?
"Пропитывалась" ессстесственно.
Качественная пропитка не только изоляцию улучшает, но и теплоотдачу.
 
нет не пропитывалась я намотал провод а сверху тонкий слой фумки
 
проверьте правильно или нет
 

Вложения

  • IMG_0014.webp
    IMG_0014.webp
    55.7 KB · Просмотры: 205
  • s57926.webp
    s57926.webp
    12.1 KB · Просмотры: 5,197
Резисторы на 1 Ом, а не 1кОм
 
Назад
Сверху