• Добро пожаловать на компьютерный форум Tehnari.ru. Здесь разбираемся с проблемами ПК и ноутбуков: Windows, драйверы, «железо», сборка и апгрейд, софт и безопасность. Форум работает много лет, сейчас он переехал на новый движок, но старые темы и аккаунты мы постарались сохранить максимально аккуратно.

    Форум не связан с магазинами и сервисами – мы ничего не продаём и не даём «рекламу под видом совета». Отвечают обычные участники и модераторы, которые следят за порядком и качеством подсказок.

    Если вы у нас впервые, загляните на страницу о форуме и правила – там коротко описано, как задать вопрос так, чтобы быстро получить ответ. Чтобы создавать темы и писать сообщения, сначала зарегистрируйтесь, а затем войдите под своим логином.

    Не знаете, с чего начать? Создайте тему с описанием проблемы – подскажем и при необходимости перенесём её в подходящий раздел.
    Задать вопрос Новые сообщения Как правильно спросить
    Если пришли по старой ссылке со старого Tehnari.ru – вы на нужном месте, просто продолжайте обсуждение.

Усилитель из магнитолы

  • Автор темы Автор темы dimo4ek
  • Дата начала Дата начала
да хотел просто стелать и кинуть на задние колонки в машину,питание аком 140 A
 
Это все меняет, появляется смысл.
 
по идееи там мощность 4Х50 не плохо было бы усилить все 4 колонки так как мощности им не хватает
 
что именно на сделать?
 
200 ватт в салоне может недостаточно быть, только если акустика ну совсем уж камно.
У меня от 200т ватт на дому мозги плавятся. Может подумать о замене головок?
 
Без отдельного 4х канального усилителя ты ничего серьезного не выжмеш из головок.
Напиши какие бошки стоят. А то может и смысла нету заморачиваться.
 
голова в машине sony cdx-gt457ue
 
Не "голова", как у вас принято автомобилистов, а "головки". Динамики. Какие?
 
а, задние
Sony XS-F 6947 R:
коаксиальная АС, (6x9 дюйм.), чувствительность: 92 дБ
Мощность номинальная / максимальная: 80 / 330 Вт
Характеристики
Частотный диапазон 25 - 27000 Гц
Количество полос 4
передние
трехполосная коаксиальная АС

номинальная мощность 80 Вт
максимальная мощность 500 Вт
чувствительность 91 дБ (Вт/м)
импеданс 4 Ом
диапазон частот 27 - 27000 Гц
 
Вранье безбожное.. с чуйкой 90дб на мощности 100 ватт в канал вчетвером оно бы выдало 116дб.
Что громко уже просто невыносимо.
Если дури маловато, значит 91-92 там и близко не пахнет, дай бог чтобы 83 было.
 
не долбит очень хорошо, звук чистый. все удивляются думают что стоит усилитель и бас но их нет,НО МНЕ МАЛО!
 
Поберегите уши. Или к 50 будете жестами общаться, я не шучу.
 
надо мной уже прикалываются, тип тебя глушь не мучает?а то так только глухие слушают музыку.
ну так что на счет магнитолы, кто ни будь поможет? хотя бы что куда попробовать потыкать проводами можно ?
 
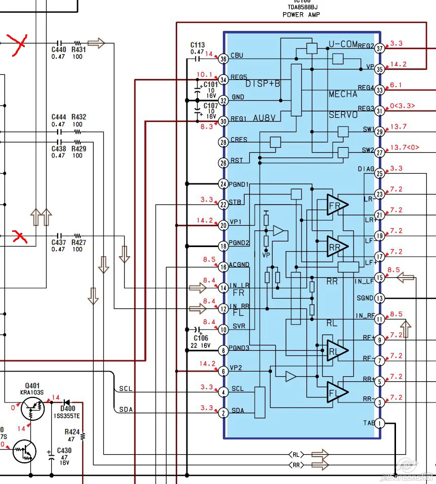
Ну а чо там. Схема есть. Судя по всему 14, 12 ноги IC100- входы мощника
Либо 6, 7 IC401 - входы регулятора громкости в канале тюнера.
Оторвать входящую цепь и прицепить туда либо туда, через 1 Ком последовательно и 200нф на землю для каждого канала.
Выходы и питание на разъеме тоже расписаны. Дерзайте..

Насчет глухоты - вовсе не шутка, а жестокая правда. Обидно будет, если хватитесь слишком поздно.
 

Вложения

оторвать входящую цепь откуда? где она находится?
 
Я же написал. Подходит к микрухе.
Все что подходит оторвать и впаяться туда как я сказал.
Если оставить громкость, то 6, 7 ic401
Если только мощник - 14,12 IC100

Схему смотрите, там все нарисовано и подписано.

Если непонятно, лучше вообще не браться - сломаете аппарат.
Щас черкану..
 
Последнее редактирование:
На IC401 нарисовал что резать и как впаивать.
На IC100 только что резать, но впаивать - так же точно.
Должно пахать, вроде.
Стоит еще с кондерами 200пф резисторы параллельно поставить на 5-10к, чтобы фон не ловить.
 

Вложения

  • rg.webp
    rg.webp
    96.8 KB · Просмотры: 763
  • pa.webp
    pa.webp
    85.7 KB · Просмотры: 1,981
во класс теперь буду пробовыть
 
Назад
Сверху