• Добро пожаловать на компьютерный форум Tehnari.ru. Здесь разбираемся с проблемами ПК и ноутбуков: Windows, драйверы, «железо», сборка и апгрейд, софт и безопасность. Форум работает много лет, сейчас он переехал на новый движок, но старые темы и аккаунты мы постарались сохранить максимально аккуратно.

    Форум не связан с магазинами и сервисами – мы ничего не продаём и не даём «рекламу под видом совета». Отвечают обычные участники и модераторы, которые следят за порядком и качеством подсказок.

    Если вы у нас впервые, загляните на страницу о проекте, чтобы узнать больше. Чтобы создавать темы и писать сообщения, сначала зарегистрируйтесь, а затем войдите под своим логином.

    Не знаете, с чего начать? Создайте тему с описанием проблемы – подскажем и при необходимости перенесём её в подходящий раздел.
    Задать вопрос Новые сообщения Как правильно спросить
    Если пришли по ссылке со старого Tehnari.ru – вы на нужном месте, просто продолжайте обсуждение.

Усилитель в машину

  • Автор темы Автор темы ilkona
  • Дата начала Дата начала
Я имею ввиду где больше КПД от моего действия получится??
 
Получится. КПД почти не зависит от сборки .
 
Я понял спс..
 
Появился следующий вопрос..

Как мне мои колонки свен со встроенным усилком в колонках, который я беру на дачу и слушаю музыку через телефон, подсоединить с усилком с колонками ПАРАСОНИК ??
И чтобы все 4 колонки играли через телефон ??
У ПАНАСОНИКОВ 6 ОМ сопр. у СВЕН 4

Т.Е на панасоник собрать усилок который 1558Q и подключить Панасоник к Свенам
 

Вложения

  • 21092011037.webp
    21092011037.webp
    32.3 KB · Просмотры: 717
  • Panasonic.webp
    Panasonic.webp
    63.5 KB · Просмотры: 688
Жду помощи)))
 
На входе это на Магнитофоне??

С усилком ТДА1558Q я почувствую разницу в звучании?

Просто сейчас я магнитолу на мах выкрутить не могу, димамики начинают хрепеть.. Магнитола мощная.. Есть смысл в усилке, или для начала врезать колонки в машину еще Boshmann >?


это не *магнитолла мощная*,а магнитолла *фиговая*
пора привыкнуть к тому ,что *на заборе пишут* и выучить закон ома.
твоя магнитолла(вернее усилок в ней) перегружается по входу,вот и динамики *рыпеть* начинают,есть один способ решения,-это хороший внешний усилитель на все динамики что планируешь поставить в салон.
-есть у меня сосед(парень лет 30ти с хвостиком)так тоже меня убеждал в том что у него супер-пупер магнитолла за 250баксов,но в итоге когда я сдела ему звук в авто(а на это ушло больше денег чем он заплатил за свою *громкошепталку*),то мнение человека резко изменилось.
 
Появился следующий вопрос..

Как мне мои колонки свен со встроенным усилком в колонках, который я беру на дачу и слушаю музыку через телефон, подсоединить с усилком с колонками ПАРАСОНИК ??
И чтобы все 4 колонки играли через телефон ??
У ПАНАСОНИКОВ 6 ОМ сопр. у СВЕН 4

Т.Е на панасоник собрать усилок который 1558Q и подключить Панасоник к Свенам
 

Вложения

  • Panasonic.webp
    Panasonic.webp
    63.5 KB · Просмотры: 566
  • 21092011037.webp
    21092011037.webp
    32.3 KB · Просмотры: 385
Последнее редактирование:
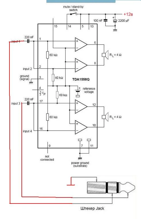
вот так
 

Вложения

  • Безымянный.webp
    Безымянный.webp
    12.9 KB · Просмотры: 144
Т.Е подсоединяю телефон 3.5 в колонку СВЕН 3.5 и в ПАНАСОНИК и все?
А как сделать гнездо под 3.5 в копрусе к чему подключать?
 
переходник купи
 
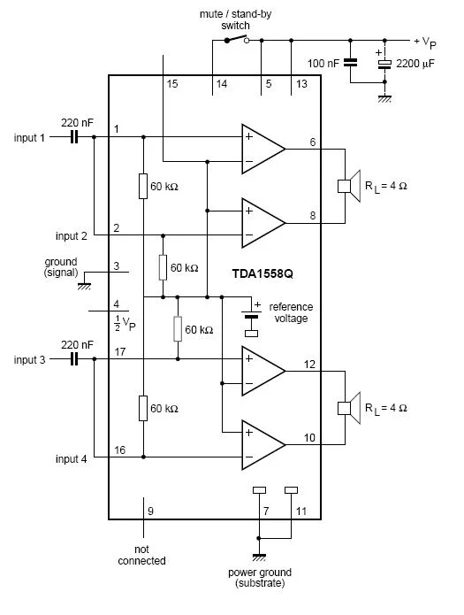
Нет в усилке 1558КЮ как сделать такой вход под 3.5 к чему подключать схему встудию
 
ты что прыкалываешся?
 
там же всё написано
 

Вложения

  • TDA1558Q_amlifire.webp
    TDA1558Q_amlifire.webp
    18.2 KB · Просмотры: 11,836
Китайская грамота
 
input-вход
динамик -сам догадайся:)
 
Пожалуйста обьясни
 
Спасиба Учител!
 
А дросель и трансформатор это не одно и то же ?
 
---------
 

Вложения

  • Безымянный1.webp
    Безымянный1.webp
    23.3 KB · Просмотры: 1,980
Назад
Сверху