Не
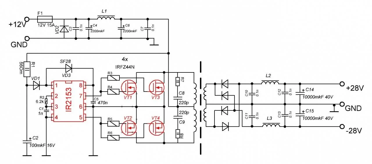
Саня пока ужас, ну ничего главное начало, хоть оба преобразователя
организация у них разная ...
Обратная связи по 12В не нужна, делитель RC на питание микросхемы
не нужен, она питается просто от 12В. Вывод
6 надо на массу, это
параллельное синфазное включение. Первичная обмотка трансформатора
должна содержать две обмотки (два плеча), которые будут работать
также в противофазе. Глушители гармоник останутся на каждое плечо
свой, только резисторы 18-24 кОм. Транзисторы включаются не последо-
вательно, а истоки (S) все на массу, стоки (D) попарно параллельно
на концы обмоток, средняя точка обмотки на 12В. Посмотри еще раз
преобразователь который предложен и поймешь организацию включения
первички трансформатора и полевиков. Давай еще раз с чувством и
расстановкой, не спиши обдумай как работает каждый элемент, что
не понятно спрашивай ...
P.S. Саня я извиняюсь на счет делителя RC, я так продумал он нужен,
но не как делитель, а как фильтр, то есть резистор маленький. Диод
входной можно поставить на место, разницы нет где он будет стоять,
это защита от переполюсовки, на входе наверное надо электролиты ...
