Блокинг-генератор, двухтактный

Несимметричный двухтактник очень неприятен в настройке, очень критичен к устройству обмоток и подбору элементов !... :)

Эта схема интересна тем что работает даже без смещения на базы транзисторов т.е. только переменная составляющая но при определённых условиях.
 

Вложения

  • DSC00019.webp
    DSC00019.webp
    27.6 KB · Просмотры: 609
]А схема-то где ?

Смотрите на следующих страницах только что обнаружил.
 
А люстру Чижевского как делал, без умножителя ?... :)
 
А люстру Чижевского как делал, без умножителя ?... :)
Умножитель самодельный. Диоды кажется на 10 кв. а кондёры на 6.3 кв.и каждый кондюк заливал эпоксидкой т.к. была прошивка на выводах. Транс от строчника. Высоковольтная обмотка оставлялась а первичные наматывал
Питание автономное от квадратной батарейки. Транзистор строчный КТ812,
КТ819, КТ825 и пр.
 
Схема двухтактного Б.Г. не оправдалась, работает только один транзистор второй участвует в цепи базы первого. Самозапит не получается из-за несимметричного сигнала и больших потерь при выпрямлении. Предлагаю для повторения схему блокинг генератора в режиме качера. Трансформатор тот же Ш-ый от импульсного Б.П. с зазором. Порядок намотки следующий: L2 и L4 двойным проводом по 30 витков, L3-90 витков, L5-40 витков, L1-70 витков можно было больше закончился провод. Порядок подключения строго по схеме L3-L2-L1. При изменении порядка подключения обмоток генератор прекращает работу при отпускании кнопки ПУСК. L1 включена встречно к L2 и L3 для облегчения (чёткого) запуска генератора при нажатии кнопки ПУСК. Все обмотки мотались в одном направлении. Полагаю что L1 и L3 тоже лучше мотать двойным проводом. Сейчас на выходе 1 напряжение 50 в. по тестеру а на выходе 2 10 в. Ток потребления 160 ма. Выход 1 планирую для раскачки бифиляра на феррите. При изменении ёмкости конденсатора от ВЕФ наблюдается несколько резонансов. После перемотки вторичной обмотки бифиляра будут результаты.
 

Вложения

  • DSC00021.webp
    DSC00021.webp
    42.5 KB · Просмотры: 249
Блокинг-генератор (Вики) - тогда последний абзац Вам в помощь.
Классический блокинг генератор имеет пассивные элементы а значит дополнительные потери. При этом смещение на базу даёт повышенный ток потребления как по базе так и в коллекторе. Я разработал качер на основе блокинг генератора. Там нет постоянного тока в базе а значит ток потребления минимален. Схему смотри на 3 ей странице.
 
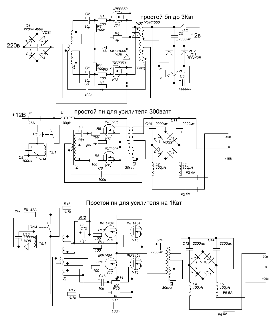
Привет я тоже разрабатывал схемы наподобие блокинг генераторов,автогенераторы мощность у них большая работают на полевиках ну если у тебя есть время и желание собрать мою разработку можешь помоч ато у меня осцилогрофа нет и я незнаю что с ним происходит во время нагрузки или без нагрузки.Буду очень благодарен.
 

Вложения

  • иип2.GIF
    иип2.GIF
    42.7 KB · Просмотры: 622
Привет я тоже разрабатывал схемы наподобие блокинг генераторов,автогенераторы мощность у них большая работают на полевиках ну если у тебя есть время и желание собрать мою разработку можешь помоч ато у меня осцилогрофа нет и я незнаю что с ним происходит во время нагрузки или без нагрузки.Буду очень благодарен.

К сожалению у меня тоже нет осциллографа а так я самоучка. Когда то работал радиомонтажником и была возможность паять. Делал генератор от сети на тиристоре и от батарейки на транзисторе. Полазил по инету схем полно но сложные в повторении. Решил тряхнуть стариной и родились две интересные схемы. Разобрал какой то агрегат то ли бесперебойник квт на 5 то ли усилитель. На выходе по 3 SC5200 и SA1943. Так вот транзистор SC5200 интересный экземпляр работает как германиевый. В генераторном режиме может работать без смещения на базу. Сейчас появилось много новых элементов. Можно изобрести всё что угодно даже перпетум. Сейчас на проработке БГ по мостовой схеме.
 
а ну ладно тогда удачи.Походу это усилитель был пн на них врядли строят
 
Автор красавчик, мне кажется эта идея очень перспективная. Правда я смотрю тут многие просто почти ничего не шарят в генераторах. Для базового ознакомления эту статью прочитайте Строение и работа автомобильного генератора. Кстати не знаю кто чертежей не видел, я видел 3 публикации с начала темы.
 
Назад
Сверху