• Добро пожаловать на компьютерный форум Tehnari.ru. Здесь разбираемся с проблемами ПК и ноутбуков: Windows, драйверы, «железо», сборка и апгрейд, софт и безопасность. Форум работает много лет, сейчас он переехал на новый движок, но старые темы и аккаунты мы постарались сохранить максимально аккуратно.

    Форум не связан с магазинами и сервисами – мы ничего не продаём и не даём «рекламу под видом совета». Отвечают обычные участники и модераторы, которые следят за порядком и качеством подсказок.

    Если вы у нас впервые, загляните на страницу о форуме и правила – там коротко описано, как задать вопрос так, чтобы быстро получить ответ. Чтобы создавать темы и писать сообщения, сначала зарегистрируйтесь, а затем войдите под своим логином.

    Не знаете, с чего начать? Создайте тему с описанием проблемы – подскажем и при необходимости перенесём её в подходящий раздел.
    Задать вопрос Новые сообщения Как правильно спросить
    Если пришли по старой ссылке со старого Tehnari.ru – вы на нужном месте, просто продолжайте обсуждение.

Болезни TDA1558Q

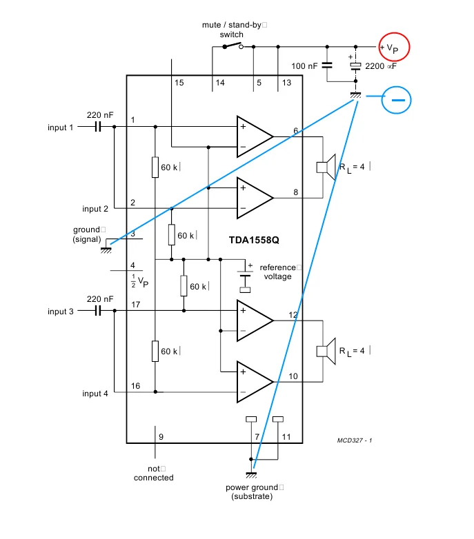
Даташит я уже видел и пробовал отключать ничего хорошего это не дало!
 
пробовал разделно подключать сигнальную и питание усилитель вообще не фурычил
 
Вот вот! И все так! Хоть кто нибудь сказал бы обратное! :) Значит не всегда надо верить даташиту!

Странно просто...По даташиту одно а тут блин.Поставил кстати резистор и емкость-НЕ СКАЧЕТ,ДАЖЕ НЕ СЛЫШНО ВКЛЮЧЕНИЕ:tehnari_ru_049:
 

Вложения

  • общий.webp
    общий.webp
    22.9 KB · Просмотры: 6,850
А в каком даташите вы видели, что общий сигнала (3) не соединяется с общим питания (7, 11)?? У меня вот такой даташит, и всё соединено

Я вроде перепутал...Да и писали тут некоторые что 3 отдельно.А так резистор и кондюки надо добавлять
 
Кто какие емкости ставил на входе и как звучат?У меня 0.33 по даташиту 0.22,кто еще что вешал?
 
у меня 0.64 было. особой разницы не заметил
 
да тут до 1го микрофарата можно ставить.....ниче не будет...это фильтруюший кондесатор...я на звук подобрал это у меня получилост 2х2 последовательно пленка по 0.25микрофарад...и звучит даже очень хорошо для этой мс!
 
Назад
Сверху