Kiborg_102
Новые
- Регистрация
- 1 Ноя 2011
- Сообщения
- 85
- Реакции
- 0
- Баллы
- 0
блин задумка воскресить часы а не сделать новые
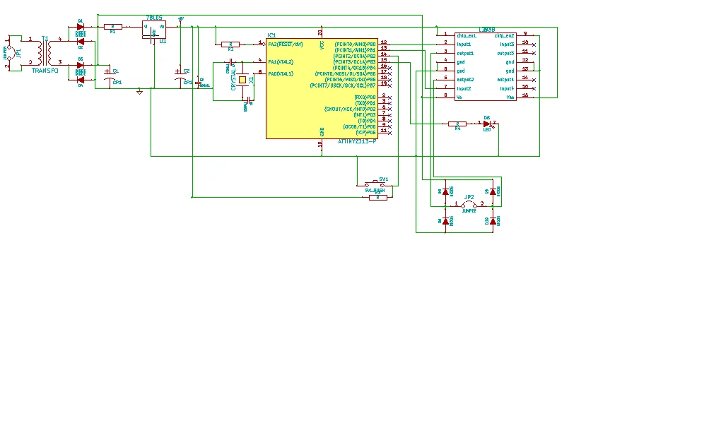
кстати на какой порт и какие выводы лучше повесить??
кстати на какой порт и какие выводы лучше повесить??
Смотрите видео ниже, чтобы узнать, как установить наш сайт в качестве веб-приложения на домашнем экране.
Примечание: Эта возможность может быть недоступна в некоторых браузерах.
Добро пожаловать на компьютерный форум Tehnari.ru. Здесь разбираемся с проблемами ПК и ноутбуков: Windows, драйверы, «железо», сборка и апгрейд, софт и безопасность. Форум работает много лет, сейчас он переехал на новый движок, но старые темы и аккаунты мы постарались сохранить максимально аккуратно.
Форум не связан с магазинами и сервисами – мы ничего не продаём и не даём «рекламу под видом совета». Отвечают обычные участники и модераторы, которые следят за порядком и качеством подсказок.
Если вы у нас впервые, загляните на страницу о форуме и правила – там коротко описано, как задать вопрос так, чтобы быстро получить ответ. Чтобы создавать темы и писать сообщения, сначала зарегистрируйтесь, а затем войдите под своим логином.
Дык может он всего 0.1 Ом, чудики разные бывают ...А зачем в схеме резистор R1 перед 78L05?
А зачем в схеме резистор R1 перед 78L05?