• Добро пожаловать на компьютерный форум Tehnari.ru. Здесь разбираемся с проблемами ПК и ноутбуков: Windows, драйверы, «железо», сборка и апгрейд, софт и безопасность. Форум работает много лет, сейчас он переехал на новый движок, но старые темы и аккаунты мы постарались сохранить максимально аккуратно.

    Форум не связан с магазинами и сервисами – мы ничего не продаём и не даём «рекламу под видом совета». Отвечают обычные участники и модераторы, которые следят за порядком и качеством подсказок.

    Если вы у нас впервые, загляните на страницу о проекте, чтобы узнать больше. Чтобы создавать темы и писать сообщения, сначала зарегистрируйтесь, а затем войдите под своим логином.

    Не знаете, с чего начать? Создайте тему с описанием проблемы – подскажем и при необходимости перенесём её в подходящий раздел.
    Задать вопрос Новые сообщения Как правильно спросить
    Если пришли по ссылке со старого Tehnari.ru – вы на нужном месте, просто продолжайте обсуждение.

ИБП для усилителей

  • Автор темы Автор темы dipq
  • Дата начала Дата начала
Посмотри в Инете даташит на эти диоды, если они с барьером Шотки
и большеточные то пойдут, мы же не можем все помнить ... :)
 
Уменя есть 4диода FR302 подойдут ли они?
Нет не пойдут, у них ток маловат всего 3А (надо хотя бы 6-8А)
А зачем это все трогать, перематывай транс и все
А мне вот кажется что в комповском БП половина элементов не пойдет по предельно допустимому току а другие по напряжению. Там ведь было максимум было 12В и на всех конденсаторах предельно допустимое напряжение 16В.
Ну может это моё субъективное мнение но мне так кажется что проще спаять новый чем переделывать этот :tehnari_ru_325:
 
А мне вот кажется что в комповском БП половина элементов не пойдет по предельно допустимому току а другие по напряжению. Там ведь было максимум было 12В и на всех конденсаторах предельно допустимое напряжение 16В.
Не после трансформатора выход собираешь уже отдельно и диодный мост, дроссель
и электролиты, это напряжение никак не попадет обратно в БП. Единственное
надо будет домотать еще одну малоточную обмотка на 12В (тонким проводом)
и включить ее на обратную связь.
Ну может это моё субъективное мнение но мне так кажется что проще спаять новый чем переделывать этот
Я тоже согласен, лучше заново в этом же корпусе ... :)
 
Ну может это моё субъективное мнение но мне так кажется что проще спаять новый чем переделывать этот :tehnari_ru_325:

я бы попробовал спаять новый но нет у меня стеклолита:(. По старому питанию убрал все буду ставить что будет надо.
 
Лучше всего для таких целей использовать старый БП АТХ. Ничего менять не
надо. Убираешь только провода, меняешь трансформатор и делаешь новый
фильтр на выход соответственно ... :)

Вот, даже включается обыкновенным выключателем и работает без всяких добавок >>>

Dsc00669.webp DSC00670.webp
 
Не после трансформатора выход собираешь уже отдельно и диодный мост, дроссель
и электролиты
АААА ну если только так то еще может быть :)
я бы попробовал спаять новый но нет у меня стеклолита
О как я понимаю этот недостаток комплектующих.
Можно заказать через интернет (но конечно бюджет......)
 
Саня, вот я выше добавил фотки старого БП АТХ, ничего менять не надо,
включил и он работает, а на выходе уже делай чё хош, только транс поменяй ... :)
 
Саня, вот я выше добавил фотки старого БП АТХ, ничего менять не надо,
включил и он работает, а на выходе уже делай чё хош, только транс поменяй ...
Ага я увидел, но этож надо ещё такой найти. А это может стать задачей куда более сложной чем найти стеклотекстолит :) хотя если такой БП есть то конечно это вариант.
 
Лучше всего для таких целей использовать старый БП АТХ. Ничего менять не
надо. Убираешь только провода, меняешь трансформатор и делаешь новый
фильтр на выход соответственно ... :)

Вот, даже включается обыкновенным выключателем и работает без всяких добавок >>>

Посмотреть вложение 49549 Посмотреть вложение 49550

у меня кокрас бп АТХ в нем надо ли делать обратную связь.
 
Надо, но зря ты его разобрал, в любом надо иначе не запустятся ... :)
 
Каким выводам шима идет обратная связь?
 
Я так и не понЯл куда подключать обратную связь?
 
кто нибуть мне сможет помочь?:tehnari_ru_837:
 
Я чёй то не нашел где? Обратись к Виталию fasa, он как раз этим занимается,
переделкой БП, у него есть адрес сайта, где все это описано ... :)
 
Я чёй то не нашел где? Обратись к Виталию fasa, он как раз этим занимается,
переделкой БП, у него есть адрес сайта, где все это описано ... :)

Юрий сможешь дать ссылку на Виталия, что то я поискал и не смог найти на форуме ника fasa
 
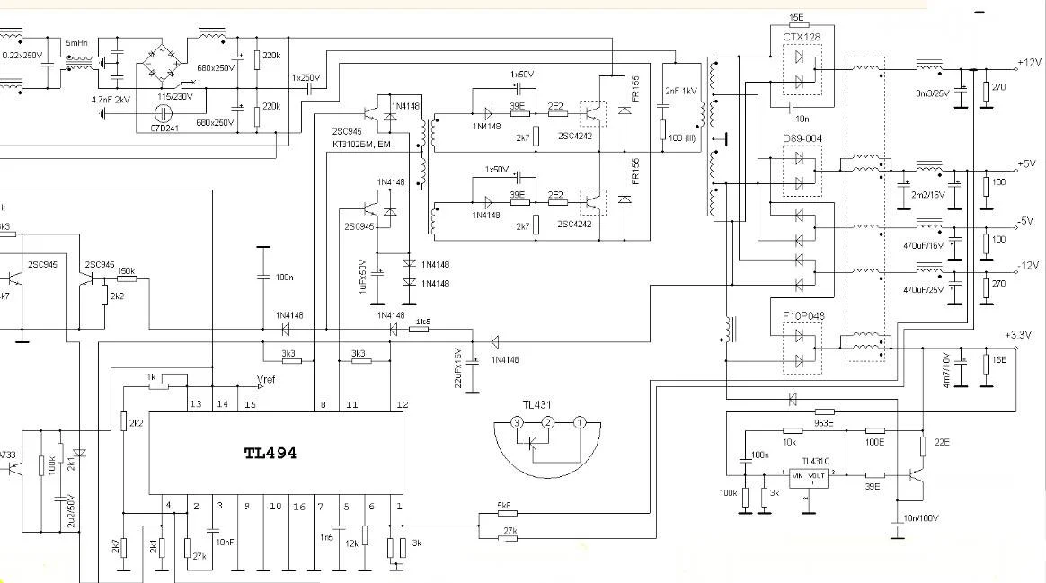
Искал схему этого бп "G-Alantic model: ATX-230" но так не чего и не нашел
нашел только подобную схему
Где сдесь обратная связь?
 

Вложения

  • 2011-09-11_162039.webp
    2011-09-11_162039.webp
    58.6 KB · Просмотры: 594
Искал схему этого бп "G-Alantic model: ATX-230" но так не чего и не нашел
нашел только подобную схему
Где сдесь обратная связь?

обьясните незнающему где сдесь обратная связь на схеме?
 
Назад
Сверху