• Добро пожаловать на компьютерный форум Tehnari.ru. Здесь разбираемся с проблемами ПК и ноутбуков: Windows, драйверы, «железо», сборка и апгрейд, софт и безопасность. Форум работает много лет, сейчас он переехал на новый движок, но старые темы и аккаунты мы постарались сохранить максимально аккуратно.

    Форум не связан с магазинами и сервисами – мы ничего не продаём и не даём «рекламу под видом совета». Отвечают обычные участники и модераторы, которые следят за порядком и качеством подсказок.

    Если вы у нас впервые, загляните на страницу о форуме и правила – там коротко описано, как задать вопрос так, чтобы быстро получить ответ. Чтобы создавать темы и писать сообщения, сначала зарегистрируйтесь, а затем войдите под своим логином.

    Не знаете, с чего начать? Создайте тему с описанием проблемы – подскажем и при необходимости перенесём её в подходящий раздел.
    Задать вопрос Новые сообщения Как правильно спросить
    Если пришли по старой ссылке со старого Tehnari.ru – вы на нужном месте, просто продолжайте обсуждение.

JCM800 EL84 mod

  • Автор темы Автор темы seymour
  • Дата начала Дата начала
У тебя фон судя по звукозаписи явно 50 гЦ, а с гитары он никак не может идти ?... :(

P.S. Как организованы накалы ?
 
Фон одинаковый, что с гитарой , что без неё. Может сама лампа мозг е....?
 
Вторая. Сейчас поменял местами с первой лампой, вроде как фон уменьшился, или уже со слухом чего.....
 

Вложения

  • Снимок_2015_11_25_20_43_30_389.png.webp
    Снимок_2015_11_25_20_43_30_389.png.webp
    16.4 KB · Просмотры: 207
Я бы на накалы ламп предусилителя подал положительный потенциал что б запереть виртуальный диод между катодом и нитью. Делитель запитал бы с конденсатора из точки В или С.
Можно попробовать накал выпрямить и отфильтовать. Правда напряжение накала снизится. Для выпрямленного тока надо было накал на 1-1,5 В больше делать.
 
Я сейчас на смарте... Только писать могу... По закону Дома задаешься током делителя 5 мА и расчитываешь два резистора. В точке их соединения получаешь потенциал 20-30 В. Этот потенциал подаётся на среднюю точку накала ламп предусилителя. Поищи схемы в интернете. Должно быть это...
 
Примерно можно взять резисторы 270 кОм и 30 кОм. 10 % от напряжения анодки получится...
 
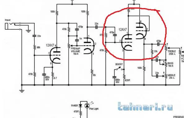
Вот только чего нашёл( фото 1). В моём случае я правильно нарисовал?
 

Вложения

  • фото 1.png.webp
    фото 1.png.webp
    66.4 KB · Просмотры: 211
  • фото 2.png.webp
    фото 2.png.webp
    68.9 KB · Просмотры: 209
В моём случае я правильно нарисовал?
Именно! А чё там сложного-то... Нечего там чертить... Всё словами сказано! Понял что за "виртуальный диод"? Он появляется в результате утечки...
В предложенном варианте получали потенциал +60 В, но это нужно скорее всего для фазоинверсных и драйверных ламповых каскадов, работающих на больших амплитудах входных сигналов! В предусилителях размах сигналов не такой большой, поэтому и потенциал можно делать в пределах +20 +30 В.
 
Попробывал, фон только изменил свою "окраску",как будто высокх частот добавилось. Оставил как есть. Больше не знаю куда копать. Метод "тыка" не прошёл. Надо искать осцилограф, а то точно до молотка доковыряю.
 
Я бы на каждой лампе, по одной ноге накала , посадил бы на масу. и забылся про какой либо фон, но дело хозяйское!
 
Последнее редактирование:
Метод "тыка" не прошёл. Надо искать осцилограф
tehno040 Давно пора! Но всё указывает на 2 причины:
1. Неудовлетворительный монтаж и несколько точек соединения "минуса" источника и шасси!
2. Недостаточная фильтрация "анодного" напряжения в районе предусилителя!
Попробуй измерить режимы входных ламп посмотри на каком токе они работают. Режим меряй как и у оконечных (по падению напряжения на анодных и катодных резисторах). Возможно что у них маленький ток покоя что создаёт недостаточное падение на резисторах RC фильтра (лампы подзаперты). Для снижения собственного шума лампы, да и транзисторов тоже, рекомендуется увеличивать их ток покоя. При этом снижается коэффициент усиления каскадов. Меньше будет вероятности усиливать фон со входа! Попробуй оценить это по работе регулятора громкости, точнее его положению.
 
Накал-то со средней точкой.
Я уже второй слипил на 6П7С , и накал розвожу одна нога на минусе (общий, шаси,масса.) а вторая на обмотку транса.Получается я всю конструкцию питаю тремя проводами в накале я неиспользую ни одного резистора.Старый дедовский способ.
 
вот пример того что я использую на практике
 

Вложения

  • 50_pic001555555.webp
    50_pic001555555.webp
    22.8 KB · Просмотры: 718
  • БП Регена 111.webp
    БП Регена 111.webp
    56.1 KB · Просмотры: 376
Надо искать осцилограф
Что вам поможет осцылограф?! ,он фон не уберёт.
Да ещё можно заэкранировать потенциометры подпаяв на корпус кусочек провода и на шаси массу подпаять особенно ручку пресенсе.
 
1. Неудовлетворительный монтаж и несколько точек соединения "минуса" источника и шасси!
Я например нигде в фирменном монтаже не видел массы в кучу и сам тоже никогда не делал. Массой служит просто шасси и все.
Я уже второй слипил на 6П7С , и накал розвожу одна нога на минусе (общий, шаси,масса.) а вторая на обмотку транса.Получается я всю конструкцию питаю тремя проводами в накале я неиспользую ни одного резистора.Старый дедовский способ.
Да я тоже так пробовал - работает нормально.
2. Недостаточная фильтрация "анодного" напряжения в районе предусилителя!
А вот это скоее всего, если фон 50 гЦ.
 
вот пример того что я использую на практике
Видел я уже эту тему... И комментарий уже по этому поводу давал... Не по феншую это... давать от БП к УМ три провода! Повторяюсь... Тащи 4-ре! А накал и "минус" анодки подсоединяй (заземляй) у лампы как ты это и делаешь! Анодку "в косичку" и накал в отдельную "косичку". А не в общую как у вас!
И к тому-же было бы не верно сравнивать когда БП + УМ в вашем случае отдельно и как у Сеймура Пред+УМ+БП на общем шасси. Причём всё внимание нужно приложить в области преда и ручек регуляторов, как правильно подмечено!
 
Последнее редактирование:
Назад
Сверху