• Добро пожаловать на компьютерный форум Tehnari.ru. Здесь разбираемся с проблемами ПК и ноутбуков: Windows, драйверы, «железо», сборка и апгрейд, софт и безопасность. Форум работает много лет, сейчас он переехал на новый движок, но старые темы и аккаунты мы постарались сохранить максимально аккуратно.

    Форум не связан с магазинами и сервисами – мы ничего не продаём и не даём «рекламу под видом совета». Отвечают обычные участники и модераторы, которые следят за порядком и качеством подсказок.

    Если вы у нас впервые, загляните на страницу о форуме и правила – там коротко описано, как задать вопрос так, чтобы быстро получить ответ. Чтобы создавать темы и писать сообщения, сначала зарегистрируйтесь, а затем войдите под своим логином.

    Не знаете, с чего начать? Создайте тему с описанием проблемы – подскажем и при необходимости перенесём её в подходящий раздел.
    Задать вопрос Новые сообщения Как правильно спросить
    Если пришли по старой ссылке со старого Tehnari.ru – вы на нужном месте, просто продолжайте обсуждение.

Как сделать регулятор громкости для колонок?

Этот усилитель будет одинаково хорошо работать на акустические системы разной конструкции и разного сопротивления. У меня был его аналог "Бриг 001", это предыдущая модель этого усилителя. Так вот он хорошо работал с дешёвой акустикой 10-МАС-1М и с S-90.

Насколько я понимаю, с моей акустикой АС6-авто он тоже будет работать нормально?
 
Да, вполне. Только сама акустика не очень...
 
У нас на работе такой БРИГ стоит, "колокольчики" с него работают большие.
 
Да, вполне. Только сама акустика не очень...

Мне концерты под открытым небом не устраивать. Мне главное чтобы можно было разобрать звук метров с трех-четырех. И что бы акустика не сдохла в первые минуты работы.
 
А вот с громкостью поаккуратнее. Вполне можешь им свои динамики спалить.
 
А вот с громкостью поаккуратнее. Вполне можешь им свои динамики спалить.

Громкость мне не нужна большая. Все равно почти все время сижу в наушниках. Договорённость с женой. Она делает телевизор на низкую громкость и не смотрить всякие тупые сериалы, а я за компом сижу в наушниках. Обоим хорошо, оба довольны. :tehnari_ru_203:
 
Отличная договорённость! :))
 
Поздравьте меня, устроился работать в рекламную фирму. Занимаемся изготовлением различной наружной и внутренней рекламы. В результате имею доступ к различному материалу: оргстекло, ПВХ, поликарбонат. А так же различной самоклейке и возможности её резке на плотере.

Но главное не это. Разгребая различный мусор в мастерской наткнулся на рабочие автомобильные динамики. Вот только не могу найти информации по ним. Может кто поможет найти инфу по ним.

К тому же решил корпус для них сделать самостоятельно, а не брать уже готовый. Единственная проблема в том, что для обработки материала, в данном случае ПВХ, использую только наждак и свои любимые ручки. Поэтому в стыках деталей есть небольшие щели. Поэтому придется использовать шпаклевку для их заделки.

Соединение деталей производиться с помощью клея "Космофен" на основе цианоакрилата. Достаточно хорошо держит и после высыхания не токсичен.
 

Вложения

  • DSC00492.webp
    DSC00492.webp
    85.1 KB · Просмотры: 437
  • DSC00493.webp
    DSC00493.webp
    99.4 KB · Просмотры: 413
  • DSC00490.webp
    DSC00490.webp
    56.7 KB · Просмотры: 403
  • DSC00491.webp
    DSC00491.webp
    84.3 KB · Просмотры: 385
  • DSC00495.webp
    DSC00495.webp
    115.5 KB · Просмотры: 319
динамики ватт на 10-15, не больше
 

для компьютерного сабика хватит 25ГДН это минимум.
практиковал размеры, пиши: ящик внутренним объёмом 11 литров, труба внутренним диаметром 4,5см длина 18см. подводимая мощность не более 30 ватт.
саб получится поющим но с мягким басом. это самый экономичный саб. дин может быть в колонках 15АС и S-30.
 
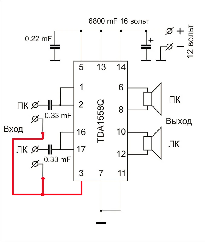
Сегодня поговорил с двоюродным братом. Он обещал собрать мне усилитель по схеме, что изображена на фото. Вот только интересно мне, а откуда и как брать питание для такого усилителя? Ведь если я не ошибаюсь, то напряжения идущее от звуковой платы не хватит для питания усилителя и колонок.
 

Вложения

  • 0001.webp
    0001.webp
    17.4 KB · Просмотры: 543
  • 0002.webp
    0002.webp
    42.8 KB · Просмотры: 1,993
  • 0003.webp
    0003.webp
    52.1 KB · Просмотры: 2,379
  • 0004.webp
    0004.webp
    54.2 KB · Просмотры: 819
  • 0005.webp
    0005.webp
    19 KB · Просмотры: 628
Надо делать внешний источник питания. Питать от компьютерного не очень хорошо.
 
Валерий, это я понял. Просто можно ли для питания усилителя использовать не нужный блок питания на 200 от компа. Просто у меня лежат таких две штуки, в рабочем состоянии оба. Вот и встал вопрос надо ли паять отдельно БП или можно немного переделать (удалить все не нужное) уже имеющийся БП?
 
Я бы не советовал, дело в том, что компьютерный блок питания не совсем подходит для звука. Да и этот усилитель не создаст должной нагрузки на такой блок питания. Лучше обычный трансформатор.
 
Кстати в радиодеталях на политехе видел, завезли трансформаторы и ферритовые кольца большие;)
 
Я бы не советовал, дело в том, что компьютерный блок питания не совсем подходит для звука. Да и этот усилитель не создаст должной нагрузки на такой блок питания. Лучше обычный трансформатор.

А какая разница? Если для усилителя собранного по этой схеме: http://www.tehnari.ru/192103-post13.html необходимо всего 12В, то с компьютерного БП их прекрасно можно снять. С того же молекса. Если я в чем-то не прав, то прошу более подробно объяснить. Валерий, сам пойми, я в делах электроники почти круглый ноль.
 
Компьютерный блок питания дает импульсное напряжение, а для усилителя нужно постояное иначе ты будешь слушать импульсы. Если использовать импульсный блок питания придется ставить конденсаторы очень большой емкости.
 
Компьютерный блок питания дает импульсное напряжение, а для усилителя нужно постояное иначе ты будешь слушать импульсы. Если использовать импульсный блок питания придется ставить конденсаторы очень большой емкости.

Без обид, но прошу не ругаться матом :) . Я же сказал, то не понимаю в этом ничего, ну почти ни чего. Я знаю, что существует переменный и постоянный ток, а вот про импульсное и постоянное напряжение слышу в первый раз. Ну возможно, что и не в первый, может в школе на физике что-нибудь подобное и рассказывали, но точно ни чего подобного уже не помню. Так что ТРЕБУЮ проведения ликбеза!!! :) :) :)
 
Тема называется не так страшно, как выглядит 91 пост.
 
Назад
Сверху