• Добро пожаловать на компьютерный форум Tehnari.ru. Здесь разбираемся с проблемами ПК и ноутбуков: Windows, драйверы, «железо», сборка и апгрейд, софт и безопасность. Форум работает много лет, сейчас он переехал на новый движок, но старые темы и аккаунты мы постарались сохранить максимально аккуратно.

    Форум не связан с магазинами и сервисами – мы ничего не продаём и не даём «рекламу под видом совета». Отвечают обычные участники и модераторы, которые следят за порядком и качеством подсказок.

    Если вы у нас впервые, загляните на страницу о проекте, чтобы узнать больше. Чтобы создавать темы и писать сообщения, сначала зарегистрируйтесь, а затем войдите под своим логином.

    Не знаете, с чего начать? Создайте тему с описанием проблемы – подскажем и при необходимости перенесём её в подходящий раздел.
    Задать вопрос Новые сообщения Как правильно спросить
    Если пришли по ссылке со старого Tehnari.ru – вы на нужном месте, просто продолжайте обсуждение.

Хрип в УНЧ 2х15 Вт на TDA2030AL

я тоже ссылался что мс бракованые :-(
 
Фильтр питания чем больше емкость - тем лучше, но и больше 4700 ставить смысле нет в этот усилитель. Так что это роли не сыграло. Так же еще можно взять новые емкости электролиты - я и на такой дурдом с покупными платами нарывался. Было новое, а где-то сухое оказалось. Но это после замены мс.
 
Фильтр питания чем больше емкость - тем лучше, но и больше 4700 ставить смысле нет в этот усилитель. Так что это роли не сыграло. Так же еще можно взять новые емкости электролиты - я и на такой дурдом с покупными платами нарывался. Было новое, а где-то сухое оказалось. Но это после замены мс.

не,электролиты норм, замерял напряжение на второй мс на 4 ножуке 11 вольт. при этом подаю 12 с бп атх
 
Ребят,проверил вольтметром еще раз питание на мс`ках , все норм,обе рабочии
 
Плату сам собирал или уже была собранная паянная?
 
А детали точно все на своих местах?
 
И микросхема начальная вылетела на этом напряжении или всё же она живая? Это последний вопрос.
 
МСки сменил уже? То, что ты описал - похоже на брак обычный...
 
МСки сменил уже? То, что ты описал - похоже на брак обычный...

мс`ки не менял ,заменил только один кондер,который паралельно питанию, сегодня вечером буду проверять мелкие кондеры на входе и выходе,резисторы норм , еще забыл сказать,на моей печатки не было дорожки к 5 ножке 2 мс, пришлось перемычку паять) Всех С ПРАЗДНИКОМ ! СПАСИБО ЗА ПОМОЩЬ! буду менять провод входа звука на более качественный)
 
чего ж сразу об этом не сказал? место это можешь покрупнее планом показать откуда и куда была перемычка? вполне может быть брак на самой плате - ошибка разводки.
 
чего ж сразу об этом не сказал? место это можешь покрупнее планом показать откуда и куда была перемычка? вполне может быть брак на самой плате - ошибка разводки.

щас фото скину а на рисунке платы нарисую где её не было
 
воот фото, прошу не ругать,фото платы делал на камеру мобильника ,нормальной мыльницы нету
 

Вложения

  • Безымянный.webp
    Безымянный.webp
    66.6 KB · Просмотры: 207
  • P09-05-13_12.54.webp
    P09-05-13_12.54.webp
    62.5 KB · Просмотры: 164
Попробуй сфоткать через линзу.
 
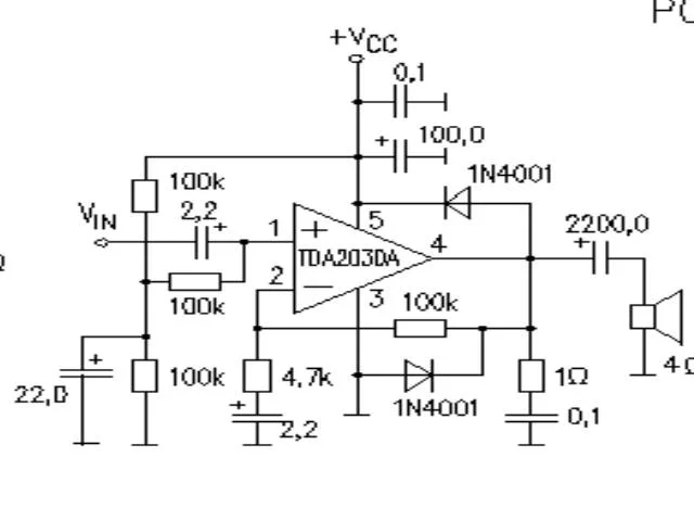
Номиналы попробуй поставь как на этой схеме
 

Вложения

  • amp13_e1.webp
    amp13_e1.webp
    15.5 KB · Просмотры: 2,230
Щас пока нету времени менять детальки и что их менять,у меня еть ток вольтметр и тот советский, куплю мультиметр и тогда все вымеряю и буду смотреть что нужно делать дальше, щас, нужна помощь знающих,есть Трансформатор 2полярное питание 1провод 10 вольт , 2провод 20 вольт и 3 GND ,есть диодный мост КЦ405Е , 2 кондера на 4700мф 16 вольт,нужно создать бп для усилителя ,кто поможет мне в этом?!
 

Вложения

  • DSC_0000016 (2).webp
    DSC_0000016 (2).webp
    56.9 KB · Просмотры: 62
  • DSC_0000017.webp
    DSC_0000017.webp
    58.3 KB · Просмотры: 52
  • DSC_0000018 (2).webp
    DSC_0000018 (2).webp
    59.8 KB · Просмотры: 68
  • DSC_0000019.webp
    DSC_0000019.webp
    49.2 KB · Просмотры: 79
Десять вольт будет маловато после фильтрации, двадцать явный перебор, кц может греться, если в двухполярку его включить от такого напряжения. Есть еще какие диоды? Просто по вольтажу то будет нормально - 14в плюс фильтр, но за силу тока после кц я не могу сказать ничего положительного.
 
Назад
Сверху