• Добро пожаловать на компьютерный форум Tehnari.ru. Здесь разбираемся с проблемами ПК и ноутбуков: Windows, драйверы, «железо», сборка и апгрейд, софт и безопасность. Форум работает много лет, сейчас он переехал на новый движок, но старые темы и аккаунты мы постарались сохранить максимально аккуратно.

    Форум не связан с магазинами и сервисами – мы ничего не продаём и не даём «рекламу под видом совета». Отвечают обычные участники и модераторы, которые следят за порядком и качеством подсказок.

    Если вы у нас впервые, загляните на страницу о форуме и правила – там коротко описано, как задать вопрос так, чтобы быстро получить ответ. Чтобы создавать темы и писать сообщения, сначала зарегистрируйтесь, а затем войдите под своим логином.

    Не знаете, с чего начать? Создайте тему с описанием проблемы – подскажем и при необходимости перенесём её в подходящий раздел.
    Задать вопрос Новые сообщения Как правильно спросить
    Если пришли по старой ссылке со старого Tehnari.ru – вы на нужном месте, просто продолжайте обсуждение.

Колонки для мобильного

  • Автор темы Автор темы VANbKA
  • Дата начала Дата начала
Опять проблема) на колонках две клеммы, они подписаны, одна + , другая - .
а на рисунке и на схеме не показано какой из проводов + и - . помогите разобраться плз
 

Вложения

  • u-0011111.webp
    u-0011111.webp
    32.1 KB · Просмотры: 2,573
красный плюс,желтый минус
 
Вообще TDA15ХХ горят и звук не очень.
 
Спасибо) дкмаю больше не буду вас тупыми вопросами доставать)))):tehnari_ru_707:
 
Для лучшего качества нужно собирать TDA 2030/50 7294.
 
Для лучшего качества нужно собирать TDA 2030/50 7294.

сам собирал на TDA 2050 конешно на много лучше TDA 15ХХ
слушал музыку на этом усилителе до 10июня пока в сеть не подали примерно 360вольт :tehnari_ru_121::tehnari_ru_744:
пока что слушаю на TDA 1558 собирая новый усилитель на TDA 2050
 
Хорошо хоть 2050 стоит дешева.
 
В следующий раз полюбому на 2050 соберу) раз вы её так нахваливаете))))
 
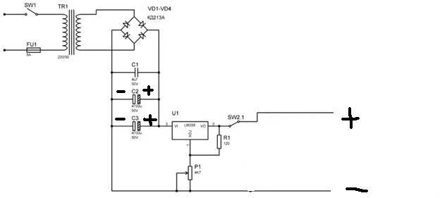
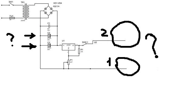
начал собирать БП для усилка и возникли еще вопросы.
какой из проводов на выходе + , Первый или второй?. И как ставить электролиты. там вроде бы обозначено но я не знаю что это + или -???
 

Вложения

  • clip_image002.webp
    clip_image002.webp
    11.7 KB · Просмотры: 86
Диодный мост тебе подсказка - второй плюс. электролиты - левая обкладка по схеме должна быть минус.
 
с электролитами немного не понял .то есть вот так?
 

Вложения

  • clip_image002.webp
    clip_image002.webp
    6.8 KB · Просмотры: 4,939
СПАСИБО!))
 
а ничего серьезного не будет если я БП и усилок в одну и ту же коробочку засуну? там все довольно плотно ляжет) не повлияет ли это на звук?, а то asco писал что так нельзя. Ну естественно там все заизолирую
 
а ничего серьезного не будет если я БП и усилок в одну и ту же коробочку засуну? там все довольно плотно ляжет) не повлияет ли это на звук?, а то asco писал что так нельзя. Ну естественно там все заизолирую

будут помехи от транса
 
а ничего серьезного не будет если я БП и усилок в одну и ту же коробочку засуну? там все довольно плотно ляжет) не повлияет ли это на звук?, а то asco писал что так нельзя. Ну естественно там все заизолирую
Нужна так называемая рубашка для транса.
 
появилась еще одна фигня) собрал БП, все нормально работает) но в схеме есть микруха LM338 , и при работе БП она нагревается за 2-3 минуты до температуры примерно 50-70 градусов (приблизительно, не мерил, а просто пальцами потрогал) что мне делать? а то ведь я выключил БП когда микра нагрелась, может вдруг она и до 100 градусов дотянет или еще больше? так все оставить или кулер на БП вешать?
 
Назад
Сверху