Нет, суть не только в том чтобы просто получить три фазы из одной, а нужно ещё и поднять напряжение с 220 до 380 вольт. Распределительная коробка это квадратный выступ на двигателе, закрытый крышкой, и куда заходят провода
Смотрите видео ниже, чтобы узнать, как установить наш сайт в качестве веб-приложения на домашнем экране.
Примечание: Эта возможность может быть недоступна в некоторых браузерах.
так у меня на работе стоят ПЧ, на входе 220 однофазное и на выходе 380 трёхфазное и между ПЧ и двигателем ничего не установлено.а нужно ещё и поднять напряжение с 220 до 380 вольт.
Скажу, что это преобразователь может работать как от однофазной, так и от трёхфазной цепи питания.
....но для этого его (двигатель) нужно включать не звездой, а треугольником. Посмотрите на шильдике двигателя, нет ли обозначения типа "380/220".

.Не могли бы вы сказать на каком из фото изображена распределительная коробка.
Спасибо большое, но я вообще не разбираюсь к сожалению( Поэтому ищу человека, который сможет это сделать. Покажу ему)
,но я вообще не разбираюсь к сожалению
( Поэтому ищу человека, который сможет это сделать. Покажу ему)
Распределительная коробка это квадратный выступ на двигателе, закрытый крышкой, и куда заходят провода
.Я не спорю а жду название модели, у товарища дилемма - толи двигло новый покупать придется, толи частотник с бустером. Всё будет зависеть от стоимости или наличиятак у меня на работе стоят ПЧ, на входе 220 однофазное и на выходе 380 трёхфазное и между ПЧ и двигателем ничего не установлено.
Я не спорю а жду название модели, у товарища дилемма - толи двигло новый покупать придется, толи частотник с бустером. Всё будет зависеть от стоимости или наличия
Не, я не про ТС-а, а про токарный станок у своего товарищаЯ не спорю а жду название модели, у товарища дилемма - толи двигло новый покупать придется, толи частотник с бустером. Всё будет зависеть от стоимости или наличия
Нет, суть не только в том чтобы просто получить три фазы из одной, а нужно ещё и поднять напряжение с 220 до 380 вольт. Распределительная коробка это квадратный выступ на двигателе, закрытый крышкой, и куда заходят провода

Нужно открыть крышку распределительной коробки на двигателе и сфотографировать её содержимое, выложив фото сюда. Если соединение не глухое, т. е. выведены все провода обмоток, то переключить со звезды на треугольник вообще не представляет никаких проблем
Должно получиться - так:
Посмотреть вложение 444083
В комплекте с двигателем должны идти дополнительные перемычки(перемычка).
Должно получиться - так:
Посмотреть вложение 444083
В комплекте с двигателем должны идти дополнительные перемычки(перемычка).
Если Вы переделали включение обмоток двигателя на треугольник, то Вам нужен частотник на 220 вольт, то есть первое предложение. Однако 0,75 kW максимальная мощность нагрузки частотника, и 0,75 kW мощность Вашего двигателя. В принципе всё штатно, но я бы посмотрел на модельку 220 вольт 1,5 kW. Это моё личное мнение - не люблю отсутствие запаса
Если Вы переделали включение обмоток двигателя на треугольник, то Вам нужен частотник на 220 вольт, то есть первое предложение. Однако 0,75 kW максимальная мощность нагрузки частотника, и 0,75 kW мощность Вашего двигателя. В принципе всё штатно, но я бы посмотрел на модельку 220 вольт 1,5 kW. Это моё личное мнение - не люблю отсутствие запаса
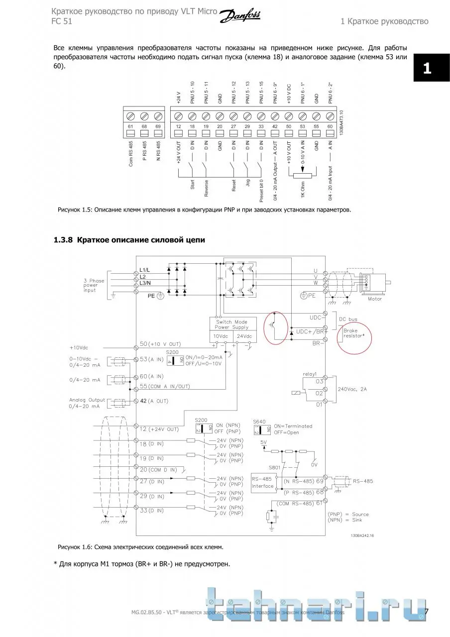
подойдёт. Как раз вход однофазный на 220 вольт. Но смущает в описании, никогда не видел что стоит встроенный тормозной транзистор! Обычно есть встроенные тормозные резисторы.Точнее, как на 2 фото. Прикрепил.
... в описании, никогда не видел что стоит встроенный тормозной транзистор!
.