• Добро пожаловать на компьютерный форум Tehnari.ru. Здесь разбираемся с проблемами ПК и ноутбуков: Windows, драйверы, «железо», сборка и апгрейд, софт и безопасность. Форум работает много лет, сейчас он переехал на новый движок, но старые темы и аккаунты мы постарались сохранить максимально аккуратно.

    Форум не связан с магазинами и сервисами – мы ничего не продаём и не даём «рекламу под видом совета». Отвечают обычные участники и модераторы, которые следят за порядком и качеством подсказок.

    Если вы у нас впервые, загляните на страницу о форуме и правила – там коротко описано, как задать вопрос так, чтобы быстро получить ответ. Чтобы создавать темы и писать сообщения, сначала зарегистрируйтесь, а затем войдите под своим логином.

    Не знаете, с чего начать? Создайте тему с описанием проблемы – подскажем и при необходимости перенесём её в подходящий раздел.
    Задать вопрос Новые сообщения Как правильно спросить
    Если пришли по старой ссылке со старого Tehnari.ru – вы на нужном месте, просто продолжайте обсуждение.

Многополосный усилитель

  • Автор темы Автор темы SHREK-2
  • Дата начала Дата начала
Готов отутюжить и паять, но не хотелось-бы делать бестолковую работу.

А кстати, почему не загружает в Lay???

Заархивируйте её и прикрепите к сообщению, посмотрю на соответствие с схемой, плюс - исправлю определённые моменты, но не быстро.
 
Спасибо!
Обязательно сделаю.
 
Вот, доработал.
Ёмкости 0,1 мф - плёнки по питанию.
На схеме у автора есть несколько неточностей: так резистор регулировки DEEP BASS обозначен как R2, я его обозначил как R27, и резистор с выхода 7 микросхемы U4B обозначен как снова R26,я его обозначил как R28.
Конденсатор С12 на 0,12 мф не нашёл, сделал составной из трёх.
КСТАТИ!!!
С номиналом резистора регулировки DEEP BASS тоже НЕ ВСЁ ОК! А смоделировать ситуацию и получить необходимый номинал чЁйто не получается. Если у кого есть по этому поводу информация - поделитесь пожалуйста!
 

Вложения

подвигал немного, не сильно изменяя исходник.
 

Вложения

В обвязке U4A, чтобы не мудрить с номиналами, привести их к более распространенным. R20, R21 - 8,2k; R22, 23 - 22k; R24, 25 - 56k; C9 - 1u; C10, 11 - 0,1u; C12 - 0,15u.
 
21 век ,в цифре надо фильтры делать. Тогда геморроя с сшивкой не будет
 
Добрый день, Уважаемый М.Васильев!
Позвольте с Вами, глубочайшим образом, НЕ СОГЛАСИТЬСЯ!!!
Цифра - оно, конечно, дело хорошее, НО!!!
На мой вкус, это как надувную с дородной сравнивать:grud:, и денег на неё надо, а "синтетика" - она и есть "синтетика"!
Это всего-лишь моё личное восприятие мироздания.
(извиняюсь если получилось грубо!)
 
не все сразу, этап проб и познания длинный и тернистый. Цифра, при наличии компа и очень доступного проигрывателя доступна и сейчас, ничего паять ненужно и все делается сидя на диване. Нравится или нет, вопрос риторический и вкусы меняются.
 
Нравится или нет, вопрос риторический и вкусы меняются.[/QUOTE]

Это точно!
Я бы даже сказал что малоальтернативный!
 
В обвязке U4A, чтобы не мудрить с номиналами, привести их к более распространенным. R20, R21 - 8,2k; R22, 23 - 22k; R24, 25 - 56k; C9 - 1u; C10, 11 - 0,1u; C12 - 0,15u.
В обвязке U4A, чтобы не мудрить с номиналами, привести их к более распространенным. R20, R21 - 8,2k; R22, 23 - 22k; R24, 25 - 56k; C9 - 1u; C10, 11 - 0,1u; C12 - 0,15u.

С этим каскадом особых проблем не возникло.
Но вот по U4B?????
 
Настоятельно прошу проверить - делалось урывками, могут быть ошибки!
Это эскиз, можете подвигать под свои детали, из Ваших габаритных размеров платы вроде не выпрыгнул. Обращаю внимание на то, что нет соединений с регуляторами. Добавлены развязки по питанию и на выходе нескольких ОУ резисторы.
 

Вложения

  • Pilot.webp
    Pilot.webp
    40.3 KB · Просмотры: 323
  • ТриАмп 4_Н.zip
    ТриАмп 4_Н.zip
    40.2 KB · Просмотры: 40
Доброго дня!
Ещё вопросик!!!
Стоит-ли на входе схемы из поста №158 поставить регулятор ширины стереобазы? Например из журнала "Радио" №11 1989год?
Или опять начнутся фазовые неприятности??
 

Вложения

Всем Добрый День!!!
Прошу прощения что долго молчал. До Нового года мотался по командировкам, а потом прихватил инфаркт, впиндюрили два стента. потом беготня по врачам. В общем было совсем как-то не до того. Ну вот теперь хочешь-не хочешь, а время немного появилось. Поначалу, для разминки обновил свой парк источников питания (замахорил два новых блока: линейный двухполярник на LM-ках от +- 1,2 до 35В до пяти ампер и однополярный из старого компьютерного БП +3,5,9 и 12 вольт). Пришло время заняться и мечтой-идеей! Начал осваивать Tina9, промоделировал в ней каскады триампа. Немного доделал печатку от Mr.Fix, (за что ему от меня Низкий Поклон!): разобрался с регуляторами, доработал дорожки, в связи с заменой конденсаторов в цепях питания микросхем на малогабаритные плёнки передвинул земляную шину сверху.
Огромная просьба: у кого есть время-желание, пожалуйста гляньте на предмет косяков и земляных петель!!!
С огромным уважением и признательностью, Александр!
 

Вложения

Fisher, привет.
Как сказал один мой приятель , такой проект делается в одиночку или не делается совсем.
Рад что у меня появился единомышленник.
Давай спишемся в личке.
Есть о чем поговорить.
Андрей.
 
Что касаемо регулятора ширины стереобазы.
Сделать отключаемым.
Например при прослушивании винила
на ушник регулятор работает на все 120%.
При прослушивании с компа этого нет.
Ваш выбор, господа.
Что касаемо фазовых искажений...
Думаю, что их страшность преувеличена.
Фазовых искажений нет только при прослушивании шеллака на 78 об/мин с помошью поздравительной открытки ...
 
Огромная просьба: у кого есть время-желание, пожалуйста гляньте на предмет косяков и земляных петель!!!
Всё таки не нужно сигнальные проводники выполнять полигонами - увеличиваете паразитные связи.
С шинами земли вполне нормально, единственное, что хотел заметить, предусмотрите на плате разделение силовой и сигнальной, может понадобиться в дальнейшем.
 
Всем ДОБРЕЙШЕГО ДЕНЬКА!!!
Не ожидал что так быстро откликнетесь!!!
Уважаемый Mr.Fix! Очень признателен Вам за, как всегда, очень ценные замечания! Обязательно учту и доработаю плату и с сигнальными проводниками и с сигнальной землёй!
Вопрос: имеет ли смысл на плату воткнуть сразу и стабилизаторы по питанию, чтоб и 4 обмотки трансформатора, и 4 выпрямителя? Чтоб было совсем независимое питание? Видел у буржуев иногда такое встречается.
Уважаемый Андрей SHREK-2!
Несказанно рад что я такой не один!
Про отключаемый регулятор ширины стереобазы тоже думал. Даже печатку начал паять именно для этого проекта. Схемка мною давно проверена, Отлично работает и на виниле, и на кассетных, и бабинных магнитофонах (плюс при минимуме деталей не плохой рокот-фильтр). Что касается лички, то вот моя почта, ashitov16@gmail.com, там и телефон есть.
Ещё раз всем ОГРОМНОЕ СПАСИБО!!!
Буду ваять дальше.
 
Ширину сигнальной земли оставляйте как есть, желателен минимальный импеданс.
Стабилизаторы можете разместить на плате, а выпрямители и конденсаторы фильтров ближе к трансформатору, там же и снабберы. Если обмотки трансформатора выполнены раздельными, желательно для каждой применить свой выпрямитель.
На входе 230 вольт не забудьте про сетевой фильтр.
По поводу всего остального - я всё же остаюсь минималистом, что ни чуть не мешает восприятию музыки и локализации звуковых образов в пространстве, не только по ширине, но и по глубине.
На мой взгляд при этом большее значение имеет правильная расстановка АС, чем применение дополнительных электронных устройств и корректоров.
 
Уважаемый Mr.Fix, абсолютно согласен с каждой буквой в вашем сообщении!
Всё так и планируется: на имеющемся торике без вторичных обмоток (такой имеется в наличии, на вид Ватт 15-20) намотаю 4 параллельные обмотки, на каждую поставлю свой DB107, воткну по конденсатору 10 000 мф х 35В (при таком токе потребления лишнего конечно, но таковые имеются) и плёнку 0,1 мф, поставлю по L7815-7915 с обвязкой по даташиту, на плате поставлю ещё конденсаторы микрофарад 470 х 25В (думаю достаточно?). На входе трансформатора поставлю фильтр - обязательно!
Вопрос: что имеется в виду под снабберами в конкретно этой схеме питания???
 
Ёмкости в фильтре питания избыточны, вместо 78хх, 79хх лучше применить LM317, 337 с ёмкостью в регулировочной ноге. Выпрямительные диоды желательно применить Шоттки.
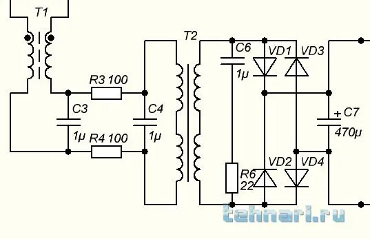
Снаббер - это цепь предназначенная гасить паразитный колебательный процесс в контуре вторичной обмотки в момент запирания диодов.
Примерная схема приведена на рисунке, цепь C6, R6 - снаббер.
 

Вложения

  • pow.webp
    pow.webp
    11.9 KB · Просмотры: 76
Назад
Сверху