- Регистрация
- 6 Май 2011
- Сообщения
- 3,360
- Реакции
- 108
- Баллы
- 63
Да, люди пошли нервные. В морду плюнешь, драться лезут.
Смотрите видео ниже, чтобы узнать, как установить наш сайт в качестве веб-приложения на домашнем экране.
Примечание: Эта возможность может быть недоступна в некоторых браузерах.
Добро пожаловать на компьютерный форум Tehnari.ru. Здесь разбираемся с проблемами ПК и ноутбуков: Windows, драйверы, «железо», сборка и апгрейд, софт и безопасность. Форум работает много лет, сейчас он переехал на новый движок, но старые темы и аккаунты мы постарались сохранить максимально аккуратно.
Форум не связан с магазинами и сервисами – мы ничего не продаём и не даём «рекламу под видом совета». Отвечают обычные участники и модераторы, которые следят за порядком и качеством подсказок.
Если вы у нас впервые, загляните на страницу о проекте, чтобы узнать больше. Чтобы создавать темы и писать сообщения, сначала зарегистрируйтесь, а затем войдите под своим логином.

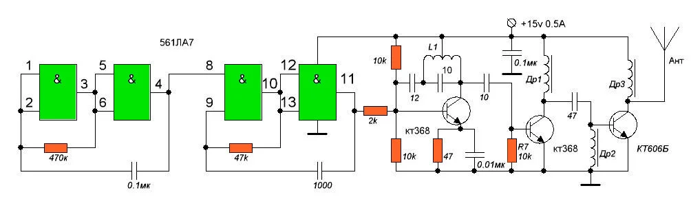
Однажды ко мне обратился человек с такой проблемой - сосед на даче достал его бесконечной прослушкой РаХИТ ФМ и прочей попсы.
От меня требовалось сделать подавитель всего ФМ диапазона. Собрав и проверив пару схем глушилки из интернета, был очень недоволен результатами: глушит в малом радиусе и только пару станций (+-3МГц).
На этом бы дело и закончилось, но человек так уже просил помочь! Предлагал любые деньги. Пришлось вновь браться за паяльник и изобретать нечто новое. В итоге получилась схема глушилки, которая таки смогла забить весь ФМ диапазон на расстоянии около 50м (зависит от антенны).
Работает схема глушилки следующим образом: генератор на КТ368 работает в режиме сильного самовозбуждения по ВЧ, и генерирует кучу гармоник вблизи основной частоты контура - 100+-10МГц.
Этот режим задаётся повышенной ёмкостью конденсатора 12пик. Для нормальной генерации он обычно ставится не более 10пик, поэтому для настройки лучше установите подстроечник.
Далее сигнал ВЧ усиливается двумя широкополосными каскадами. В первом можно поставить любой ВЧ транзистор, а во втором надо что-нибудь помощнее.
Естественно выход стоит на радиаторе. Антенна представляет собой кусок провода или телескоп, но чтоб самим не попасть под помехи - сигнал подавайте через экранированный кабель.
Поехали дальше. Просто создать несущую, хоть и широкополосную, будет мало. Мощные вещательные станции могут и пробиться через нее.
Для того, чтоб стало невозможным нормальное слушание музыки, модулируем сигнал ВЧ простым генератором пи-пи-пи на К561ЛА7, К561ЛЕ5 или аналогичные. Частота модуляции около 1 - 3 кгц с периодом 0.1 - 0.3сек.
Катушка генератора мотается проводом ПЭЛ 0.5-1.0мм на сверле диаметром 5мм (его потом естественно вытаскиваем), и содержит 10витков с отводом от середины. Дросселя можно взять и готовые, на 10-50мкГн, но я обычно мотаю 10 витков на феритовом колечке К7х4х2.
Питается глушилка от БП с напряжением от 12В и выше, при токе не менее пол ампера. Достаточно простого диодного моста и выпрямителя с конденсатором пару тысяч мкф.
Проблема в том что все контактики закрыты, только сеть да гнездо для наушников доступно. Попробую и непременно отчитаюсь.пьезой да по контактикам
"Ежели один человек что-то сделать смог то другой завсегда сломать сможет!"Какой у нас изобретательный народ
С десяток. И не все китайские. У меня с бухгалтерами дефицит.у Вас таки лишние приёмники имеются, хоть и китайские
Как все просто!в гнездо наушников чего-нибудь - внешние динамики отключаются
поддерживаюпо человечески надо вопросы решать, а не подленько
поставьте себе в комп FM модулятор от авто и гоняйте свои мелодии предварительно настроив приёмник у них а кабитнете....сдёрните с колёсика настройки канатик чтоб не крутили (конечно придётся делать в тайне)пусть даже и ценой жизни китайского приёмника
совсем не обязательно, настроился на их частоту без палива и сиди слушай, как только они сменили волну, ждеш подходящий момент (как только отлучились на минуту другую) строишся на ту волну на какую они перешли, день другой таких ехидных пакостюшек и сами откажутся от радиосдёрните с колёсика настройки канатик чтоб не крутили (конечно придётся делать в тайне)