Да причем закрыть-наказать. Тут уже на принцип пойти и выдавить из товарища все непонятные ему вещи и тыкать во все щели, чтобы сам увидел как и что должно быть собрано...
уважаемый человек ТС, конкретно распиши свою проблему, без сочинений на десять постов, и без ропота читай ответы на решение своей проблемы, а не возмущайся. Естественно на возмущения будут в ответ идти каменные утверждения и неприятные ответы. Это никому не надо здесь и подавно. Дал вопрос - получил конкретный ответ. Демагогию разводить больше никто не станет.
Потому что здесь радиолюбители, а не экстрасенсы. Судя по всему у тебя где-то есть косяк. Но фото нормальное ты не выложил, а по той порнографии понять что-либо не возможно.
Правильно собранная схема на исправных деталях не работать не может. То что есть косяк - это к гадалке не ходи.
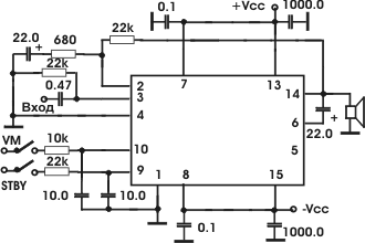
Ша я от руки нарисую схему как я собрал .

