Нужна помощь в создании полного УНЧ

Ну пожалуйсто подскажите на счет стабилизатора кто нибуть!!!:tehnari_ru_837:
 
Поставь 2 транс на более низкое напряжение и менее мощный и все!и питай от него все свои цети питания индикатора !!!!!! не заморачивайся на мелочах !
 
И на счет стабилизатора, не подскажете какой лучше взять
Ну и славно, что не ищешь лёгких путей! Хотел дать тебе чего по проще, но если ты любишь преодолевать трудности, то изволь.....
 

Вложения

  • 0064.gif
    0064.gif
    66.5 KB · Просмотры: 12,067
Ну это точно сложно для не особо подготовленных!Ставь 2 транс !!! будет проще !
 
Ну и славно, что не ищешь лёгких путей! Хотел дать тебе чего по проще, но если ты любишь преодолевать трудности, то изволь.....

кх-кх, извиняюсь спросить а что это за схема???
 
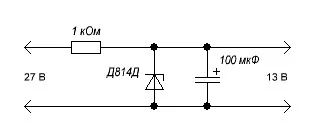
Понравилась? А это стабилизатор напряжения. Ты же сам просил . Разве нет ? Правда он на 5 вольт, но можно его переделать и на любое интересующее тебя напряжение.
 
Понравилась? А это стабилизатор напряжения. Ты же сам просил . Разве нет ? Правда он на 5 вольт, но можно его переделать и на любое интересующее тебя напряжение.

Чесно так сибе, большой сильно!!! Я имел в виду кренку или че другое!!!
А хотя схемку надо будет сохронить может и пригадится для чего нибудь
 
Да проще 2 транс поставить и искажений 0 ! и ненадо мудрить со стабилизатром!!! Вы не YAMAHA и не DENON .Будте проще и все будет все хорошо.
 
Я имел в виду кренку или че другое!!!
Ставь стабилизатор - LM7824. Если такой найдешь в магазине.

Или как написали ранее, ставь простейший параметрический стабилизатор.
 
Ну, ёлки-палки... развели тут демагогию...
Делай как я написала.
Стабилитрон любой маломощный, на напряжение 12 - 24 В, резистор рассчитывается исходя из того, какой стабилитрон стоит.
 

Вложения

  • Параметрический стабилизатор на стабилитроне.webp
    Параметрический стабилизатор на стабилитроне.webp
    2.4 KB · Просмотры: 137
Доброй ночи дорогие технари!
Собрал я эту схемку на индикаторы и она чето не пашит, не одна ни вторая! на одной стрелка отклоняется до шкалы 20 и стоит не дергаяссь а на второй вообще стоит на месте как вкопаная!
Помогите разобратся в чем может быть причина!?
проипаял хороше два раза все пере проверил, на переменный резистор не риагирует, я ссылаюсь на диод! так-как по схеме должен стоять Д9Е, А у меня стоит Д9Г...
может ли в этом быть причина???:tehnari_ru_117:
Или может быть причина не хватки напряжния? так-как данная схема питается от 27в а я её питаю от 24в???
 
Последнее редактирование:
Не пашет ? Не может такого быть! Я в шоке...А ведь так хорошо всё начиналось! :tehnari_ru_121:
 
Собрал я эту схемку на индикаторы и она чето не пашит, не одна ни вторая!
Схема в конце 19 страницы работать не будет. Никогда. Какая ещё вторая?
Focus 016 была дана простейшая схема индикации. Чем она не устраивает?
 
А почему она ни когда не будет работать???
 
Схема в конце 19 страницы работать не будет. Никогда.
Нормальная стандартная схема удвоения напряжения, только полярность, а какая
разница для переменки, думаю будет работать ... :)
Focus 016 была дана простейшая схема индикации. Чем она не устраивает?
А это где ? ... :)
 
Наверное это:
http://www.tehnari.ru/712631-post189.html
Недостатки её в том, что она может работать только на выходе усилителя и на неё влияют все регулировки. При небольшой громкости колебаний индикатора не будет видно.
 
Назад
Сверху