• Добро пожаловать на компьютерный форум Tehnari.ru. Здесь разбираемся с проблемами ПК и ноутбуков: Windows, драйверы, «железо», сборка и апгрейд, софт и безопасность. Форум работает много лет, сейчас он переехал на новый движок, но старые темы и аккаунты мы постарались сохранить максимально аккуратно.

    Форум не связан с магазинами и сервисами – мы ничего не продаём и не даём «рекламу под видом совета». Отвечают обычные участники и модераторы, которые следят за порядком и качеством подсказок.

    Если вы у нас впервые, загляните на страницу о проекте, чтобы узнать больше. Чтобы создавать темы и писать сообщения, сначала зарегистрируйтесь, а затем войдите под своим логином.

    Не знаете, с чего начать? Создайте тему с описанием проблемы – подскажем и при необходимости перенесём её в подходящий раздел.
    Задать вопрос Новые сообщения Как правильно спросить
    Если пришли по ссылке со старого Tehnari.ru – вы на нужном месте, просто продолжайте обсуждение.

Оконечник на КТ808

DTS спасибо за совет,я с вами полностью согласен. на счёт диодов:есть кд202в,и покупные:D2SBA, и RBV-406M, и если можете то выложите схему как подключить трансформатор диодный мост и оконечник в один целый усилитель
 
найди на схеме точки к которым подводится напряжение +15 и -15 и туда подключай с своего блока питания +24 и -24в,а так же найди значок который подписан как *корпус* его тоже присоедини туда
 

Вложения

  • двуполярный.webp
    двуполярный.webp
    32.5 KB · Просмотры: 2,304
8,10-это точно сеть? и мне говарили что надо в сеть подключать последовательно с лампочкой 60-100ват,для чего это?
 
8,10-это точно сеть? и мне говарили что надо в сеть подключать последовательно с лампочкой 60-100ват,для чего это?

Лампочка служит баластом,в случае чего(пробьёт какуюто деталь или замкнёт что нибудь) то будет гореть(светится ярко) лампочка,а остальные детали цепи будут в щадящем режиме и при этом есть шанс на спалить всё остальное.
 
то есть она нужна постоянно,или только перед первым запуском?
 
Только перед первым запуском. Если лампочка гореть не будет, её можно убрать
 
я так и не понял,в сеть трансформатор подключать через выходы8,10?
 
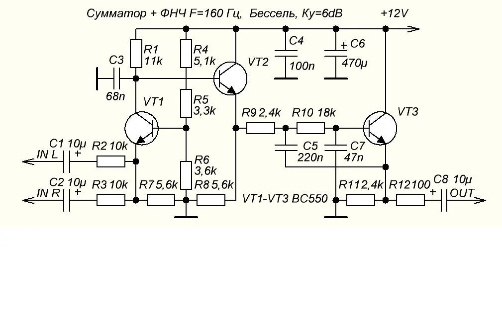
скиньте пожалуйста схему простого нч фильтра, только если можно без микросхем и не пасивный,и ещё вопрос этот оконечник сможет расскачать 35гдн1-4?
 
Вот, пробуй. Повторялся не однократно. Третий порядок. Транзисторы можешь применить отечественные, КТ315, КТ3102.
 

Вложения

  • Эпсилон.webp
    Эпсилон.webp
    39.8 KB · Просмотры: 5,129
ну питание не совсем *детское*для меня это самое большое какое использывал тем более двухполярное ,к этому трансформатору можно ещё один такой оконечник подцепить?
 
Вот, пробуй. Повторялся не однократно. Третий порядок. Транзисторы можешь применить отечественные, КТ315, КТ3102.
это будет для меня сложновато(((можно чуть попроще,и с переменным резистором,без суматора?
 
вот есть индикатор от радиотехника магниторадиола мр-5201-стерио , может её можно как то приспособить под этот оконечник
 

Вложения

  • 24062012208.webp
    24062012208.webp
    102.9 KB · Просмотры: 419
  • 24062012210.webp
    24062012210.webp
    153.1 KB · Просмотры: 215
  • 24062012211.webp
    24062012211.webp
    105.8 KB · Просмотры: 378
вот есть индикатор от радиотехника магниторадиола мр-5201-стерио , может её можно как то приспособить под этот оконечник
Можно. Подключать эту плату нужно на вход. Уровень входного сигнала (контакты 1,5 платы) 0,5 В. Питание +15 В - 6 контакт и общий провод - 4 контакт. Остальные выводы можно не подключать.
 
светлана большое спасибо)))а на счёт фильтра кто скинет схему простенькую чтобы я смог собрать
 
питание можно12в или тут двухполярка?и куда минус питания подавать,плюс я так понял на 6 сигнал на 1и5 а минус?
 
Минус - это общий провод - 4 контакт
 
ворвусь в тему. у меня тоже есть такой комплект дома.он 35ватный динамик раскачает???чет я сомневаюсь.подскажите если ето правда то как ето зделать?
 
Назад
Сверху