• Добро пожаловать на компьютерный форум Tehnari.ru. Здесь разбираемся с проблемами ПК и ноутбуков: Windows, драйверы, «железо», сборка и апгрейд, софт и безопасность. Форум работает много лет, сейчас он переехал на новый движок, но старые темы и аккаунты мы постарались сохранить максимально аккуратно.

    Форум не связан с магазинами и сервисами – мы ничего не продаём и не даём «рекламу под видом совета». Отвечают обычные участники и модераторы, которые следят за порядком и качеством подсказок.

    Если вы у нас впервые, загляните на страницу о проекте, чтобы узнать больше. Чтобы создавать темы и писать сообщения, сначала зарегистрируйтесь, а затем войдите под своим логином.

    Не знаете, с чего начать? Создайте тему с описанием проблемы – подскажем и при необходимости перенесём её в подходящий раздел.
    Задать вопрос Новые сообщения Как правильно спросить
    Если пришли по ссылке со старого Tehnari.ru – вы на нужном месте, просто продолжайте обсуждение.

Перемотка ТС 180

Сергей, спасибо большое :-) :-) :-)
 
Сергей, подскажи пожалуйста еще )
я сделал фильтр НЧ (простейший) (3 резистора 3 кондера вот так : -|-|-|
дефисы - резисторы, вертикали кондеры соединенные одной ножкой с узлом (между резисторами) а 2й на землю.
перед этим фильтром стоит потенциометр.
но громкость ступенькой регулируется, скажи его до или после такого фильтра нужно ставить?:tehnari_ru_203::tehnari_ru_203:
 
я сделал фильтр НЧ (простейший) (3 резистора 3 кондера вот так : -|-|-|
дефисы - резисторы, вертикали кондеры соединенные одной ножкой с узлом (между резисторами) а 2й на землю.
перед этим фильтром стоит потенциометр.
но громкость ступенькой регулируется, скажи его до или после такого фильтра нужно ставить?

Вот насчет этого не могу подсказать) Ждем знатоков)
 
Ставить нужно ДООО.
 
Ставить нужно ДООО.
стояло до, звук регулировался как-то не стандартно tehno001 может я что-то упустил )) но со 2м вариантом лучше ))
на будущее учту спасибо )))
 
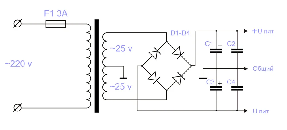
Здравствуйте, умные люди. Есть у меня транс тс-180, уже перемотанный мной. Как он перемотан, видно на картинке (разными цветами обозначены обмотки). Нужно получить двуполярку, запаралелив 4 обмотки по 2 (провод был только тонкий, поэтому пришлось мотать 4 обмотки, чтобы при параллельном соединении обеспечить необходимый ток) Объясните, пожалуйста, как их соединить? И как потом соединять с мостом. Если Вам не сложно, то хотелось бы, чтобы показали прямо на моей картинке. На словах я могу не понять и буду задавать много лишних и глупых вопросов. Заранее спасибо.
 

Вложения

  • 11.webp
    11.webp
    24.7 KB · Просмотры: 110
Удобно и проще мотать сразу двойным проводом, я так делал, подсказал бы как соединить А тут как то сложно все, на каждой катушке встречно намотанные вторички
 
Да я давно его мотал, года 3 назад. Под TDA7294. не помню что меня толкнуло мотать именно по такой схеме. А за совет мотать двойным проводом спасибо, учту на будущее.
 
вот так вроде..
 

Вложения

  • 11.webp
    11.webp
    10.2 KB · Просмотры: 208
Спасибо. А выпрямлять лучше одним мостом или двумя? когда-то я делал с двумя мостами, но не помню уже как. Подскажите, пожалуйста.
 
Одним, ок. Как я понимаю, кондеры нужно ставить между общим и +/-? какой емкости нужно?
 
10000 каждый кондер или общая?
 

Вложения

  • 003.webp
    003.webp
    14.6 KB · Просмотры: 124
Назад
Сверху