Питание предусилителя

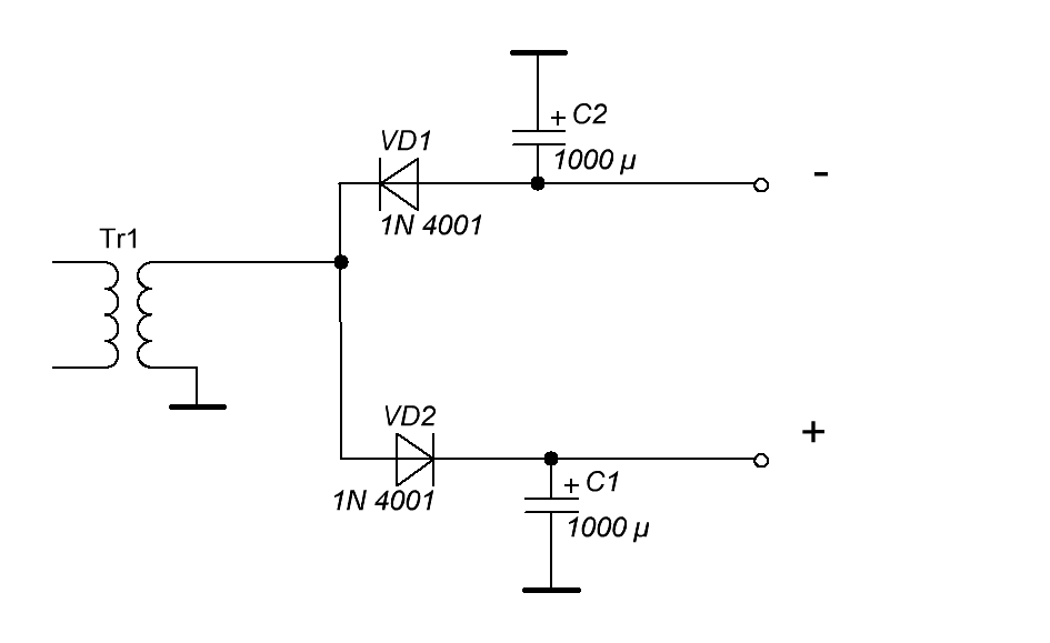
Не надо ничего перематывать! Двуполярное питание делается элементарно без всякой перемотки. Один конец обмотки - это будет земля, а на второй конец вешаешь два диода . На выход каждого диода сажаешь ёмкость. Получается двуполярка. Я всегда так делаю.
надо попробывать
 

Вложения

  • пит 2.GIF
    пит 2.GIF
    6.3 KB · Просмотры: 215
Обратите внимание, при заказе, нужно оговорить напряжение на выходе. Отнеситесь к этому внимательно. Если вы знаете, какое ПОСТОЯННОЕ напряжение вам надо для вашего усилителя, пересчитайте это напряжение в переменное. Оно должно быть в 1,41 раз меньше вашего постоянного.Если будете применять стабилизатор, то добавьте на него три-пять Вольт.
спасибо, мне нужно переменное напряжение,[/QUOTE]

Так я же об этом. Допустим, вам нужно плюс минус 15 Вольт. Считаем. переменки примерно 11 Вольт. Стабилизатор хочет иметь для себя 5 Вольт. Складываем, получаем 16 Вольт. Такого нет. Есть, допустим, 18 Вольт. Соглашаемся, потому, что стабилизатор может ПРИНЯТЬ 30 Вольт, а выдать 15. Но тогда напряжение конденсаторов фильтра должно выдерживать 18*1,41=25 Вольт. Берём с запасом- 35 Вольтовые. Нагрузка небольшая, если диоды с малым сопротивлением взяли- так называемые диоды Шоттки ( сейчас их полно в радиомагазинах, они сплошь на компьютеры идут), то и падением напряжения на выпрямителе можно пренебречь. Тем более, что запас по напряжению мы взяли вынужденно. Стабилизаторы есть и на положительную полярность =7815 и на отрицательную 7915. Буквы любые, их много разных фирм делает со своими буквами.
 
Так я же об этом. Допустим, вам нужно плюс минус 15 Вольт. Считаем. переменки примерно 11 Вольт. Стабилизатор хочет иметь для себя 5 Вольт. Складываем, получаем 16 Вольт. Такого нет. Есть, допустим, 18 Вольт. Соглашаемся, потому, что стабилизатор может ПРИНЯТЬ 30 Вольт, а выдать 15. Но тогда напряжение конденсаторов фильтра должно выдерживать 18*1,41=25 Вольт. Берём с запасом- 35 Вольтовые. Нагрузка небольшая, если диоды с малым сопротивлением взяли- так называемые диоды Шоттки ( сейчас их полно в радиомагазинах, они сплошь на компьютеры идут), то и падением напряжения на выпрямителе можно пренебречь. Тем более, что запас по напряжению мы взяли вынужденно. Стабилизаторы есть и на положительную полярность =7815 и на отрицательную 7915. Буквы любые, их много разных фирм делает со своими буквами.[/QUOTE] думаю разработчик это предусматрел. вот куда питание нужно https://ru.aliexpress.com/item/2-1-...033.html?spm=a2g0s.9042311.0.0.461133ed033h7r
 
5 Va (5 ватт) маловато будет для этой платы, сам продаван рекомендует " двойной трансформатор 15 в 10 Вт или около того".
 
5 Va (5 ватт) маловато будет для этой платы, сам продаван рекомендует " двойной трансформатор 15 в 10 Вт или около того".

Жаль, что автор не с этого начал. (Или я что-то пропустил?) Всю полемику можно было прекратить не начиная.
 
Для этого преда, особо много то и не надо. Что он там потребляет? 4 шт. 5532 много не возьмут. 100 ма - этого будет за глаза! Тем более, что 7815 и 7915 там уже стоят. Подаём на вход -+ 20 вольт , и вся любовь.
 
на трансах пишут(например) 2*15в или 15в-0-15в. это одно и то же?
 
на трансах пишут(например) 2*15в или 15в-0-15в. это одно и то же?
Не совсем. 15-0-15 означает, что обмотки уже соединены, а 2*15 чаще значит, что есть две независимых, которые вы соединяете по своему усмотрению.
 
Не совсем. 15-0-15 означает, что обмотки уже соединены, а 2*15 чаще значит, что есть две независимых, которые вы соединяете по своему усмотрению.

Если три провода со вторички отходит значит соеденены
 
Подскажите, ещё вопросик. Если собирать двухполярное питание из двух одинаковых трансформаторов. Что бы получить 10Вт, нужно два по десять или два по пять?
 
Подскажите, ещё вопросик. Если собирать двухполярное питание из двух одинаковых трансформаторов. Что бы получить 10Вт, нужно два по десять или два по пять?
Да что же вы думать сами-то не хотите? Нельзя быть настолько беспомощным. Открывайте учебники физики, их полно разных.
На такие вопросы даже отвечать не хочется. Думается, что издеваетесь.
 
Да что же вы думать сами-то не хотите? Нельзя быть настолько беспомощным. Открывайте учебники физики, их полно разных.
На такие вопросы даже отвечать не хочется. Думается, что издеваетесь.
я про динамики так думал, со стороны школьного курса, а оказалось все наоборот. На всякий пожарный так сказать, спрашиваю.
 
На всякий пожарный так сказать, спрашиваю.
Профи на простые вопросы не отвечают, а всё пи..ськами меряются, а я "гимназиях не обучался" поэтому на всякий пожарный отвечу
 

Вложения

  • Pitanie 2 transa.gif
    Pitanie 2 transa.gif
    6.5 KB · Просмотры: 182
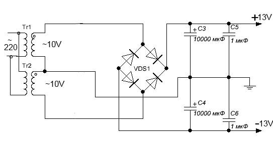
Можно и так но. Но ведь ТС нужно питание -+ 15 в. для питания преда. Причём питание это должно быть стабилизированное. А при таком включении получается -+ 13 не стабилизированного напряжения. Я бы включил два транса последовательно, без средней точки, а потом сделал бы как в 20 посту. Получил на выходе -+ 28 в. А стабы, которые установлены на преда, сделают свою работу. И будет стабилизированное питание -+ 15 в. Но это я бы так сделал. А уж для себя каждый пускай решает сам, как делать, или как не делать.
 
Я на М5230Л сделал блок питания на 15вольт с запасом по мощности на вспомогательные узлы. В дневнике в преде схема и плата.Работает отлично.
В посту 34 надо среднюю точку трансформатора отделить от банок резистором05-1 ом или на край дросселем ,намотанным проводом 0,5мм -0,7мм на резисторе 1-2ватта. Грязь отсекает здорово
 
Я на М5230Л сделал блок питания на 15вольт с запасом по мощности на вспомогательные узлы. В дневнике в преде схема и плата.Работает отлично.
В посту 34 надо среднюю точку трансформатора отделить от банок резистором05-1 ом или на край дросселем ,намотанным проводом 0,5мм -0,7мм на резисторе 1-2ватта. Грязь отсекает здорово

Как-то стрёмно ОБЩИЙ провод делать с дополнительными сопротивлениями. По нему возможен переход помехи из канала в канал. Мне кажется, в питательные провода поставить было бы лучше.
 
Как-то стрёмно ОБЩИЙ провод делать с дополнительными сопротивлениями. По нему возможен переход помехи из канала в канал. Мне кажется, в питательные провода поставить было бы лучше.
вообщето все наоборот.Хотя гуру могут иное мнение иметь
 
Как-то стрёмно ОБЩИЙ провод делать с дополнительными сопротивлениями.
Да ничего не стрёмно! Максим правильно говорит. Я всегда отделяю общий провод резистором. Сопротивление подбираю по падению напряжения на входе стаба. В нашем случае, я бы добился на входе стаба напруги около 20 вольт.
в питательные провода поставить было бы лучше.
Именно по земле! Эффект оболденный.
 
нужна переменка, 15в-0-15в, ~10Вт. выпрямитель и стабилизатор уже распаяны на плате предусилителя. у меня была проблема из за габаритных размеров предлагаемых трансформаторов, тупо не поместился бы в корпус. поэтому хотел решить проблему использованием импульсного БП и,или преобразователем(указаны в первом посте). с вашей помощью более детально изучил вопрос. наткнулся на таблицу с характеристиками предлагаемых устройств. есть трансформатор полностью соответствующий моим требованиям. в одном магазе только продают. надеюсь продаван не обманет.
 
Назад
Сверху