• Добро пожаловать на компьютерный форум Tehnari.ru. Здесь разбираемся с проблемами ПК и ноутбуков: Windows, драйверы, «железо», сборка и апгрейд, софт и безопасность. Форум работает много лет, сейчас он переехал на новый движок, но старые темы и аккаунты мы постарались сохранить максимально аккуратно.

    Форум не связан с магазинами и сервисами – мы ничего не продаём и не даём «рекламу под видом совета». Отвечают обычные участники и модераторы, которые следят за порядком и качеством подсказок.

    Если вы у нас впервые, загляните на страницу о проекте, чтобы узнать больше. Чтобы создавать темы и писать сообщения, сначала зарегистрируйтесь, а затем войдите под своим логином.

    Не знаете, с чего начать? Создайте тему с описанием проблемы – подскажем и при необходимости перенесём её в подходящий раздел.
    Задать вопрос Новые сообщения Как правильно спросить
    Если пришли по ссылке со старого Tehnari.ru – вы на нужном месте, просто продолжайте обсуждение.

Помогите разобраться с микросхемой К174УН7

  • Автор темы Автор темы perus
  • Дата начала Дата начала
помогите мне!
 
Если платы с магнитофона. Включай так...
 

Вложения

  • SAM_0044.webp
    SAM_0044.webp
    8.5 KB · Просмотры: 400
а что обозначают кружочки на рисунке?
 
Это показано, что провод должен быть экранированный и экран должен подключаться к корпусу ("земле")
 
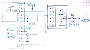
на унч нужно соединять 1и2 4и5 а на рег тембров 1и2 3и4
????
 
СОЕДИНИ ВОТ ТАК...
 

Вложения

  • SAM_0044.webp
    SAM_0044.webp
    12.9 KB · Просмотры: 351
Назад
Сверху