Помогите с усилителем

А как на компе регулируется громкость?
 
в плеере или в настройках компа
 
А резисторы на вход нельзя поставить? Просто в некоторых схемах TDA1558 стоит резистор между входом и землёй
 
Ну вот и регулируй...
Ну поставь резистор, только не на землю, а перед регулятором
 
Что это даёт резистор между входом и землёй?
 
Я не видел таких схем включения, по моему лучше так
 

Вложения

  • Делитель.webp
    Делитель.webp
    2.2 KB · Просмотры: 125
Сколько можно выжать из этого транса? Хватит ли для 2 TDA1558Q
 

Вложения

  • 28022011157.webp
    28022011157.webp
    28.7 KB · Просмотры: 46
  • 28022011160.webp
    28022011160.webp
    28 KB · Просмотры: 63
  • 28022011158.webp
    28022011158.webp
    45.3 KB · Просмотры: 59
5...10 Ватт, не хватит и для одной
 
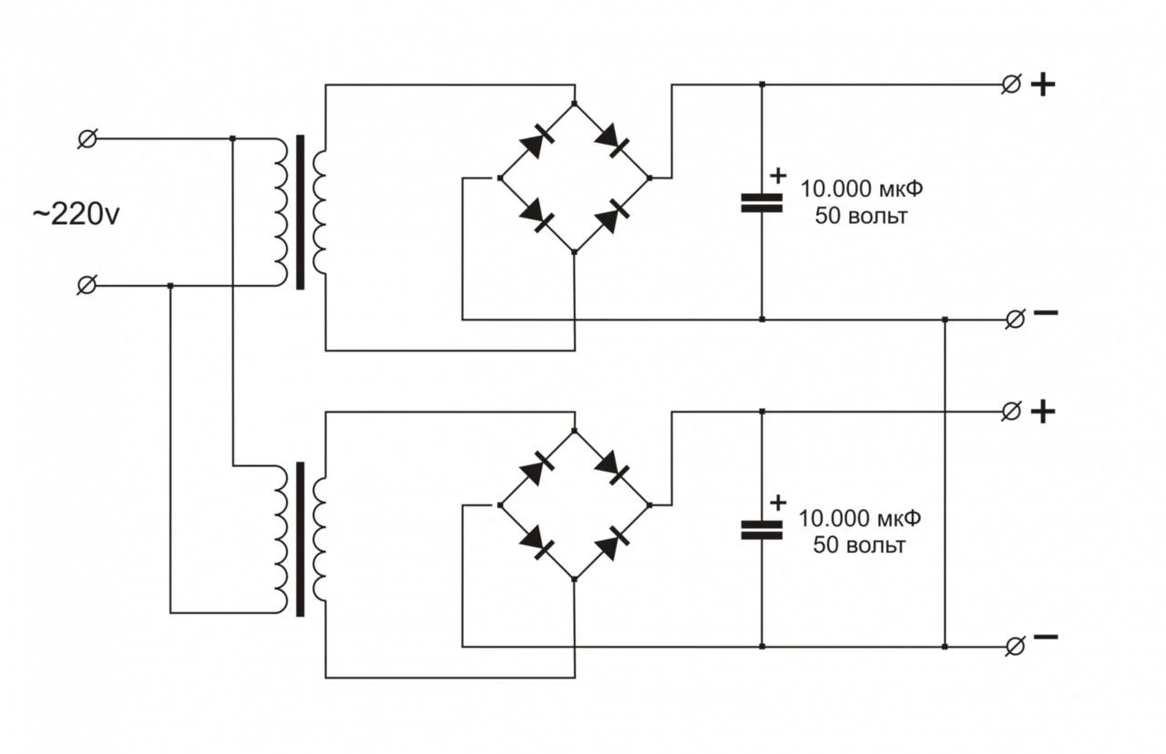
А можно ли кажую микросхему питать отдельным блоком питания? и Как? так можно?
 

Вложения

  • Безымянный.webp
    Безымянный.webp
    6.1 KB · Просмотры: 64
Да ради Бога !!! Можно от отдельных 12В 4А, а можно от одного 12В 8А ... :)
 
Да, только минус питания надо объединить.
бп.webp
 
А зачем ??? :)
 
Если этого не сделать, то объединится в сигнальной земле и будет фонить.
 
а двойное моно так же реализуется в пром усилителях,интересно для себя,я предполагал ,что каждый канал не связан с собой ни чем ,ни по питанию, ни по уп и ум ?
 
Назад
Сверху