• Добро пожаловать на компьютерный форум Tehnari.ru. Здесь разбираемся с проблемами ПК и ноутбуков: Windows, драйверы, «железо», сборка и апгрейд, софт и безопасность. Форум работает много лет, сейчас он переехал на новый движок, но старые темы и аккаунты мы постарались сохранить максимально аккуратно.

    Форум не связан с магазинами и сервисами – мы ничего не продаём и не даём «рекламу под видом совета». Отвечают обычные участники и модераторы, которые следят за порядком и качеством подсказок.

    Если вы у нас впервые, загляните на страницу о форуме и правила – там коротко описано, как задать вопрос так, чтобы быстро получить ответ. Чтобы создавать темы и писать сообщения, сначала зарегистрируйтесь, а затем войдите под своим логином.

    Не знаете, с чего начать? Создайте тему с описанием проблемы – подскажем и при необходимости перенесём её в подходящий раздел.
    Задать вопрос Новые сообщения Как правильно спросить
    Если пришли по старой ссылке со старого Tehnari.ru – вы на нужном месте, просто продолжайте обсуждение.

Помощь с TDA 2005

Вобщем нашел кусок платы от телевизора,на ей есть КРЕН12А ,КРЕН8А ,и ещё кое какие ,подскажите что лучше и схему если можно по проще ,и пойдет ли вот эта на КРЕН12А по описанию выход 12 вольт
 

Вложения

  • 736394.jpg
    736394.jpg
    34.7 KB · Просмотры: 28
Вобщем нашел кусок платы от телевизора,на ей есть КРЕН12А ,КРЕН8А ,и ещё кое какие ,подскажите что лучше и схему если можно по проще ,и пойдет ли вот эта на КРЕН12А по описанию выход 12 вольт
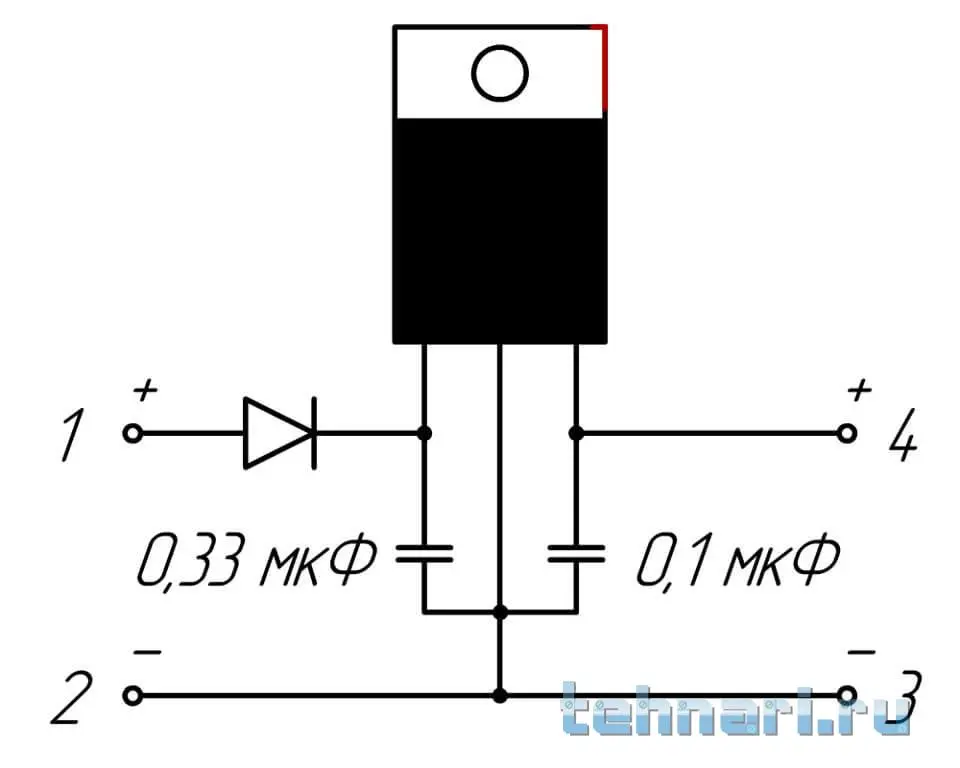
КРЕН12А это регулируемый стабилизатор, схема включения у него другая, смотрите схему включения его аналога LM317
 
смотрите схему включения его аналога LM317
Дык, собственно и схема включения самой
не есть великой тайной ... (см. рис. ниже)
Однако, энта КРЕНка не потянет питание выше означенной
 

Вложения

  • КРЕНы.png.jpg
    КРЕНы.png.jpg
    114.1 KB · Просмотры: 59
Было принято решение на замену TDA2005 поменять на TDA2050.
Всё было подсобрано для проверки ,21 вольт 2А питание,звук беру от ноутбука,но ожидаемой громкости нет,мощность заметно есть звук хороший,но много низких частот,аж гул стоит как от савбуфера ,хотя колонка от муз.центра 4ом 200W .В чем же дело подскажите может было у кого подобное ,до этого стоял усилитель 2.5 ватта класса D с питанием 5 вольт от блока питания вынятого с DVD ,и громкости и низких было заметно меньше но не насовсем меньше,в чем дело ? Может мало ему этого трансформатора ?
 

Вложения

  • xKYxOxrElNc.jpg
    xKYxOxrElNc.jpg
    104.2 KB · Просмотры: 37
  • xa-z-YLZfFE.jpg
    xa-z-YLZfFE.jpg
    85.3 KB · Просмотры: 68
  • c2bH7a6p9sE.jpg
    c2bH7a6p9sE.jpg
    76 KB · Просмотры: 30
Спустя 20 минут прослушивания трансформатор стал теплый,это дело в нём да?
 
С питанием 21 вольт Вы получите 8-10 ватт выходной мощности, это не так уж и громко. Хотя может быть проблема в недостаточном уровне сигнала на входе микросхемы
 
Однополярного, 21В наверное мало, для 2050. По частотам не понятно, где там и по чем перекосы, схему бы с номиналами, реально какие сейчас там стоят.
 
С питанием 21 вольт
Однополярного, 21В
О каком одно полярном питании вы, ребята, вещаете ?
В первом сообщении автор выложил фото имеющегося трансформатора, на котором чёрным по белому указано, что вторичная обмотка оного обеспечивает
2 Х 13,6V * 2,2А
которые прекрасно стыкуются с
Кстати и взят он
от каких то колонок ВВК
в которых чаще всего используются TDA2030, LM1875 .
 

Вложения

  • тр-р.png.jpg
    тр-р.png.jpg
    25.9 KB · Просмотры: 32
Последнее редактирование:
О каком одно полярном питании вы, ребята, вещаете ?
В первом сообщении автор выложил фото имеющегося трансформатора, на котором чёрным по белому указано, что вторичная обмотка оного обеспечивает
2 Х 13,6V * 2,2А
которые прекрасно стыкуются с

Кстати и взят он

в которых чаще всего используются TDA2030, LM1875 .

Я первый раз занимаюсь трансформаторами ,у этого трансформатора на выходе два красных и один черный провода,диоды 4 шт,спаяны с прошлого усилителя который питал этот транс,подскажи пожалуйста ,может я неправельно его запитал ,раз он греется ? Или как правельно сделать,за ранее спасибо.
 
Вот такая сборка ,она же однополярная,а трансформатор что двухполярный что ли ? Зачем в нем три вывода ? красный-черный-красный.
 

Вложения

  • 222222222222222222222222222222222.jpg
    222222222222222222222222222222222.jpg
    19.6 KB · Просмотры: 21
Выхода 2: соединить вторичку чтобы получить однополярное 13.6х4А;переделать радиоконструктор под двухполярное питание. На фото из поста№1 не понятно два красных провода соединены между собой или нет.
 
Так, давайте попорядку, если схема от этой сборки, то схема для однополярного питания, 2050, тоже так может. Померяйте напряжение, переменку на двух красных, проводах вторички? Будем надеятся что там сделан отвод от середины, а не намотали два провода вместе.
 
соединить вторичку чтобы получить однополярное 13.6х4А
Будем надеятся что там сделан отвод от середины, а не намотали два провода вместе.
Ребята, вы о чём ?????
Первое, нельзя там никак соединить "вторичку", чтобы получить
Эти Амперы можно получить только сделав двухполупериодный выпрямитель по схеме, как на первом рисунке.
Второе, там, таки, сделам отвод от серидины
а не намотали два провода вместе.
Схема блока питания ВВК на втором рисунке
 

Вложения

  • выпрямитель.png.jpg
    выпрямитель.png.jpg
    7.9 KB · Просмотры: 17
Схема БП .
Подобные применяются, практически, во всех аппаратах с трансформаторным питанием.
 

Вложения

  • БП.png.jpg
    БП.png.jpg
    38.3 KB · Просмотры: 30
такая сборка ,она же однополярная
Конкретно для этой платы надо сделать вот такой блок питания. Напряжение надо снять с двух красных проводов, а черный провод изолировать и не использовать .
 

Вложения

  • мост.png.jpg
    мост.png.jpg
    21.9 KB · Просмотры: 24
Все таки пусть автор по меряет, если как на схеме, то все норм, черный заизолировать, и сделать двухполупериодный выпрямитель, стандартный, я так понял что автору нужен один канал, "Ампер хватит", кстати автор сказал что в выпрямителе у него 4 диода, значит в схема другая. Еще посмотреть на самой зборке электролиты, на какое напряжение, а то мало, еще бахнет, .

Выше постом то что нужно для этой сборки. Что бы не путать больше.
 
Я думаю между 2 красными будет 27.2 - 30 вольт.
 
Еще посмотреть на самой зборке электролиты, на какое напряжение,
Если использовать электролиты от исходного (донорского) ВВК, то их надо включить последовательно, а то может быть действительно, что
 
Конкретно для этой платы надо сделать вот такой блок питания. Напряжение надо снять с двух красных проводов, а черный провод изолировать и не использовать .

Так сегодня вечером и попробую,а с чего же транс греется,но несильно?
 
Конкретно для этой платы надо сделать вот такой блок питания. Напряжение надо снять с двух красных проводов, а черный провод изолировать и не использовать .

Сделал по этой схеме,вышло 42 вольта,все конденсаторы на 50 вольт стоят,звука стало намного больше,заметно больше и низких в норму,теперь на 95% выкручиваю звук и недребезжит ,немного погоняв на пол громкости трансформатор стал теплый ,но не так как до этого грелся,а вот теплоотвод усилителя надо подумать,временный маленький ,разогрелся нормально,хоть кусок рельсы прикручивай чтоб наверняка:tehnari_ru_182: ничего толкового нет в наличии.
Еще поработает ,может будут какие вопросы,спасибо за помощь.
 

Вложения

  • 11111111111111111111111.jpg
    11111111111111111111111.jpg
    26.5 KB · Просмотры: 20
Назад
Сверху