• Добро пожаловать на компьютерный форум Tehnari.ru. Здесь разбираемся с проблемами ПК и ноутбуков: Windows, драйверы, «железо», сборка и апгрейд, софт и безопасность. Форум работает много лет, сейчас он переехал на новый движок, но старые темы и аккаунты мы постарались сохранить максимально аккуратно.

    Форум не связан с магазинами и сервисами – мы ничего не продаём и не даём «рекламу под видом совета». Отвечают обычные участники и модераторы, которые следят за порядком и качеством подсказок.

    Если вы у нас впервые, загляните на страницу о проекте, чтобы узнать больше. Чтобы создавать темы и писать сообщения, сначала зарегистрируйтесь, а затем войдите под своим логином.

    Не знаете, с чего начать? Создайте тему с описанием проблемы – подскажем и при необходимости перенесём её в подходящий раздел.
    Задать вопрос Новые сообщения Как правильно спросить
    Если пришли по ссылке со старого Tehnari.ru – вы на нужном месте, просто продолжайте обсуждение.

Распиновка транзистора

Желателен, хотя генератор может завестись и без него, но как будет работать, это большой вопрос. Не обязательно брать конденсатор именно на 0,1 мкф, можно любой керамический, от нескольких тысяч пикофарад до сотен нанофарад. Пленочные не очень хороши в ВЧ схемах, здесь керамика рулит.
 
я понял.если будут вопросы-обращусь
 
Обращайтесь. Чем смогу, помогу.
 

Вложения

  • жучёк1.webp
    жучёк1.webp
    27.7 KB · Просмотры: 1,094
  • жучёк2.webp
    жучёк2.webp
    31.1 KB · Просмотры: 1,620
чёто не работает моя схема
 
Номиналы резисторов и конденсаторов сюда выкладывайте, параметры катушки (об этом как можно более подробно -количество витков, диаметр оправки, длина намотки и диаметр провода) и ток коллектора. Какой микрофон использовали?
 
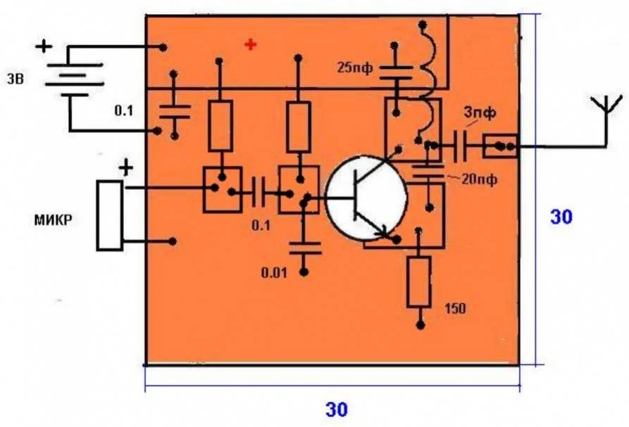
Используемые в жучке детали:
R1 - 2,2 кОм,
R2 - 240 Ом.
С1 - 20 пф,
С2 - 47 пф,
С3 - 1500 пф.

Катушка содержит 6 витков на стержне от гелевой ручки, а транзистор надо ставить советский КТ3107Б или КТ3107БМ, возможно и использование транзисторов обратной проницательности типа кт368, С9018, но в таком случае нужно поменять полярность питания и микрофона.
 
С номиналами все в норме, более или менее. Но, каков диаметр стержня от гелевой ручки и чему равна длина намотки? Микрофон у Вас надеюсь электретный? Фото монтажа посмотреть бы. Схема простая и должна работать, если нет особых косяков в монтаже.

Чему равен ток коллектора?
 
Эта схема тоже рабочая, ее многие собирали, почти у всех радиомикрофон работал. Правда к mish_k98 схема попала в несколько покалеченном виде, но мы ее уже привели к нормальному виду. А что не работает при первом включении, это же нормально. Ее настраивать нужно, как и любой другой радиопередатчик. Вот эта же схема с портала VRTP:
 

Вложения

  • rmik.webp
    rmik.webp
    17.5 KB · Просмотры: 4,678
Вот здесь нормально, коллекторная нагрузка, ВНЗ тоже самое дал, а где
ту схему (искалеченную) взяли ? ... :)
 
на какомто сайте
 
а как знать где у микрофона плюс и минус
 
Вот так.....
 

Вложения

  • Electret_condenser_microphone_capsules.webp
    Electret_condenser_microphone_capsules.webp
    8 KB · Просмотры: 199
тогда не понятно почему не работает
 
А почему Вы решили, что радиомикрофон не работает?
 
вобщем включил я радио и очень медленно крутил конденсатор и стукал и дул и говорил в микрофон-ничего.никакого звука я не слышал.
 
То, что в динамиках радиоприемника нет звука, еще не говорит о том, что радиомикрофон не работает. Могли в диапазон принимаемых приемником волн не попасть.

Сначала нужно режимы по постоянному току оценить, я же не просто так задавал вопрос о токе коллектора, верно? Измеряя ток коллектора или общий потребляемый ток совсем нетрудно убедится в работоспособности передатчика, прикасаясь пинцетом к выводу коллектора транзистора. У работающего передатчика потребляемый ток должен меняться от прикосновения к "горячей" стороне колебательного контура (той, что подключена к коллектору транзистора). Потом уже, когда станет ясно, что генератор запускается и нормально работает, "играем на баяне" - растягиваем и сжимаем витки катушки, вгоняя таким образом частоту передатчика в нужный диапазон.

Фотографии монтажа можно выложить? Есть у меня стойкое подозрение, что все это дело спаяно проводами длиной сантиметров по 10.
 
насчёт диапазона не знаю.фото будет чуть поже
 
вот обещаные фото
 

Вложения

  • S6001714.webp
    S6001714.webp
    44.5 KB · Просмотры: 247
  • S6001715.webp
    S6001715.webp
    60.4 KB · Просмотры: 1,372
Назад
Сверху