• Добро пожаловать на компьютерный форум Tehnari.ru. Здесь разбираемся с проблемами ПК и ноутбуков: Windows, драйверы, «железо», сборка и апгрейд, софт и безопасность. Форум работает много лет, сейчас он переехал на новый движок, но старые темы и аккаунты мы постарались сохранить максимально аккуратно.

    Форум не связан с магазинами и сервисами – мы ничего не продаём и не даём «рекламу под видом совета». Отвечают обычные участники и модераторы, которые следят за порядком и качеством подсказок.

    Если вы у нас впервые, загляните на страницу о проекте, чтобы узнать больше. Чтобы создавать темы и писать сообщения, сначала зарегистрируйтесь, а затем войдите под своим логином.

    Не знаете, с чего начать? Создайте тему с описанием проблемы – подскажем и при необходимости перенесём её в подходящий раздел.
    Задать вопрос Новые сообщения Как правильно спросить
    Если пришли по ссылке со старого Tehnari.ru – вы на нужном месте, просто продолжайте обсуждение.

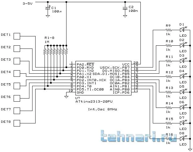
Сенсор QT102

  • Автор темы Автор темы DDREDD
  • Дата начала Дата начала
Я же использовал attiny13, работает тоже без отказно. А этот qt102 так завести нормально не смог.
 
Я же использовал attiny13, работает тоже без отказно. А этот qt102 так завести нормально не смог.
Получилось и хорошо, разницы большой нет. DDREDD вроде бы прекрасно завел QT102 ... :)
 
ну у меня вообще-то тоже нормально работает. только питать надо с блока питания. три года уже
 

Вложения

  • mc178-3.png.webp
    mc178-3.png.webp
    24.5 KB · Просмотры: 528
И вот еще на Attiny13 простая кнопка, с фиксацией и без.
В архиве схема, ссылка на сайт и файлы прошивки, а также печатка в Proteus
 

Вложения

Назад
Сверху