• Добро пожаловать на компьютерный форум Tehnari.ru. Здесь разбираемся с проблемами ПК и ноутбуков: Windows, драйверы, «железо», сборка и апгрейд, софт и безопасность. Форум работает много лет, сейчас он переехал на новый движок, но старые темы и аккаунты мы постарались сохранить максимально аккуратно.

    Форум не связан с магазинами и сервисами – мы ничего не продаём и не даём «рекламу под видом совета». Отвечают обычные участники и модераторы, которые следят за порядком и качеством подсказок.

    Если вы у нас впервые, загляните на страницу о проекте, чтобы узнать больше. Чтобы создавать темы и писать сообщения, сначала зарегистрируйтесь, а затем войдите под своим логином.

    Не знаете, с чего начать? Создайте тему с описанием проблемы – подскажем и при необходимости перенесём её в подходящий раздел.
    Задать вопрос Новые сообщения Как правильно спросить
    Если пришли по ссылке со старого Tehnari.ru – вы на нужном месте, просто продолжайте обсуждение.

Собрал гибридный усилитель Лачиняна, а он не работает

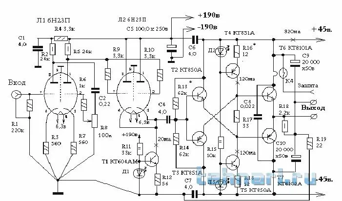
Первая схема нарисована понятнее. Конденсаторы С6 С7 по сути являются шунтирующими для С9 С 10. Умники всякие понарисуют, блин.

тобишь правильнополучается что вход транзисторов я корочу на среднюю точку с9 и с10 ?извините за настойчивость но лучше уточнить.
 
Ты по какой схеме спаял? Хоть они и одинаковы, но не надо пинать туда-сюда, нужна реальная схема.

лампы по схеме №2, а транзисторы по схеме №1 так на транзисторы меньше денег уйдет, когда убежусь в работоспособности схемы, тогда уже соберу транзисторы по схеме №2, но транзисторы лучше сразу импорт возьму.
 

По поводу этого сообщения, я только спрашивал мнения, не собирал.
 
Кто-нибудь объяснит, зачем С6 связывает +190 и +45 вольт. С7 связывает -45 с ламповой массой ??? Шо за бред.
R19 разъединяет массы каскадов-с этим ясно.
 
Значит не проверял. Как-же можно быть уверенным.
Конденсатор С4 является разделительным меж ламповым и транзисторным каскадами.

лампы уже звук дали,неразбириха у меня была только в соединении R6,R8 иC2 теперь нужно добить транзисторный каскад чтобы услышать как играют лампы - все хорошо, или их тоже прийдется доводить до ума.

если подскажите как настроить лампы без звучания я выслушаю : где какое напряжени и токи должно быть, и в какую сторону менять резисторы для поднятия либо снижения напряжения и тока?
 
Кто-нибудь объяснит, зачем С6 связывает +190 и +45 вольт. С7 связывает -45 с ламповой массой ??? Шо за бред.
R19 разъединяет массы каскадов-с этим ясно.

мне уже объясняли что с6 тоже на - 190 должен идти, это опечатка.

а что R19 важен? в первой схеме его нет
 
Кто-нибудь объяснит, зачем С6 связывает +190 и +45 вольт. С7 связывает -45 с ламповой массой ??? Шо за бред.
R19 разъединяет массы каскадов-с этим ясно.
Да хрен его знает , походу ошибка . Я бы повесил их землю (с6 и с7) , тем самым шунтировав электролиты с9 и с10 . Другого применения для них я не вижу.
 
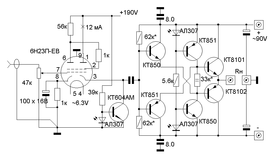
извиняюсь, вот правильные схемы схемы
 

Вложения

  • Screenshot_2016-03-11-14-10-32.png.webp
    Screenshot_2016-03-11-14-10-32.png.webp
    40.1 KB · Просмотры: 1,255
  • 2.webp
    2.webp
    35.7 KB · Просмотры: 1,683
Сообщение от laic
Первая схема нарисована понятнее. Конденсаторы С6 С7 по сути являются шунтирующими для С9 С 10. Умники всякие понарисуют, блин.
тобишь правильнополучается что вход транзисторов я корочу на среднюю точку с9 и с10 ?извините за настойчивость но лучше уточнить

ответьте пожалуйста на этот вопрос
 
Здравствуйте всем кто пожелает мне помочь!

собрал данный усилитель, а он гудит и все.

При сборке поменял 6и8 ногу ламп местами так как на схеме вывода прономерованы не правильно, R6 припаял напрямую к 6 ноге (регулятор громкости собрал обычный вместе регулятором нч,вч и пустил через него вход) .С6 и С7 припаял к - 190в, защиту на выходе транзисторов тоже не стал собирать,с1,с4,с6,с7 не 4мк а4.7мк пленочные. Все остальное строго по схеме, специально составлял список и покупал детали строго по номиналам.

В принципе работы не особо понимаю, но схему могу собрать, делал такой усилитель году в 2002-2005 точно не помню,вообщем когда в училище учился. Но собирал по схеме нарисованной товарищем, а он очень хорошо соображал в радитехнике и вроде что то переделывал , транзисторов насколько помню было всего 4, но светодиоды точно были в схеме.

Кто что посоветует? или может кто нибудь видит ошибки в схеме ламп или транзисторов?

Посмотреть вложение 271004

При сборке транзисторов по нижней схеме, выходники сгорели.

Посмотреть вложение 271005

смотрите правильные схемы на 7 странице, я извиняюсь, еще один файл загрузился при создании темы.
 
Последнее редактирование:
один фал не загрузился при создании темы, как исправить первое сообщение? а то народ путается
 
При настройке любого усилителя вход закорачивается, тоесть соединяется с массой. Конденсатор С4 является выходом лампового каскада( правая по схеме нога), а так-же входом транзисторного . К нему можно прицепить ненужный динамик и послушать лампу, выпаяв его правую ногу.
Для транзисторного оконечника:
В разрыв сети ставится лампочка, таким образом снижается ток, что бы убереч схему от взрыва/ пожара.
А ты читал описание настройки этого гибрида на Мелтэк Саунд?
 
А ты читал описание настройки этого гибрида на Мелтэк Саунд?

читал где-то, (синее оформление у сайта) все описанные настройки помечены крестиками на схеме№2. При замерах тока между R17 и т4,т5 у меня получалось меньше заявленного на схеме, а на лампах между колектором т1 и 8,3 ногой все забываю, транзисторы много мыслей и времени отнимают.

Относительно замыкания входа на общий с9 и с10 - а как же при использовании одного блока питания на 2 канала? стерео не будет, входа получаться замкнутыми между собой, или я что то не так понял ?
 
еще фото, кондеры с9 и с10 стоят на диодном мосту и средняя точка с них идет на ас и все, больше ни куда.
 

Вложения

  • DSCN2542.webp
    DSCN2542.webp
    80.6 KB · Просмотры: 224
  • DSCN2543.webp
    DSCN2543.webp
    31.3 KB · Просмотры: 198
  • DSCN2544.webp
    DSCN2544.webp
    48.4 KB · Просмотры: 182
  • DSCN2545.webp
    DSCN2545.webp
    45.6 KB · Просмотры: 177
Вход замыкается на массу ТОЛЬКО для настройки.Открытый вход работает как антена, собирает наводки из эфира. Короче, тебе ещё читать и читать, это называется " Курить Букварь"! Гы!
 
Назад
Сверху